电脑桌面
添加小米粒文库到电脑桌面
安装后可以在桌面快捷访问

xx匝道桥现浇箱梁支架方案

xx匝道桥现浇箱梁支架方案_第1页
1/11
xx匝道桥现浇箱梁支架方案_第2页
2/11
xx匝道桥现浇箱梁支架方案_第3页
3/11
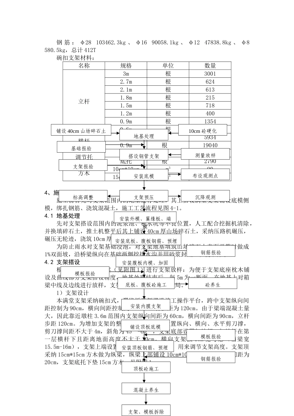
目 录1、编制依据........................................................................................................................12、工程概况........................................................................................................................13、施工准备........................................................................................................................13.1 技术准备:..............................................................................................................13.2 人员准备..................................................................................................................13.3 机械设备:...............................................................................................................13.4 主要材料...................................................................................................................24、施工工艺及方法............................................................................................................34.1 地基处理..................................................................................................................34.2 支架搭设..................................................................................................................34.3 安装底模、侧模、翼缘板模板及支座...................................................................54.4、支架的预压............................................................................................................54.4.1 预压...................................................................................................................54.4.2 沉降观测..........................................................................................................64.5 安装底板及腹板钢筋...............................................................................................74.6 安装内模、端头模板......................................................................................

1、当您付费下载文档后,您只拥有了使用权限,并不意味着购买了版权,文档只能用于自身使用,不得用于其他商业用途(如 [转卖]进行直接盈利或[编辑后售卖]进行间接盈利)。
2、本站所有内容均由合作方或网友上传,本站不对文档的完整性、权威性及其观点立场正确性做任何保证或承诺!文档内容仅供研究参考,付费前请自行鉴别。
3、如文档内容存在违规,或者侵犯商业秘密、侵犯著作权等,请点击“违规举报”。

碎片内容

xx匝道桥现浇箱梁支架方案

您可能关注的文档

确认删除?
VIP
微信客服
  • 扫码咨询
会员Q群
  • 会员专属群点击这里加入QQ群
客服邮箱
回到顶部