电脑桌面
添加小米粒文库到电脑桌面
安装后可以在桌面快捷访问

xx工程外墙防水方案OK

xx工程外墙防水方案OK_第1页
1/9
xx工程外墙防水方案OK_第2页
2/9
xx工程外墙防水方案OK_第3页
3/9
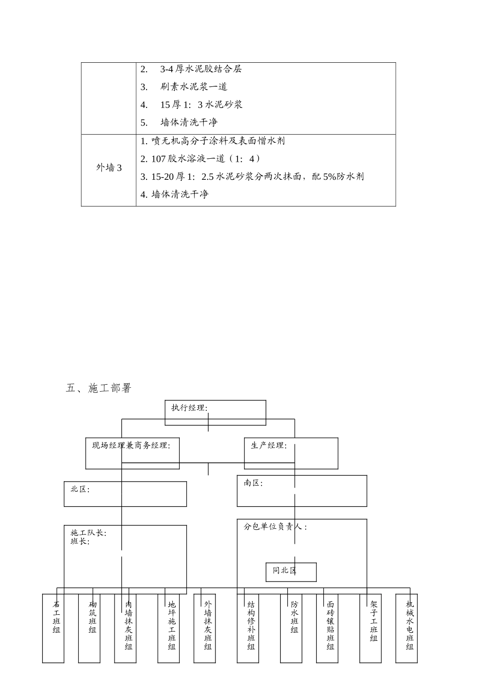
xx 工程外墙防水方案 OK xx 工程为商业、住宅综合楼,位于 x 区,总建筑面积 38992.32m2,其中南区建筑面积为 14730.36m2,顶标高为 32.77m,地下室为车库,夹层为自行车库,1 至 11 层为住宅,标准层分为三个单元,每单元 328.97 m2,层高 2.8 m;北区建筑面积 24261.96 m2,顶标高 57.47 m,地下室为车库及设备用房,1 层为商场、会所及住宅入口,2-19 层为标准层,分为两栋塔式楼,1#楼和 2#楼建筑面积单层差不多上 487.51 m2,2-8 层层高为2.8 m,9-19 层层高为 2.9 m。编制依据《混凝土结构工程施工质量验收法律规范》 GB50204-2025《建筑装饰装修工程质量验收法律规范》 GB50210-2001《混凝土质量操纵标准》 GB50164-92《地下防水工程质量验收法律规范》 GB50208-2025《地下工程防水技术法律规范》 GB50108-2001《建筑工程质量检验评定标准》 GBJ301-88《建筑施工高处作业及安全技术法律规范》 JGJ80-91《建筑分项工程施工工艺标准》 《深圳市非承重混凝土小型空心砌块墙体技术规程》《广东省建筑防水工程技术规程》 DBJ15-19-97xx 工程结构、建筑施工图及有关设计变更《xx 工程主分包施工合同》编制讲明结构期间的混凝土施工、外墙砌筑、内外墙抹灰、外墙面砖镶贴的施工质量都直截了当关系到外墙防渗漏的结果,必须严格根据设计图纸、技术法律规范和地点有关标准进行,具体的施工预备、操作工艺、质量标准和成品爱护在此不再赘述,详见《xx 工程主体结构施工组织设计》、《xx工程粗装修施工方案》和《xx 工程外装修施工方案》,本方案只侧重于各个环节在防渗漏方面的技术要求和措施。由于造成渗漏的缘故是多方面的,只要其中一个环节显现咨询题,就可能产生渗漏。因此,本工程外墙防渗漏遵循层层设防、多道设防、重点部位重点设防的原则,在施工中要求各级治理人员和施工队伍必须严格根据方案执行。外墙建筑做法 外墙建筑做法列表外墙 11. 干挂磨光/毛面花岗岩2. 25-30 厚花岗岩板,板材拼逢处加胶3. 3 厚不锈钢支架(间隙 60mm),用 M12 膨胀螺栓固定4. 墙体外墙 21. 8-10 厚面砖,1:1 水泥砂浆勾缝2.3-4 厚水泥胶结合层3.刷素水泥浆一道4.15 厚 1:3 水泥砂浆5.墙体清洗干净外墙 31. 喷无机高分子涂料及表面憎水剂2. 107 胶水溶液一道(1:4)3. 15-20 厚 1:2.5 水泥砂浆分两次抹面,配 5%防水剂4. 墙体清洗干净五、施工部署执行经理:北区:南区:现场经理...

1、当您付费下载文档后,您只拥有了使用权限,并不意味着购买了版权,文档只能用于自身使用,不得用于其他商业用途(如 [转卖]进行直接盈利或[编辑后售卖]进行间接盈利)。
2、本站所有内容均由合作方或网友上传,本站不对文档的完整性、权威性及其观点立场正确性做任何保证或承诺!文档内容仅供研究参考,付费前请自行鉴别。
3、如文档内容存在违规,或者侵犯商业秘密、侵犯著作权等,请点击“违规举报”。

碎片内容

xx工程外墙防水方案OK

津创媒+ 关注
实名认证
内容提供者

欢迎交流文创,小店资料希望满足您的需要。

确认删除?
VIP
微信客服
  • 扫码咨询
会员Q群
  • 会员专属群点击这里加入QQ群
客服邮箱
回到顶部