电脑桌面
添加小米粒文库到电脑桌面
安装后可以在桌面快捷访问

三管高压旋喷桩防渗墙施工方案

三管高压旋喷桩防渗墙施工方案_第1页
1/9
三管高压旋喷桩防渗墙施工方案_第2页
2/9
三管高压旋喷桩防渗墙施工方案_第3页
3/9
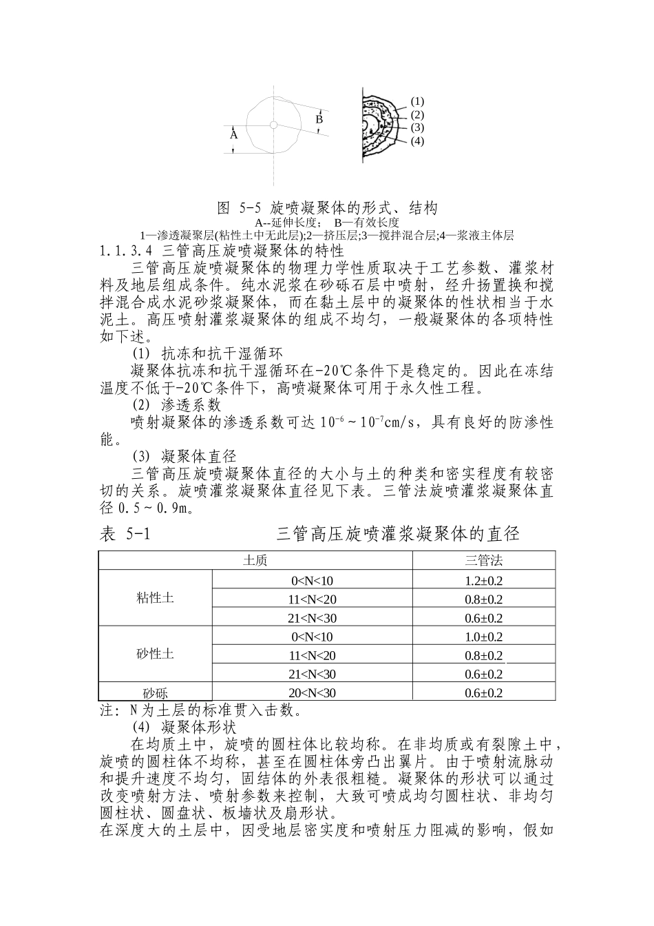
1.1 三管高压旋喷桩防渗墙施工方案1.1.1 概述三管高压旋喷桩施工要求为: (1) 三管高压旋喷桩旋喷桩径 Φ1200,桩距 1000,桩身偏斜率不大于 0.5%。 (2) 高压旋喷桩材料采纳 32.5 普通硅酸盐水泥,水灰比 1:1。 (3) 高压旋喷桩灌浆压力 20~30MPa,具体压力需现场试验确定。旋喷灌浆时提速 8~10cm/min,高压水流量 80L/min,压气流量1200L/min,喷浆浆液流量 80~120L/min。喷射管分段提升搭接长度不得小于 100mm。 (4) 喷射孔与高压注浆泵的距离不大于 50m,钻孔的位置与设计的位置偏差不得大于 50mm。 (5) 检测点的数量为施工孔数的 1%,并不小于 3 点,质量检验在高压喷射注浆结束 28d 后进行。1.1.2 施工安排根据施工总进度要求,拟安排 1 套旋喷桩施工机械设备进行三管高压旋喷桩施工。1.1.3 三管高压旋喷防渗墙工艺1.1.3.1 三管高喷灌浆施工工艺流程1)准备工作:“三通一平”后,在大坝三管高压旋喷防渗墙施工轴线一侧布置二个水泥平台及灌浆平台,沿防渗墙轴线布设宽度不小于 8.0m 的工作面,按《高压旋喷防渗墙孔位平面布置图》在防渗墙轴线上测定出高喷孔位,并做好标记。孔位定出后,即可进行钻机、高喷台车就位和安装调试设备,为正式施工做准备。2) 泥浆制备:由于地层主要为大坝填筑土,将采纳泥浆护壁造孔,泥浆制备采纳优质粘土造浆,泥浆比重控制在 1.08~1.2,粘度 17~20s,胶体率>90%,含砂量<4%。3) 钻孔:采纳 PH-5B 型深层搅拌桩机钻进,孔径 φ150mm,采纳泥浆护壁正循环钻进,孔深按设计要求控制,施工时分二序孔进行,钻孔过程中应注意控制泥浆的比重,避开出现塌孔及埋钻现象,控制孔斜率<1.0%。4) 高压旋喷:根据设计要求,采纳三重管并列式喷射管,喷射管长度大于孔深,一次提升喷射完毕,保证防渗墙的连续性与完整性。图 5-3 三管高压旋喷法施工工艺流程(a)钻机就位钻孔;(b)钻孔至设计标高;(c)旋喷开始;(d)边旋喷边提升;(e)旋喷结束成桩;1—钻孔机械;2—高压泥浆泵;3—高压胶管1.1.3.2 高压喷射灌浆施工流程图施工程序为钻孔、下置喷射管、喷射提升、成桩成板或成墙等。图 5-4 高压喷射灌浆施工流程图1.1.3.3 三管高压旋喷凝聚体的形状三管高压旋喷凝聚体的形状与喷射形式有关。旋转喷射时,喷嘴一面提升、一面旋转,形成柱状凝聚体。旋喷凝聚体如下图所示。图中延伸长度 A 是喷射中心至凝聚体边缘的最大长度。有效长度 B 是喷射中心至凝聚体的均...

1、当您付费下载文档后,您只拥有了使用权限,并不意味着购买了版权,文档只能用于自身使用,不得用于其他商业用途(如 [转卖]进行直接盈利或[编辑后售卖]进行间接盈利)。
2、本站所有内容均由合作方或网友上传,本站不对文档的完整性、权威性及其观点立场正确性做任何保证或承诺!文档内容仅供研究参考,付费前请自行鉴别。
3、如文档内容存在违规,或者侵犯商业秘密、侵犯著作权等,请点击“违规举报”。

碎片内容

三管高压旋喷桩防渗墙施工方案

您可能关注的文档

确认删除?
VIP
微信客服
  • 扫码咨询
会员Q群
  • 会员专属群点击这里加入QQ群
客服邮箱
回到顶部