电脑桌面
添加小米粒文库到电脑桌面
安装后可以在桌面快捷访问

不停电电源装置安装分部

不停电电源装置安装分部_第1页
1/14
不停电电源装置安装分部_第2页
2/14
不停电电源装置安装分部_第3页
3/14
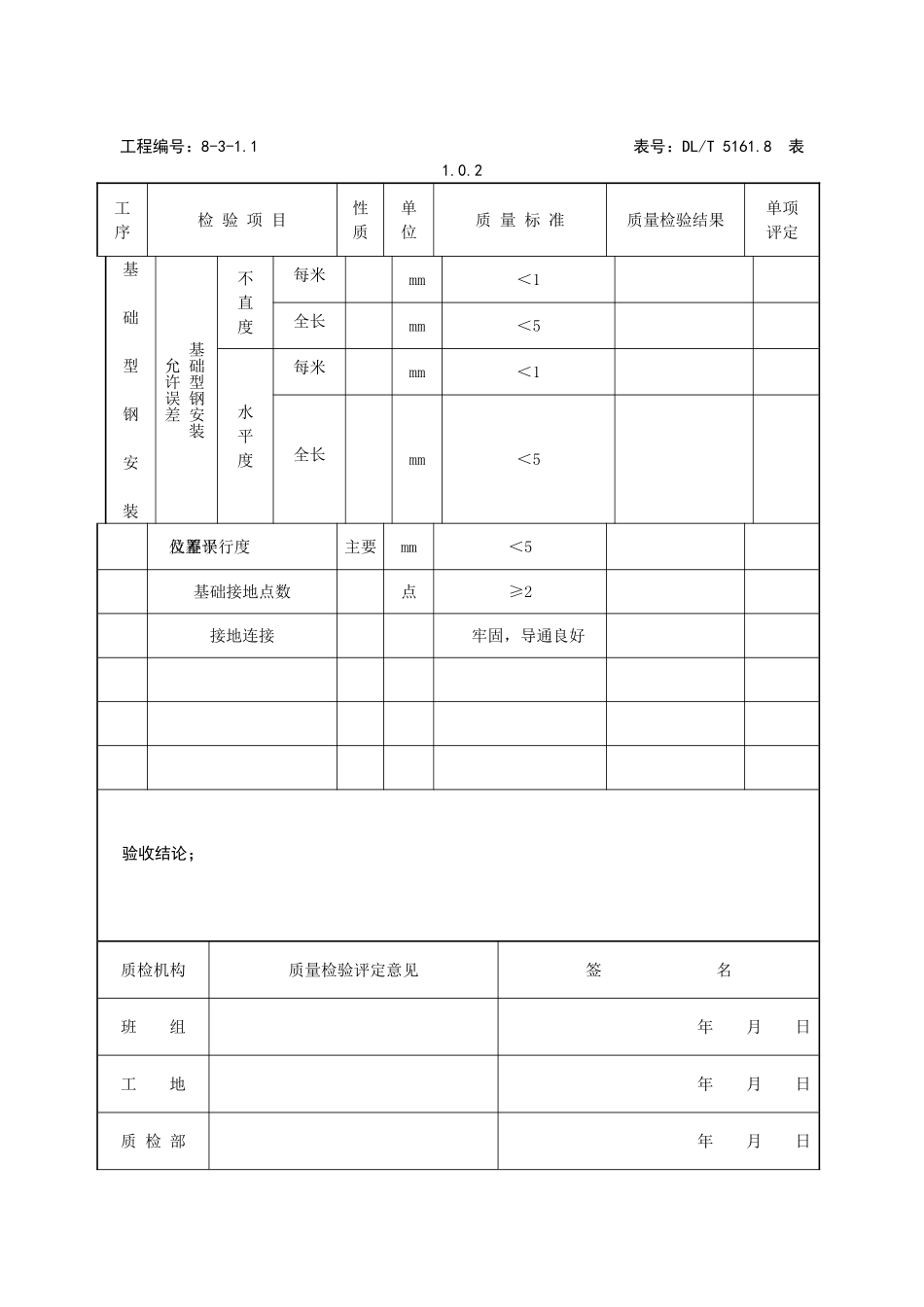
不停电电源装置安装 分部工程质量验收评定表工程编号:8-3 表号:DL/T 5161.1 表 4.0.2序 号分 项 工 程 名 称性质评定结果备 注1不停电电源装置安装1盘、柜基础安装2整流逆变类盘柜安装2配电盘安装1盘、柜基础安装2PC 盘安装3低压断路器、低压接触器及电动机启动器检查4MCC 盘安装3母线安装主要4二次回路检查及接线验收结论:质检机构质量验收评定意见签 名工 地 年 月 日质 检 部 年 月 日监 理 年 月 日建设单位 年 月 日盘、柜基础安装 分项工程质量检验评定表工程编号:8-3-1.1 表号:DL/T 5161.8 表1.0.2工序检 验 项 目性质单位质 量 标 准质量检验结果单项评定基础型钢安装基础型钢安装允许误差不直度每米mm<1全长mm<5水平度每米mm<1全长mm<5位置误差及不平行度主要mm<5基础接地点数点≥2接地连接 牢固,导通良好 验收结论;质检机构质量检验评定意见签 名班 组年 月 日工 地年 月 日质 检 部年 月 日监 理年 月 日整流逆变类盘柜安装 分项工程质量检验评定表工程编号:8-3-1.2 表号:DL/T 5161.13 表2.0.2工序检 验 项 目性质单位质 量 标 准质量检验结果单项评定柜体安装垂直度主要 mm/m<1.5固定牢固震动场所的防震措施可靠柜体接地有防震垫的柜体接地每列盘有两点以上明显接地装有电器的可开启屏门接地用可挠导线可靠接地底架与基础接触主要导通良好插件板、端子扳检查无断裂、变形插接式扁平电缆电缆理顺整齐无死弯接触簧片弹性主要充足插件镀银层检查完好,清洁螺接导线检查无松动焊接导线检查主要无脱焊、碰壳、短路印刷线路板检查干净,无腐蚀整流组件固定主要固定牢固,在散热器接触面上涂硅脂风冷系统安装检查叶片外观完好无裂纹变形绝缘电阻值主要MΩ≥0.5风机旋转方向正确 验收结论:质检机构质量检验评定意见签 名班 组年 月 日工 地年 月 日质 检 部年 月 日监 理年 月 日配电盘基础安装 分项工程质量检验评定表工程编号:8-3-2.1 表号:DL/T 5161.8 表1.0.2工序检 验 项 目性质单位质 量 标 准质量检验结果单项评定基础型钢安装基础型钢安装允许误差不直度每米mm<1全长mm<5水平度每米mm<1全长mm<5位置误差及不平行度主要mm<5基础接地点数点≥2接地连接 牢固,导通良好 验收结论;质检机构质量检验评定意见签 名班 组年 月 日工 地年 月 日质 检 部年 月 日监 理年 月 日配电盘安装 分项工程质量...

1、当您付费下载文档后,您只拥有了使用权限,并不意味着购买了版权,文档只能用于自身使用,不得用于其他商业用途(如 [转卖]进行直接盈利或[编辑后售卖]进行间接盈利)。
2、本站所有内容均由合作方或网友上传,本站不对文档的完整性、权威性及其观点立场正确性做任何保证或承诺!文档内容仅供研究参考,付费前请自行鉴别。
3、如文档内容存在违规,或者侵犯商业秘密、侵犯著作权等,请点击“违规举报”。

碎片内容

不停电电源装置安装分部

您可能关注的文档

确认删除?
VIP
微信客服
  • 扫码咨询
会员Q群
  • 会员专属群点击这里加入QQ群
客服邮箱
回到顶部