电脑桌面
添加小米粒文库到电脑桌面
安装后可以在桌面快捷访问

东南大学模电单级低频放大器扩展实验

东南大学模电单级低频放大器扩展实验_第1页
1/6
东南大学模电单级低频放大器扩展实验_第2页
2/6
东南大学模电单级低频放大器扩展实验_第3页
3/6
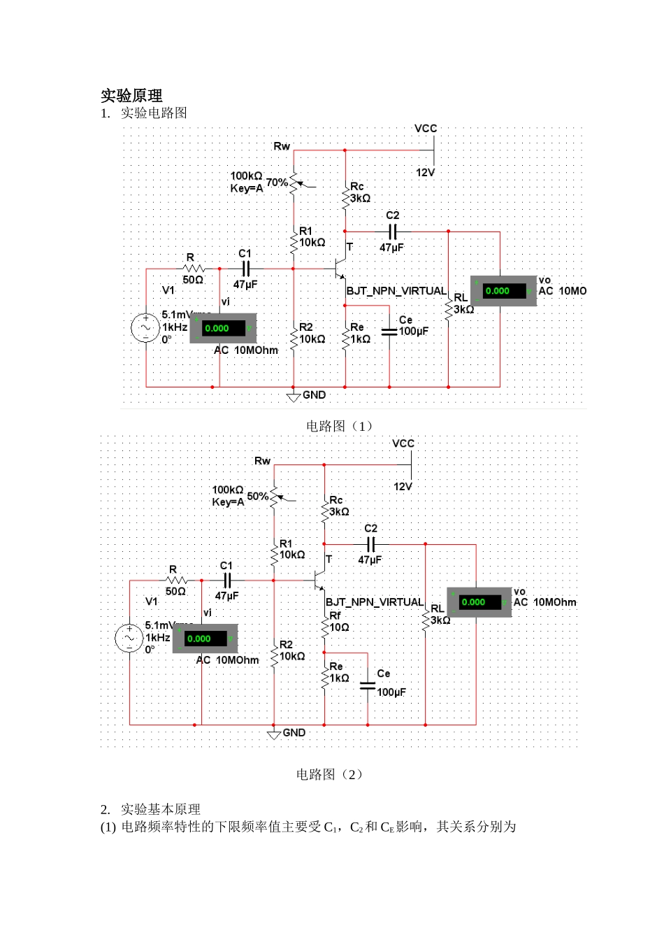
东南大学电工电子实验中心实验报告学号: 姓名: 第 4 次实验名称:单级低频电压放大器(扩展)提交报告时间:2025 年 04 月 24 日完成名次:成绩: 审批老师: 2025 年 月 日实验目的1. 掌握幅频特性等的基本概念以及测量方法2. 了解负反馈对放大电路特性的影响实验原理1. 实验电路图电路图(1)电路图(2)2. 实验基本原理(1) 电路频率特性的下限频率值主要受 C1,C2和 CE影响,其关系分别为 (2) 幅频特性曲线、上限频率、下限频率、截止频率中心频率、带宽的测量方法 (a)单级放大器放大特性 (b)低通特性 (c)高通特性 (d)带通特性幅频特性反应了电路增益和频率之间的关系,上图列出了常见的幅频特性类型。 (a)和(d)中的 fL表示下限频率,fH表示上限频率,(d)中的 f0表示中心频率,带宽 BW=fH-fL; (b)和(c)中的 f0表示截止频率。在实验中可采纳“逐点法”测量不同频率时的电压放大倍数 AV来测量幅频特性。测量时,保持输入信号幅度不变,改变输入信号频率,每改变一次信号频率,用沟通毫伏表或示波器测量一个输出电压值,计算其增益,然后将测试数据列表、整理并在坐标纸上将其连接成曲线。由于函数发生器的输出信号幅度在不同的频率会有变化,因此每改变一次频率都要用沟通毫伏表或示波器测量输入信号的幅度,一定要保证输入信号的幅度不改变。为了更快更准确的测量幅频特性,必须根据不同幅频特性类型,选择不同的测量技巧。对于(a)可先测出中频区的输出电压值,然后调高或调低频率使输出电压降到中频电压值的 0.707 倍,从而找到 fL和 fH,然后在 fL和 fH之间和左右找3 至 5 个点进行测量,即可较准确的绘制曲线。(b)和(c)也可参考这种方式来测量。对于(d)可从较低的频率值逐步增加频率,用沟通毫伏表或示波器测量输出信号,刚开始输出信号幅度随着频率的增加而增加,当增加到某一个频率时,输出信号幅度随着频率的增加开始减小,则该频率为中心频率,记下该频率对应的幅度,然后调高或调低频率使输出电压降到中心频率电压的 0.707 倍,从而找到 fL和 fH。预习思考:1、 对于小信号放大器来说一般希望上限频率足够大,下限频率足够小,根据您所学的理论知识,分析有哪些方法可以增加图 1 中放大电路的上限频率,那些方法可以降低下限频率。答:降低下限频率应增大 RS ,C1,C2或 CE,降低 IBQ.2、 负反馈对放大器性能的影响答:引入沟通负反馈后,放大器的电压放大倍数将下降,其表达...

1、当您付费下载文档后,您只拥有了使用权限,并不意味着购买了版权,文档只能用于自身使用,不得用于其他商业用途(如 [转卖]进行直接盈利或[编辑后售卖]进行间接盈利)。
2、本站所有内容均由合作方或网友上传,本站不对文档的完整性、权威性及其观点立场正确性做任何保证或承诺!文档内容仅供研究参考,付费前请自行鉴别。
3、如文档内容存在违规,或者侵犯商业秘密、侵犯著作权等,请点击“违规举报”。

碎片内容

东南大学模电单级低频放大器扩展实验

您可能关注的文档

一二三四传媒+ 关注
实名认证
内容提供者

大量资料供您选择,没有合适的可以联系小二。

确认删除?
VIP
微信客服
  • 扫码咨询
会员Q群
  • 会员专属群点击这里加入QQ群
客服邮箱
回到顶部