电脑桌面
添加小米粒文库到电脑桌面
安装后可以在桌面快捷访问

二副坝高压摆喷灌浆施工方案

二副坝高压摆喷灌浆施工方案_第1页
1/9
二副坝高压摆喷灌浆施工方案_第2页
2/9
二副坝高压摆喷灌浆施工方案_第3页
3/9
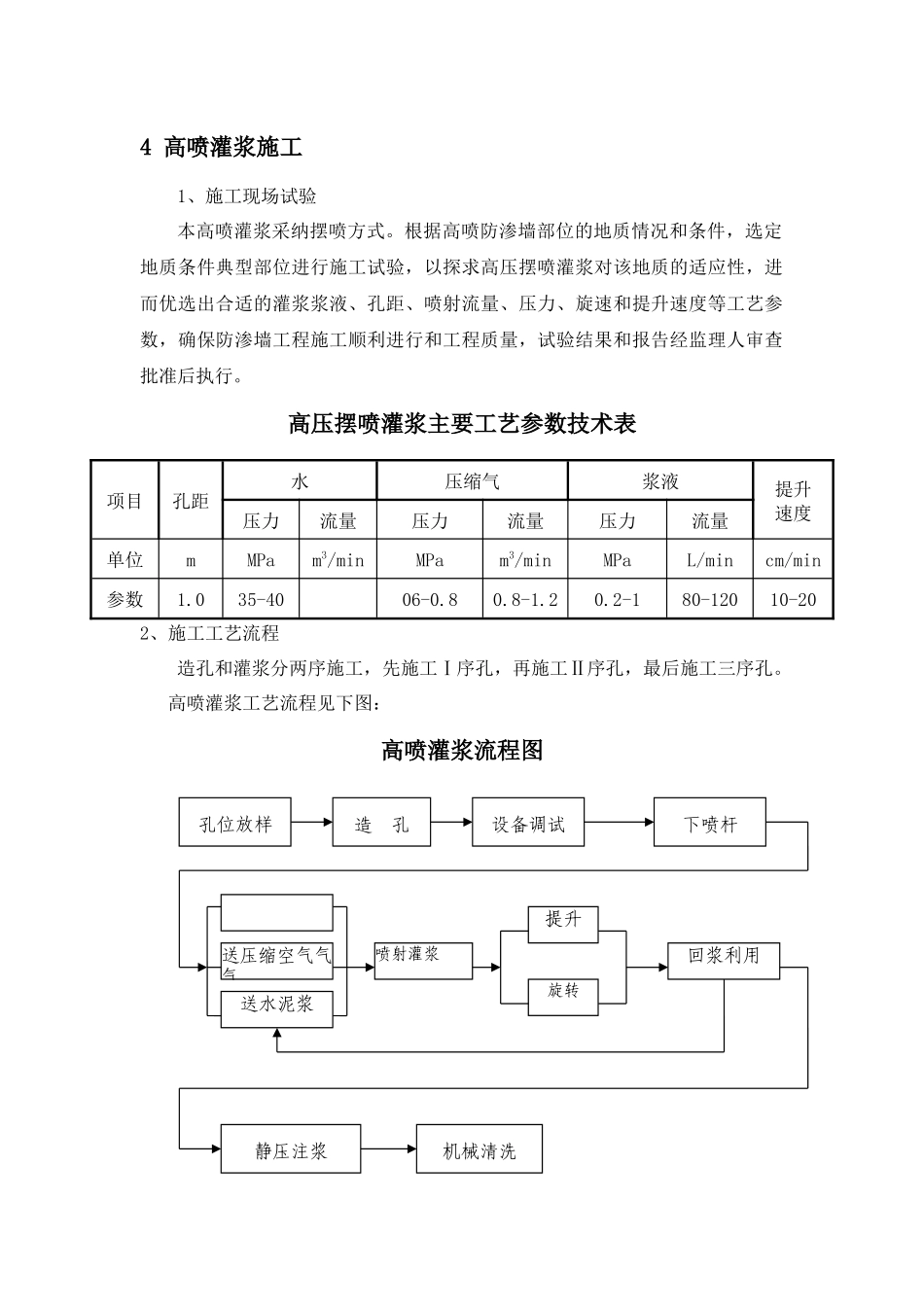
高压摆喷灌浆施工技术方案1 概述本工程高压摆喷灌浆施工采纳三管法,灌浆分三序孔施工。高喷灌浆孔距 1.0m,灌浆孔摆角 25°。高压摆喷灌高程要求深化岩土分界线以下 0.5m。2 施工现场布置(1)施工场地:对二副坝坝顶平台场地进行整平、碾压,以保证喷灌台车施工。(2)制浆系统:配备 1 台 ZJ-400 型高速搅拌机和 1 台 J-800 型储浆搅拌机拌制水泥浆满足现场高喷需要。(3)施工用水直接从水库抽取供应到一口 2m3的水箱中,高喷时满足高压水泵和搅拌水泥浆的需要。(4)施工用电用 200KW 的柴油机发电。(5)布置按距离施工场地就近为原则。在坝顶布置 1 座制浆站,占地面积35m2。采纳钢管搭制,四周用彩条布围护,油毛毡盖顶,制浆站内设水泥仓库和灰台,水泥堆放平台采纳脚手架管搭制,距地面约 1m,上铺脚手板,制浆站四周设排水沟,以排除制浆过程中产生的废水废浆。(6)排污:现场分别设置排污沟,在高喷施工现场附近偏下游侧挖一个集中排污坑,将废水、废浆排至集水坑中。3 灌浆材料 (1)水泥高压喷射浆液采纳普通硅酸盐水泥拌制,水泥强度等级为 42.5 级。每批水泥按要求进行检测,符合设计要求方可使用。(2)水灌浆用水应符合拌制水工砼用水要求,并满足 DL/T5200-2025 的有关规定。(3)灌浆浆液灌浆浆液采纳纯水泥浆。4 高喷灌浆施工1、施工现场试验本高喷灌浆采纳摆喷方式。根据高喷防渗墙部位的地质情况和条件,选定地质条件典型部位进行施工试验,以探求高压摆喷灌浆对该地质的适应性,进而优选出合适的灌浆浆液、孔距、喷射流量、压力、旋速和提升速度等工艺参数,确保防渗墙工程施工顺利进行和工程质量,试验结果和报告经监理人审查批准后执行。高压摆喷灌浆主要工艺参数技术表项目孔距水压缩气浆液提升速度压力流量压力流量压力流量单位mMPam3/minMPam3/minMPaL/mincm/min参数1.035-4006-0.80.8-1.20.2-180-12010-202、施工工艺流程造孔和灌浆分两序施工,先施工Ⅰ序孔,再施工Ⅱ序孔,最后施工三序孔。高喷灌浆工艺流程见下图:高喷灌浆流程图机械清洗静压注浆喷射灌浆回浆利用提升旋转送水泥浆送压缩空气气气下喷杆设备调试造 孔孔位放样3、施工方法(1)施工准备1)对施工现场进行平整,对低洼和表部松散部位回填、夯实和加固,以满足施工机械行走的需要。2)测量放样;根据设计桩位布置现场控制点,由技术人员现场放出具体孔位并明确标识、孔位中心偏差不大于 3cm。3)水、电、气及制浆系统...

1、当您付费下载文档后,您只拥有了使用权限,并不意味着购买了版权,文档只能用于自身使用,不得用于其他商业用途(如 [转卖]进行直接盈利或[编辑后售卖]进行间接盈利)。
2、本站所有内容均由合作方或网友上传,本站不对文档的完整性、权威性及其观点立场正确性做任何保证或承诺!文档内容仅供研究参考,付费前请自行鉴别。
3、如文档内容存在违规,或者侵犯商业秘密、侵犯著作权等,请点击“违规举报”。

碎片内容

二副坝高压摆喷灌浆施工方案

您可能关注的文档

确认删除?
VIP
微信客服
  • 扫码咨询
会员Q群
  • 会员专属群点击这里加入QQ群
客服邮箱
回到顶部