电脑桌面
添加小米粒文库到电脑桌面
安装后可以在桌面快捷访问

住宅小区搭吊施工应急方案

住宅小区搭吊施工应急方案_第1页
1/5
住宅小区搭吊施工应急方案_第2页
2/5
住宅小区搭吊施工应急方案_第3页
3/5
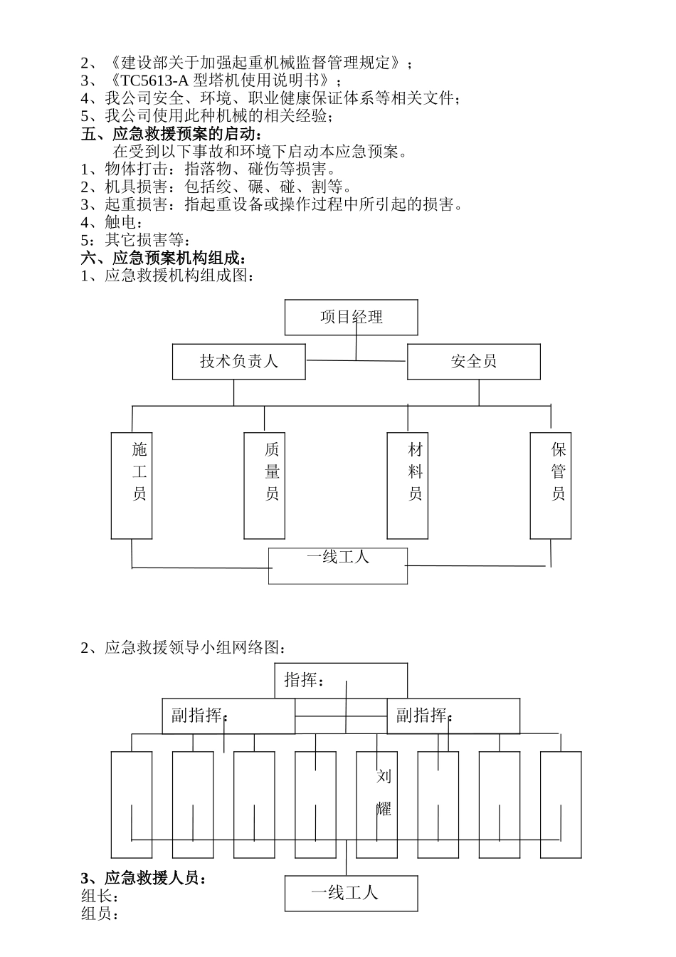
目 录一、工程概况:...................................................................................................2二、塔吊概况:...................................................................................................2三、编制目的:...................................................................................................2四、编制依据:...................................................................................................2五、应急救援预案的启动:...............................................................................3六、应急预案机构组成:...................................................................................3七、塔吊正常使用注意事项:...........................................................................4八、突发、重大事故的应急救援措施:...........................................................5九、事故教训总结与教育及现场的整顿:.......................................................8十、防范措施的制定和整改措施的落实:.......................................................9一、工程概况:本工程为厦门市中航城·国际社区(A 区)A1、A2 地块施工总承包工程,位于厦门市集美区杏林湾。本工程为大型房地产项目,投入资金大,同时开工的栋数多,地下室建筑面积庞大,总建筑面积暂定约 15 万平方米,其中地下室约 30000 平米,地上部分多层(5 层以下)9 栋,约 35000平米,高层(31 层约 99 米)5 栋,约为 70000 平米,超高层(140 米)1栋,约 15000 平米。二、塔吊概况:本工程采纳厦门雄耀建筑机械有限公司生产的 TC5613-A 型塔式起重机,该塔机最大起重重量为 6T,基本臂最大幅度为 56 米,最大幅度时起重量为 1.3T。平衡臂长度为 13 米,额定起重力矩 63 吨米,最大起重力矩为 80 吨米,自由起升高度为 40 米,最大起升速度为 80m/min,最大变幅速 度 为 44/22m/min , 回 转 速 度 为 0 ~ 0.70 r/min 。 塔 机 基 础 尺 寸 为5.50x5.50x1.35 米;标准节为 1.800m×1.800m,长 4.00m,自升式。总功率为 35kw。本工程 A1、A2 地块目前共采纳 4 台 TC5613-A 型塔式起重机,共计划采纳 7 台塔吊。具体布置位置详见施...

1、当您付费下载文档后,您只拥有了使用权限,并不意味着购买了版权,文档只能用于自身使用,不得用于其他商业用途(如 [转卖]进行直接盈利或[编辑后售卖]进行间接盈利)。
2、本站所有内容均由合作方或网友上传,本站不对文档的完整性、权威性及其观点立场正确性做任何保证或承诺!文档内容仅供研究参考,付费前请自行鉴别。
3、如文档内容存在违规,或者侵犯商业秘密、侵犯著作权等,请点击“违规举报”。

碎片内容

住宅小区搭吊施工应急方案

您可能关注的文档

确认删除?
VIP
微信客服
  • 扫码咨询
会员Q群
  • 会员专属群点击这里加入QQ群
客服邮箱
回到顶部