电脑桌面
添加小米粒文库到电脑桌面
安装后可以在桌面快捷访问

供应商后评估问卷

供应商后评估问卷_第1页
1/11
供应商后评估问卷_第2页
2/11
供应商后评估问卷_第3页
3/11
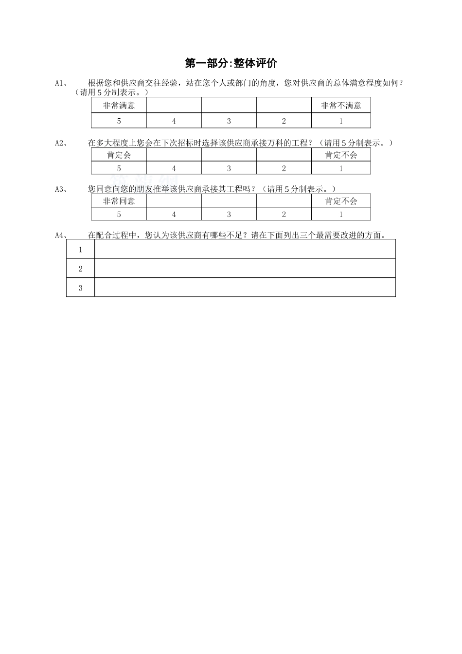
供应商后评估问卷各位职员,你们好!为了加强对供应商的管理,对供应商从合同签定到项目竣工阶段的表现进行全面客观的评价,我们正在进行“200*年度万科供应商后评估”。本评估希望了解您对与万科合作的供应商的评价及要求,从而使我们及供应商能够更好地改进各自的工作。在填写问卷之前,我们请您注意以下要点:1、我们的问卷分为“整体评价”、“供应商服务”、“供应商材料交付管理”、“供应商质量控制”四个部分。为了准确地收集各方意见,我们建议您根据自身的感受和认知来填写这份问卷。2、选择题是问卷中的主要题目类型,请您直接在选中的答案代码上打钩或者划圈。选择题我们采纳了 5 分制打分或单选制,请您在回答之前认真看看 5 分分别表达的意思。3、没有特别说明的选择题,都是单选题,请您选择唯一答案。4、注明多选的选择题,您可以根据具体情况选择一个或多个答案。5、开放题采纳问答题形式,请您根据问题的内容有针对性地、尽可能详尽地写出您的意见。为了让我们能够更准确地理解您希望表达的意见,请您书写尽量工整。6、为确保评价的全面性,对所有问题请您尽量回答,对确实不了解或者无法回答的问题,请您注明。7、问卷填写完成后,请您检查有无漏填、错填。对于问卷的填写您有什么疑虑和问题,请联系如下电话: 为保证调查结果的准确,请您充分发表意见。您的意见将和其他职员的意见一起以整体报告的形式反馈,请您充分表达自己的看法。第一部分:整体评价A1、根据您和供应商交往经验,站在您个人或部门的角度,您对供应商的总体满意程度如何?(请用 5 分制表示。)非常满意非常不满意54321A2、在多大程度上您会在下次招标时选择该供应商承接万科的工程?(请用 5 分制表示。)肯定会肯定不会54321A3、您同意向您的朋友推举该供应商承接其工程吗?(请用 5 分制表示。)非常同意肯定不会54321A4、在配合过程中,您认为该供应商有哪些不足?请在下面列出三个最需要改进的方面。123第二部分:供应商服务您对供应商在与万科的合作过程中所提供的服务满意吗?请认真回忆一下该公司与万科合作过程中所发生的事情,然后回答以下问题:1.总体来说,您对供应商的“服务”满意吗?(请用 5 分制表示)非常满意非常不满意543211.1您对供应商在以下“服务态度”方面的表现满意吗?(请用 5 分制表示)非常满意非常不满意543211.1.1该供应商的高层领导对与万科合作的重视程度( )1. 不重视,即使万科管理人员要求其协调有...

1、当您付费下载文档后,您只拥有了使用权限,并不意味着购买了版权,文档只能用于自身使用,不得用于其他商业用途(如 [转卖]进行直接盈利或[编辑后售卖]进行间接盈利)。
2、本站所有内容均由合作方或网友上传,本站不对文档的完整性、权威性及其观点立场正确性做任何保证或承诺!文档内容仅供研究参考,付费前请自行鉴别。
3、如文档内容存在违规,或者侵犯商业秘密、侵犯著作权等,请点击“违规举报”。

碎片内容

供应商后评估问卷

确认删除?
VIP
微信客服
  • 扫码咨询
会员Q群
  • 会员专属群点击这里加入QQ群
客服邮箱
回到顶部