电脑桌面
添加小米粒文库到电脑桌面
安装后可以在桌面快捷访问

供应商管理工程师职务说明书

供应商管理工程师职务说明书_第1页
1/1
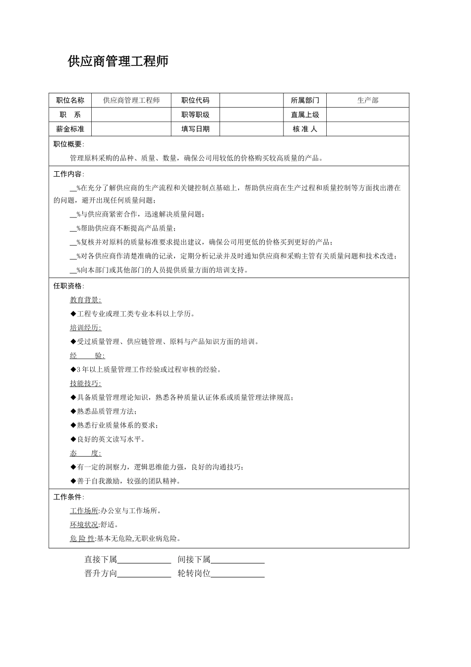
供应商管理工程师职位名称供应商管理工程师职位代码所属部门生产部职 系职等职级直属上级薪金标准填写日期核 准 人职位概要:管理原料采购的品种、质量、数量,确保公司用较低的价格购买较高质量的产品。工作内容: %在充分了解供应商的生产流程和关键控制点基础上,帮助供应商在生产过程和质量控制等方面找出潜在的问题,避开出现任何质量问题; %与供应商紧密合作,迅速解决质量问题; %帮助供应商不断提高产品质量; %复核并对原料的质量标准要求提出建议,确保公司用更低的价格买到更好的产品; %对各供应商作清楚准确的记录,定期分析记录并及时通知供应商和采购主管有关质量问题和技术改进; %向本部门或其他部门的人员提供质量方面的培训支持。任职资格:教育背景:◆工程专业或理工类专业本科以上学历。培训经历:◆受过质量管理、供应链管理、原料与产品知识方面的培训。经 验 : ◆3 年以上质量管理工作经验或过程审核的经验。技能技巧 : ◆具备质量管理理论知识,熟悉各种质量认证体系或质量管理法律规范;◆熟悉品质管理方法;◆熟悉行业质量体系的要求;◆良好的英文读写水平。态 度 : ◆有一定的洞察力,逻辑思维能力强,良好的沟通技巧;◆善于自我激励,较强的团队精神。工作条件:工作场所:办公室与工作场所。环境状况:舒适。危 险 性 :基本无危险,无职业病危险。直接下属 间接下属 晋升方向 轮转岗位

1、当您付费下载文档后,您只拥有了使用权限,并不意味着购买了版权,文档只能用于自身使用,不得用于其他商业用途(如 [转卖]进行直接盈利或[编辑后售卖]进行间接盈利)。
2、本站所有内容均由合作方或网友上传,本站不对文档的完整性、权威性及其观点立场正确性做任何保证或承诺!文档内容仅供研究参考,付费前请自行鉴别。
3、如文档内容存在违规,或者侵犯商业秘密、侵犯著作权等,请点击“违规举报”。

碎片内容

供应商管理工程师职务说明书

您可能关注的文档

确认删除?
VIP
微信客服
  • 扫码咨询
会员Q群
  • 会员专属群点击这里加入QQ群
客服邮箱
回到顶部