电脑桌面
添加小米粒文库到电脑桌面
安装后可以在桌面快捷访问

动力及环境监控程序安装维护手册

动力及环境监控程序安装维护手册_第1页
1/63
动力及环境监控程序安装维护手册_第2页
2/63
动力及环境监控程序安装维护手册_第3页
3/63
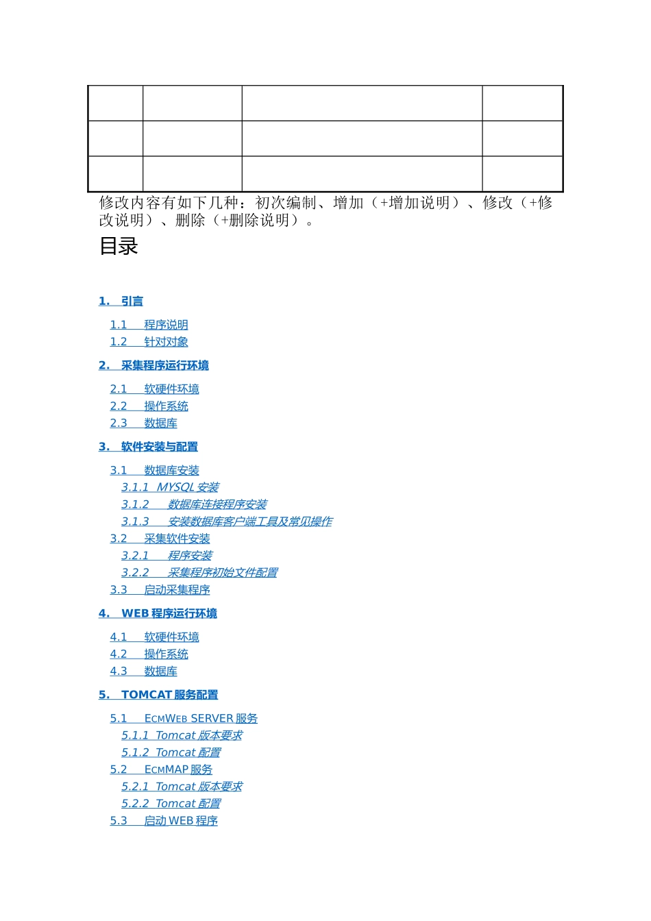
项目名称:文件编号:动力与环境监控系统程序安装维护手册浙江网新电气技术有限公司编制会签审核批准发布日期本文件版权属于本公司所有,未经许可,不得复制引用文档版本修改历史版本日期修改内容作者V1.02025-12-13初次编制曹沃财修改内容有如下几种:初次编制、增加(+增加说明)、修改(+修改说明)、删除(+删除说明)。目录1. 引言 1.1 程序说明 1.2 针对对象 2. 采集程序运行环境 2.1 软硬件环境 2.2 操作系统 2.3 数据库 3. 软件安装与配置 3.1 数据库安装 3.1.1 MYSQL 安装 3.1.2 数据库连接程序安装 3.1.3 安装数据库客户端工具及常见操作 3.2 采集软件安装 3.2.1 程序安装 3.2.2 采集程序初始文件配置 3.3 启动采集程序 4. WEB 程序运行环境 4.1 软硬件环境 4.2 操作系统 4.3 数据库 5. TOMCAT 服务配置 5.1 ECMWEB SERVER 服务 5.1.1 Tomcat 版本要求 5.1.2 Tomcat 配置 5.2 ECMMAP 服务 5.2.1 Tomcat 版本要求 5.2.2 Tomcat 配置 5.3 启动 WEB 程序 6. 启动浏览器 7. 设备配置 7.1 站点管理配置 7.2 设备管理配置 7.3 点位信息配置 7.4 设备告警配置 7.5 告警信息配置 7.6 机房管理配置 8. 系统图片配置 8.1 图片云配置 9. 监控配置 9.1 虚拟设备配置 9.2 显示设备配置 9.3 设备排序配置 10. 组配置 10.1 组配置 11. 显示图配置 11.1 机房底图配置 11.2 机房设备图配置 12. 系统常遇到的问题及处理 12.1 防火墙允许程序运行采集程序 12.2 采集程序能正常启动的前提 12.3 防火墙开启的前提下, WEB 不能访问 12.4 WEB 监控页中无法显示地图 12.5 浏览器要求 12.6 录像下载存放的地址 12.7 TOMCAT 启动后,端口冲突检测 12.8 同一台设备上无法启动两个 TOMCAT 服务 (SERVER 和 MAP) 12.9 TOMCAT 无法启动 (ERROR……) 12.10 紫金港登录界面特别配置 12.11 MYSQL 安装向导提示未响应,无法安装成功 12.12 某站实时告警中含有其他站的告警信息 12.13 云图片存储的路径 1.引言1.1 程序说明本系统平台由浙江网新电气技术有限公司为浙江大学紫金港东区配电系统智慧集成监管平台,通过平台的视频监控能及时了解配电间的实时情况,实时监控各低压开关状态,对各配电间用电量数据收集并通过实行技术或行为节能,改善用电环境和条件,提高供电能力、设备工效和电网运行稳定性。该系统由设...

1、当您付费下载文档后,您只拥有了使用权限,并不意味着购买了版权,文档只能用于自身使用,不得用于其他商业用途(如 [转卖]进行直接盈利或[编辑后售卖]进行间接盈利)。
2、本站所有内容均由合作方或网友上传,本站不对文档的完整性、权威性及其观点立场正确性做任何保证或承诺!文档内容仅供研究参考,付费前请自行鉴别。
3、如文档内容存在违规,或者侵犯商业秘密、侵犯著作权等,请点击“违规举报”。

碎片内容

动力及环境监控程序安装维护手册

您可能关注的文档

文旅传媒+ 关注
实名认证
内容提供者

传播文化,成就未来

确认删除?
VIP
微信客服
  • 扫码咨询
会员Q群
  • 会员专属群点击这里加入QQ群
客服邮箱
回到顶部