电脑桌面
添加小米粒文库到电脑桌面
安装后可以在桌面快捷访问

动力站设备搬运技术交底

动力站设备搬运技术交底_第1页
1/4
动力站设备搬运技术交底_第2页
2/4
动力站设备搬运技术交底_第3页
3/4
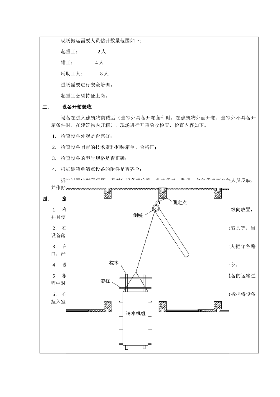
表 C1-3 技术交底记录 No:工程名称交底部位动力站设备搬运工程编号日 期交底内容:一.概况冷水机组安装在 6# 建筑(动力站)内 9 轴半~12 轴之间,一期安装 3 台,位置在 9 轴半~11轴之间,并排摆放。设备进入建筑物的预留洞口在 10 轴附近,洞口宽度约 6 米,高度大于 5 米。冷水机组的总吊装重量将近 20 吨,设备的外形尺寸为 5800*2711*3029(长*宽*高)。设备带底排高度估量应将近 3.5 米。将 3 台设备运进建筑物内后,准备就位安装。根据情况确定是否在建筑物内开箱。二.搬运准备准备1.搬运机具设备吊装机具设备表序号名 称规格型号单位数量备 注1倒链5 吨个42倒链2 吨个23跨顶5 吨个24千斤顶5 吨个25滚杠Φ89*10*3500根186垫木厚 200根107索具套18测量工具套12.人员现场搬运需要人员估计数量范围如下:起重工: 2 人钳工: 4 人辅助工人: 8 人进场需要进行安全培训。起重工必须持证上岗。三.设备开箱验收设备在进入建筑物前或后(当室外具备开箱条件时,在建筑物外面开箱;当室外不具备开箱条件时,在建筑物内开箱),现场进行开箱验收检查,检查内容如下。1.检查设备外观是否完好;2.检查设备附带的技术资料和装箱单、合格证;3.检查设备的型号规格是否正确;4.根据装箱单清点设备的附件是否齐全;拆箱过程中发现问题,及时向设备供应商、业主代表、监理、总包代表等有关人员反映,并作好记录(拍照等)。四.搬运1. 利用卸车用的吊车,在卸货的同时将设备吊放在设备进入建筑物的预留口处,纵向放置,并且使尽量多的部分放在建筑物内。2. 在卸车前,应做好水平位移的一切准备,铺好枕木以及滚杠,并安装好倒链及索具等,当设备落地后,及时将其水平移动到建筑物内适当的位置。3. 在设备运输全过程都应受到严格的监控,施工现场周围设置警戒带,并设专人把守各路口,严禁行人经过。安全人员对吊装过程进行严格的监视。4. 设备运输过程由专人统一指挥,手势和口令清楚明确,其他人员严禁发任何命令。5. 根据设备安装说明书的要求位置固定索具,并作好设备的保护措施,避开在设备的运输过程中对设备造成损坏。 6. 在设备放下前,准备好枕木和滚杠,然后将设备放于滚杠上,再利用倒链配合撬棍将设备拉入室内,见下面示意图。水平移动方式示意图7. 设备在运进过程中,利用跨顶配合撬棍对滚杠进行调整,控制冷水机组的行进方向。8. 假如在室内开箱时,当 3 台冷水机组都运进建...

1、当您付费下载文档后,您只拥有了使用权限,并不意味着购买了版权,文档只能用于自身使用,不得用于其他商业用途(如 [转卖]进行直接盈利或[编辑后售卖]进行间接盈利)。
2、本站所有内容均由合作方或网友上传,本站不对文档的完整性、权威性及其观点立场正确性做任何保证或承诺!文档内容仅供研究参考,付费前请自行鉴别。
3、如文档内容存在违规,或者侵犯商业秘密、侵犯著作权等,请点击“违规举报”。

碎片内容

动力站设备搬运技术交底

一二三四传媒+ 关注
实名认证
内容提供者

大量资料供您选择,没有合适的可以联系小二。

确认删除?
VIP
微信客服
  • 扫码咨询
会员Q群
  • 会员专属群点击这里加入QQ群
客服邮箱
回到顶部