电脑桌面
添加小米粒文库到电脑桌面
安装后可以在桌面快捷访问

化工工程施工组织设计P

化工工程施工组织设计P_第1页
1/9
化工工程施工组织设计P_第2页
2/9
化工工程施工组织设计P_第3页
3/9
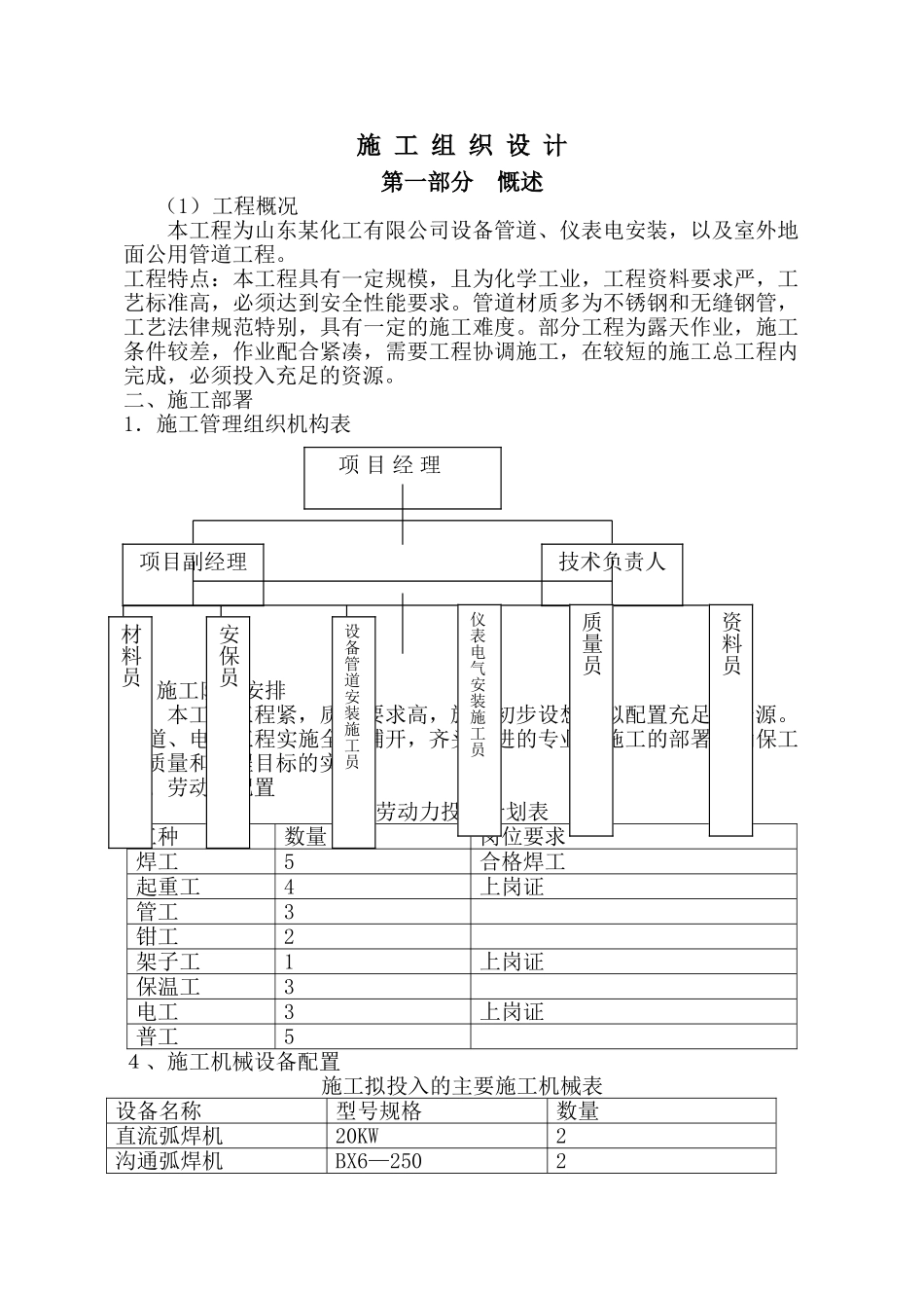
施 工 组 织 设 计第一部分 慨述(1)工程概况本工程为山东某化工有限公司设备管道、仪表电安装,以及室外地面公用管道工程。工程特点:本工程具有一定规模,且为化学工业,工程资料要求严,工艺标准高,必须达到安全性能要求。管道材质多为不锈钢和无缝钢管,工艺法律规范特别,具有一定的施工难度。部分工程为露天作业,施工条件较差,作业配合紧凑,需要工程协调施工,在较短的施工总工程内完成,必须投入充足的资源。二、施工部署1.施工管理组织机构表2、施工队伍安排本工程工程紧,质量要求高,施工初步设想,拟配置充足的资源。管道、电气工程实施全面铺开,齐头并进的专业化施工的部署,确保工程质量和工程目标的实现。3、劳动力配置劳动力投入计划表工种数量岗位要求焊工5合格焊工起重工4上岗证管工3钳工2架子工1上岗证保温工3电工3上岗证普工54、施工机械设备配置施工拟投入的主要施工机械表设备名称型号规格数量直流弧焊机20KW2沟通弧焊机BX6—2502项 目 经 理项目副经理技术负责人材料员安保员设备管道安装施工员仪表电气安装施工员质量员资料员氩弧焊机WS—4002切割机φ4002台钻Z131电动试压泵SY—401磨光机角向3等离子切割机LG—40E25、施工总工期和进度安排施工总工期:确定施工总工期为 90 天。注:在完成系统验收和单机试运转后,积极配合业主投料试生产。6、施工临时设施本工程规模较大,工期紧迫,施工临时设施原则简易有用,满足工程质量和施工安全的要求。配电:施工用电量约 120KW,配电箱符合施工安全用电规定供水:DN40 供水管道第二部分 专业施工方案一、压力管道安装方案本工程管材分为无缝钢管和镀锌钢管,输送蒸汽、水、压缩空气、导热油、物料等介质;其中蒸汽管道和压缩空气、导热油管道为压力管道。1、施工准备操作人员以管工、电焊工、气焊工为主、起重工、油漆工、保温工种工种配合。2、施工用料:按材料计划备好用料,及时送到现场,能达到配套及陆续供应。主要材料为无缝钢管、镀锌钢管、阀门、法兰盖等材料。3、主要施工机具:施工机具主要为叉车、电焊机、砂轮切割机、弯管机、电动试压泵、气焊工具、空气压缩机、手握砂轮机、水平尺、扳手、管钳、水捶等。4、施工工艺A、管道预制 预制要在平台上进行,预制尺寸按修正的管段图进行,并留有调整余地,保证运输及吊装条件,标上标识,敝口要及时封堵。预制组合段应有足够的刚度与强度,否则应有临时加固措施,必要时应标出吊装索具捆扎点的...

1、当您付费下载文档后,您只拥有了使用权限,并不意味着购买了版权,文档只能用于自身使用,不得用于其他商业用途(如 [转卖]进行直接盈利或[编辑后售卖]进行间接盈利)。
2、本站所有内容均由合作方或网友上传,本站不对文档的完整性、权威性及其观点立场正确性做任何保证或承诺!文档内容仅供研究参考,付费前请自行鉴别。
3、如文档内容存在违规,或者侵犯商业秘密、侵犯著作权等,请点击“违规举报”。

碎片内容

化工工程施工组织设计P

确认删除?
VIP
微信客服
  • 扫码咨询
会员Q群
  • 会员专属群点击这里加入QQ群
客服邮箱
回到顶部