电脑桌面
添加小米粒文库到电脑桌面
安装后可以在桌面快捷访问

医院医用气体管路的设计计算

医院医用气体管路的设计计算_第1页
1/16
医院医用气体管路的设计计算_第2页
2/16
医院医用气体管路的设计计算_第3页
3/16
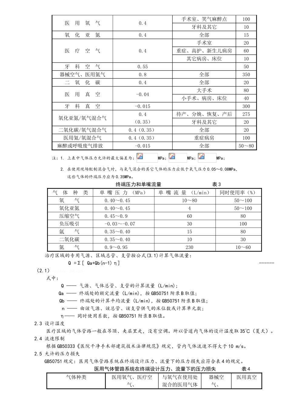
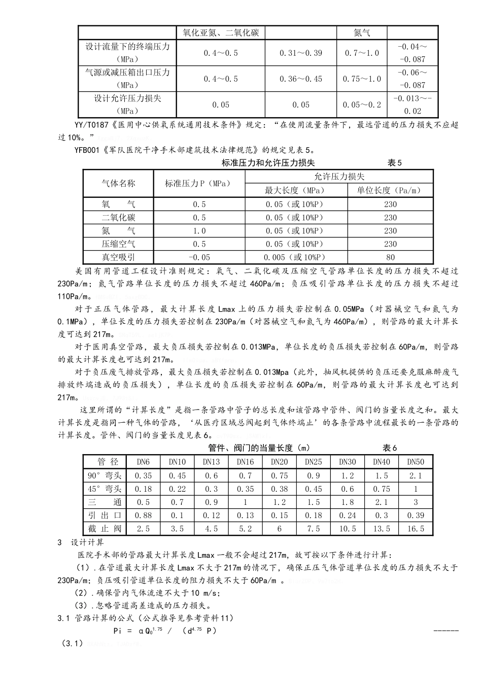
医院医用气体管路的设计计算 航空部第六 0 四讨论所 高级工程师 袁明华关键词:Medical gas 医用气体 Piping design 管道设计本文根据 GB50751-2025 《医用气体工程技术法律规范》、GB50333-2025 《医院干净手术部建筑技术法律规范》、YFB001-《军队医院干净手术部建筑技术法律规范》等现行国家标准和专业标准设计了一套医用气体管路计算用表——《管道最大许用流量表》和《管道尺寸选择表》,可供医用气体工程有关人员参考。nQ2xXHV。ZGpODJp。In this disquisition I bring forward a set of designed tables. They can be used for to design medical gas pipeline system in nosocomial medical zone.This paper give a reference to engineering and technical personnel .SG5VWYQ。KRE0sxH。1 前言 本文所说的“医疗区域”是指门诊部、急救部、手术部、医技部、住院部、妇产科、生殖中心、牙科等直接为病人服务的场所。bKVksId。FUi590B。一个完整的医用气体供应系统一般由气源、输气管路(由管子、阀门、减压器、终端设备等组成)、监测报警装置等部分组成。其中医用氧气站、医用空气站、医用真空站等出于安全和集中管理等原因往往不设置在医疗区域内,它们提供的医用气体是通过输气干管输送到各医疗区域的。各医疗区域的管路系统与输气干管相连接的总管上一般都装有区域总阀、二级减压箱和区域总压报警装置。用气量较少的氧化亚氮、二氧化碳、医用氮气、氩气、氦气等医用气体一般是由设置在医疗区域附近的气体汇流排供给的。这些气体是手术部、妇产科专用的,其使用压力可在气体汇流排内直接调定。医疗区域的管路系统由区域总阀开始,到终端设备结束。它不包括输气干管,但包括从气体汇流排到医疗区域的输气管路。JyqNktS。4vVFYtM。医用气体管路计算包括医用氧气、氧化亚氮(笑气)、氩气、医用氮气、医用空气、二氧化碳、医用真空和麻醉废气排放管路的计算。计算的内容包括两个方面:O5FGATM。LAuk6OE。(1).在已知气体种类、压力、流量的情况下,求所需要的管径;(2).在已知气体种类、压力、管径的情况下,求管子允许的最大流量。 本文详细介绍了《管道最大设计流量表》和《管道尺寸选择表》的编制方法以及它们在医用气体管路计算中的运用。F2Uu6Lw。Q8gyhfN。2 设计假定2.1 设计压力计算管子内径时,正压气体取气体终端处的额定压力;真空管道取管道内的平均压力。例如真空泵...

1、当您付费下载文档后,您只拥有了使用权限,并不意味着购买了版权,文档只能用于自身使用,不得用于其他商业用途(如 [转卖]进行直接盈利或[编辑后售卖]进行间接盈利)。
2、本站所有内容均由合作方或网友上传,本站不对文档的完整性、权威性及其观点立场正确性做任何保证或承诺!文档内容仅供研究参考,付费前请自行鉴别。
3、如文档内容存在违规,或者侵犯商业秘密、侵犯著作权等,请点击“违规举报”。

碎片内容

医院医用气体管路的设计计算

文森传品+ 关注
实名认证
内容提供者

一家传播文化教育的小店,资料丰富,随意挑选。

确认删除?
VIP
微信客服
  • 扫码咨询
会员Q群
  • 会员专属群点击这里加入QQ群
客服邮箱
回到顶部