电脑桌面
添加小米粒文库到电脑桌面
安装后可以在桌面快捷访问

升降平台设计方法

升降平台设计方法_第1页
1/4
升降平台设计方法_第2页
2/4
升降平台设计方法_第3页
3/4
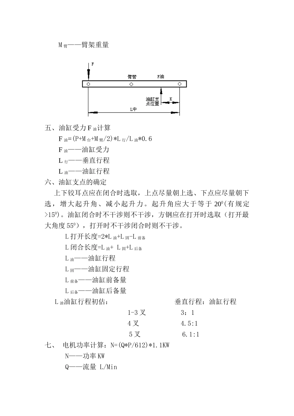
升降台设计步骤一、用户参数:1、载荷:P kg2、台面尺寸:A*B (长*宽)mm23、垂直行程:L 行 mm4、最低高度:L 底 mm (用户无特别要求以常规制作)5、起升速度:V 升 米/分 (用户无特别要求以 4-6 米/分设计,载荷大取小值,反之取大值。)6、下降速度:V 下 米/分 (用户无特别要求 V 下米/分≤上升速度)二、跟据台面长度选臂叉中心距。 臂叉最大中心距 L 中=A-(C1+C2) C1——固定铰耳侧距离 C2——滚轮侧距离三、跟据垂直行程确定叉数叉数 n=(L 行+L 底)/L 中*sin55 (n 为整数)四、臂管强度计算σs ≥F*(L 中-K)/Wxσs——材料屈服极限F——臂管最大受力Wx——臂管截面模量F=(P+M 台+M 臂/2)/2P——载荷M 台——台面重量M 臂——臂架重量五、油缸受力 F 油计算F 油=(P+M 台+M 臂/2)*L 行/L 油*0.6F 油——油缸受力L 行——垂直行程L 油——油缸行程六、油缸支点的确定 上下铰耳点应在闭合时选取,上点尽量朝上选、下点应尽量朝下选,增大起升角、减小起升力。起升角应大于等于 200(有规定>150)。油缸闭合时不干涉则不干涉,方钢应在打开时选取(打开最大角度 550),打开时不干涉闭合时则不干涉。 L 打开长度=2*L 油+L 固-L 前备 L 闭合长度=L 油+ L 固+L 后备 L 油——油缸行程 L 固——油缸固定行程 L 前备——油缸前备量 L 后备——油缸后备量 L 油油缸行程初估: 垂直行程:油缸行程 1-3 叉 3:1 4 叉 4.5:15 叉 6.1:1七、 电机功率计算:N=(Q*P/612)*1.1KWN——功率 KWQ——流量 L/MinP——压力 Bar八、 剪叉式臂杆带铰斜置油缸举升力计算;(摘自机械工程手册液压升降机)式中: mn-额定起升重量(t)m1-工作台重量(t)m2-升降机构重量(t)N-升降机构级数图中 L,l, L1, L2,d,a 按结构需要确定,AB,AO,BO,β1,β2根据图中已定参数求得。θ 角为变量。剪叉式臂杆带铰斜置液压缸举升力计算图(以上步骤及方法仅供参考)

1、当您付费下载文档后,您只拥有了使用权限,并不意味着购买了版权,文档只能用于自身使用,不得用于其他商业用途(如 [转卖]进行直接盈利或[编辑后售卖]进行间接盈利)。
2、本站所有内容均由合作方或网友上传,本站不对文档的完整性、权威性及其观点立场正确性做任何保证或承诺!文档内容仅供研究参考,付费前请自行鉴别。
3、如文档内容存在违规,或者侵犯商业秘密、侵犯著作权等,请点击“违规举报”。

碎片内容

升降平台设计方法

确认删除?
VIP
微信客服
  • 扫码咨询
会员Q群
  • 会员专属群点击这里加入QQ群
客服邮箱
回到顶部