电脑桌面
添加小米粒文库到电脑桌面
安装后可以在桌面快捷访问

单位及柴油发电机组安装分部

单位及柴油发电机组安装分部_第1页
1/5
单位及柴油发电机组安装分部_第2页
2/5
单位及柴油发电机组安装分部_第3页
3/5
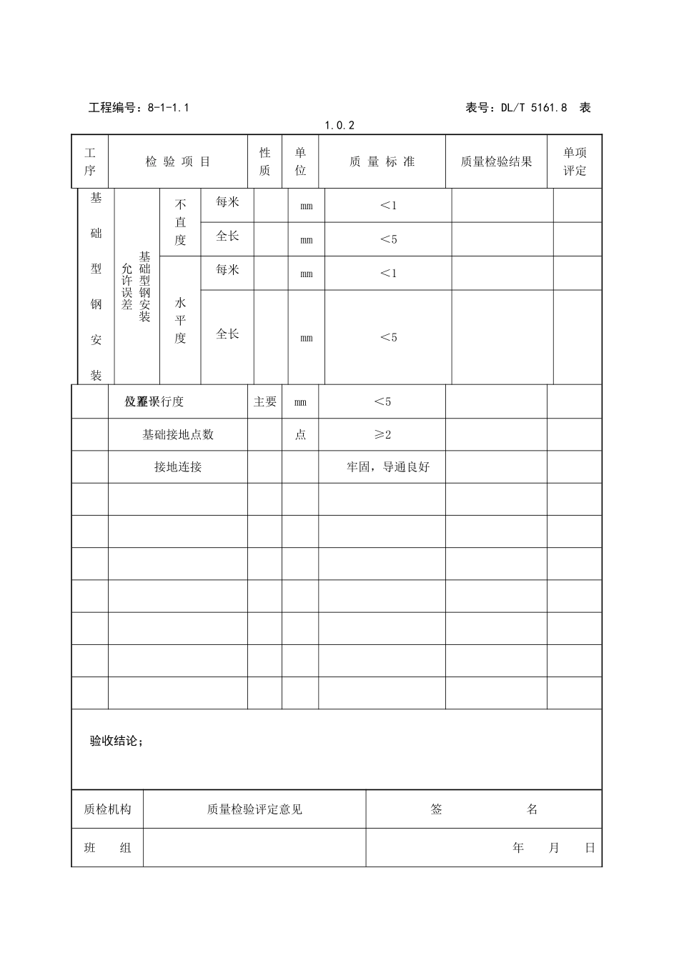
保安电源设备安装 单位工程质量验收评定表工程编号:8 表号:DL/T 5161.1 表 4.0.3序号分 部 工 程 名 称评定结果备 注1柴油发电机组安装2柴油发电机自投试验3不停电电源装置安装10事故保安电源带电试运应 有 资 料 份实 有 资 料 份资料核查结论有未因施工的原因造成设备严重损坏有未发生过因接地及短路事故造成设备严重损坏有未发生过电动机烧毁事故分部试运中,有未因电气的原因而造成设备严重损坏验收结论:质检机构质量验收评定意见签 名工 地 年 月 日质 检 部 年 月 日监 理 年 月 日建设单位 年 月 日柴油发电机组安装 分部工程质量验收评定表工程编号:8-1 表号:DL/T 5161.1 表 4.0.2序 号分 项 工 程 名 称性质评定结果备 注1控制屏安装1盘、柜基础安装2盘、柜安装验收结论:质检机构质量验收评定意见签 名工 地 年 月 日质 检 部 年 月 日监 理 年 月 日建设单位 年 月 日盘、柜基础安装 分项工程质量检验评定表工程编号:8-1-1.1 表号:DL/T 5161.8 表1.0.2工序检 验 项 目性质单位质 量 标 准质量检验结果单项评定基础型钢安装基础型钢安装允许误差不直度每米mm<1全长mm<5水平度每米mm<1全长mm<5位置误差及不平行度主要mm<5基础接地点数点≥2接地连接 牢固,导通良好 验收结论;质检机构质量检验评定意见签 名班 组年 月 日工 地年 月 日盘、柜安装 分项工程质量检验评定表工程编号:8-1-1.2 表号:DL/T 5161.8 表5.0.2工序检 验 项 目性质单位质 量 标 准质量检验结果单项评定盘柜安装相邻两盘顶部误差㎜<2相邻两盘边误差㎜<1盘间连接主要㎜牢固,缝隙 <2盘柜接地底架与基础间接触主要牢固,导通良好有防震垫的盘接地每段盘有两点以上明显接地装有电器可开启屏门的接地用软铜导线可靠接地 验收结论:质检机构质量检验评定意见签 名班 组年 月 日工 地年 月 日质 检 部年 月 日监 理年 月 日

1、当您付费下载文档后,您只拥有了使用权限,并不意味着购买了版权,文档只能用于自身使用,不得用于其他商业用途(如 [转卖]进行直接盈利或[编辑后售卖]进行间接盈利)。
2、本站所有内容均由合作方或网友上传,本站不对文档的完整性、权威性及其观点立场正确性做任何保证或承诺!文档内容仅供研究参考,付费前请自行鉴别。
3、如文档内容存在违规,或者侵犯商业秘密、侵犯著作权等,请点击“违规举报”。

碎片内容

单位及柴油发电机组安装分部

确认删除?
VIP
微信客服
  • 扫码咨询
会员Q群
  • 会员专属群点击这里加入QQ群
客服邮箱
回到顶部