电脑桌面
添加小米粒文库到电脑桌面
安装后可以在桌面快捷访问

单层工业厂房课程设计

单层工业厂房课程设计_第1页
1/42
单层工业厂房课程设计_第2页
2/42
单层工业厂房课程设计_第3页
3/42
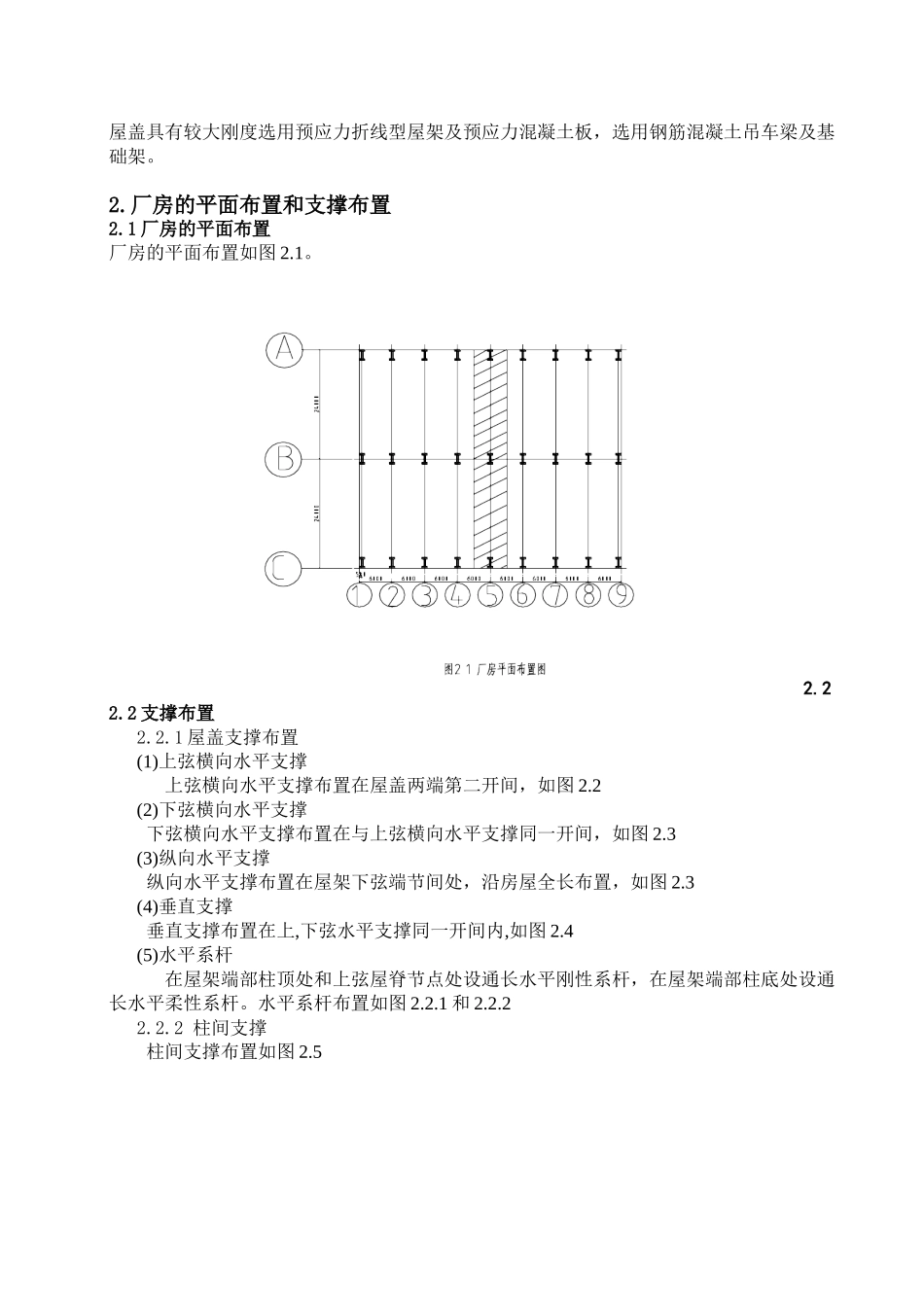
1.设计资料和结构选型某金工车间立、平面布置如图 1.1.1 和 1.1.2 所示车间总长 48 米,柱距除端部为 5.5 米外,其余均为 6 米,跨度 24 米+24 米,每跨设有 2 台吊车,吊车工作制级别为 A5 级,轨顶标高为 9.3 米,吊车起重量 20/5t、15/3t 。屋面做法:三毡四油防水层上铺小豆石,20mm 厚水泥沙浆找平层,100mm 厚泡沫混凝土保温层,20mm 厚水泥砂浆。外墙墙厚240mm,每开间侧窗面积 24 平方米,钢窗,无天窗,室内外高差 150mm,素混凝土地面。厂房所在地点的基本风压为 0.5KN/m2,地区类别为 B 类;屋面活载为 0.5KN/m2。 因该厂房跨度在 15-36m 之间,且柱顶标高大于 8m,故采纳钢筋混凝土排架结构,为了使屋盖具有较大刚度选用预应力折线型屋架及预应力混凝土板,选用钢筋混凝土吊车梁及基础架。2.厂房的平面布置和支撑布置2.1 厂房的平面布置厂房的平面布置如图 2.1。2.22.2 支撑布置2.2.1 屋盖支撑布置(1)上弦横向水平支撑上弦横向水平支撑布置在屋盖两端第二开间,如图 2.2(2)下弦横向水平支撑下弦横向水平支撑布置在与上弦横向水平支撑同一开间,如图 2.3(3)纵向水平支撑纵向水平支撑布置在屋架下弦端节间处,沿房屋全长布置,如图 2.3(4)垂直支撑垂直支撑布置在上,下弦水平支撑同一开间内,如图 2.4(5)水平系杆在屋架端部柱顶处和上弦屋脊节点处设通长水平刚性系杆,在屋架端部柱底处设通长水平柔性系杆。水平系杆布置如图 2.2.1 和 2.2.22.2.2 柱间支撑 柱间支撑布置如图 2.5符号说明:SC 上——上弦支撑;XC——下弦支撑;CC——垂直支撑;GG——刚性系杆;LG——柔性系杆;ZC—3 结构构件选型及柱截面尺寸确定因该厂房跨度是 24m,且柱顶标高大于 8m,故采纳钢筋混凝土排架结构.厂房的各构选型见表 3.1表 3.1 主要构件选型表构件名称标准图号选用型号允许荷载自重备注预应力面板G410(一)YWB-22.461.4自重包括灌缝重嵌板G410(二)KWB-12.51.75同上天沟板G410(三)TGB68-13.051.91同上屋架04G415-1YWJ24-1D3.5112.75kN/榀 , 屋 盖钢支 0.05屋架边缘高度1.65m吊车梁G323-2DL9B40.8kN/根梁高 1200LK16.5~28.5m基础梁G320JL-316.7kN/根轨道连接G325(二)0.8kN/m柱顶标高是 11.7 米,牛腿的顶面标高是 7.9 米 ,室内地面至基础顶面的距离 0.5 米,则计算简图中柱的总高度 H,下柱高度 Hl和上柱的高度 Hu 分别为:H=11.7m+0.5m=12.2m Hl=7.9m+0.5m=8.4m Hu=12.2m-8.4m=3...

1、当您付费下载文档后,您只拥有了使用权限,并不意味着购买了版权,文档只能用于自身使用,不得用于其他商业用途(如 [转卖]进行直接盈利或[编辑后售卖]进行间接盈利)。
2、本站所有内容均由合作方或网友上传,本站不对文档的完整性、权威性及其观点立场正确性做任何保证或承诺!文档内容仅供研究参考,付费前请自行鉴别。
3、如文档内容存在违规,或者侵犯商业秘密、侵犯著作权等,请点击“违规举报”。

碎片内容

单层工业厂房课程设计

您可能关注的文档

确认删除?
VIP
微信客服
  • 扫码咨询
会员Q群
  • 会员专属群点击这里加入QQ群
客服邮箱
回到顶部