电脑桌面
添加小米粒文库到电脑桌面
安装后可以在桌面快捷访问

南城县某机械化定点屠宰厂年处理生猪2万头新建项目附件

南城县某机械化定点屠宰厂年处理生猪2万头新建项目附件_第1页
1/19
南城县某机械化定点屠宰厂年处理生猪2万头新建项目附件_第2页
2/19
南城县某机械化定点屠宰厂年处理生猪2万头新建项目附件_第3页
3/19
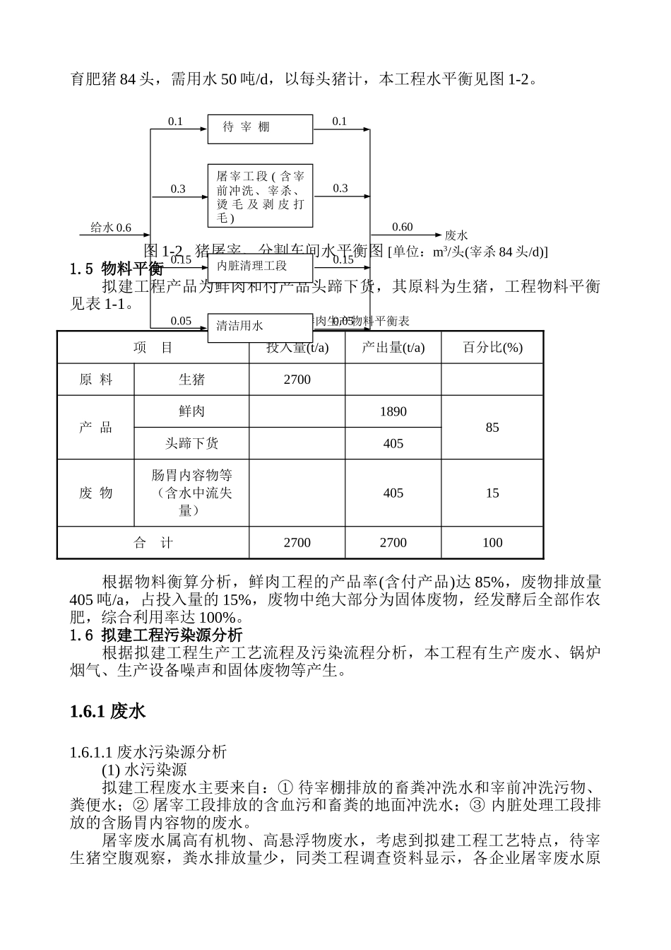
第一部分 工程分析1.1、企业概况随着人民生活水平的提高以及社会经济技术的进展,人们对肉食品的安全卫生越来越关注,根据国务院关于生猪屠宰管理条例的要求,推广使用机械化宰猪工艺,使南城县城郊市场的猪肉食品达到农业、卫生防疫和商业等相关部门的规定要求,确保市场上猪肉食品的安全与卫生,在南城县建昌镇南门外 100 号设立了定点屠宰车间,日屠宰生猪 85 头,厂区占地面积 3000 平方米,建筑面积约 1500 平方米。1.2 工程生产工艺整个生产工艺流程及污染源分布见下图图 1-1 屠宰加工工艺流程及污染流程图生猪运进厂后,入待宰间空腹观察 24 小时,宰前进入冲洗间冲洗,而后用电击晕后,落入水平宰杀放血输送机宰杀,宰杀后的猪用放血链吊挂由提升机入淋血、浸烫、打毛输送线经蒸汽烫毛机烫毛、打毛机打毛后落入水平接收台,再经提升机进入胴体加工输送线进行燎毛、抛光、开胸、去白内脏、去红内脏等工序,加工过程中,要进行旋毛虫检疫和红、白内脏及胴体同步检疫,及时发现有问题的猪加以处理,合格的猪胴体经修整后计量入快速冷却间,冷却 1.5 小时后,入排酸间排酸。1.3 能源消耗情况1.3.1 燃煤及电力用量电力动力需 20 千瓦/小时左右,有供电设施;燃料为原煤,每日耗煤约120 公斤,由一台茶水炉供应烫毛所需热水。1.3.2 给排水情况屠宰用水每天约 50 吨,由自备井供应,符合饮用水标准。1.4 水平衡根据本项目工程可行性讨论报告和同类工程类比调查,本工程每天宰杀待宰冲淋人工麻电刺杀放血清洗烫毛打毛废水排入 污水处理站血副 产 品燎毛抛光雕圈开胸去白内脏乱去红内脏乱内脏处理固体废物旋毛虫检疫劈半胴 体白内脏、红内脏同步检疫修整去头蹄计量分级快速冷却排 酸副产品分割间育肥猪 84 头,需用水 50 吨/d,以每头猪计,本工程水平衡见图 1-2。 图 1-2 猪屠宰、分割车间水平衡图 [单位:m3/头(宰杀 84 头/d)]1.5 物料平衡拟建工程产品为鲜肉和付产品头蹄下货,其原料为生猪,工程物料平衡见表 1-1。表 1-1 鲜肉生产物料平衡表项 目投入量(t/a)产出量(t/a)百分比(%)原 料生猪2700产 品鲜肉189085头蹄下货405废 物肠胃内容物等 (含水中流失量)40515合 计27002700100根据物料衡算分析,鲜肉工程的产品率(含付产品)达 85%,废物排放量405 吨/a,占投入量的 15%,废物中绝大部分为固体废物,经发酵后全部作农肥,综合利用率达 100%。1.6 拟建工程污染源分析根据拟建工程生...

1、当您付费下载文档后,您只拥有了使用权限,并不意味着购买了版权,文档只能用于自身使用,不得用于其他商业用途(如 [转卖]进行直接盈利或[编辑后售卖]进行间接盈利)。
2、本站所有内容均由合作方或网友上传,本站不对文档的完整性、权威性及其观点立场正确性做任何保证或承诺!文档内容仅供研究参考,付费前请自行鉴别。
3、如文档内容存在违规,或者侵犯商业秘密、侵犯著作权等,请点击“违规举报”。

碎片内容

南城县某机械化定点屠宰厂年处理生猪2万头新建项目附件

您可能关注的文档

确认删除?
VIP
微信客服
  • 扫码咨询
会员Q群
  • 会员专属群点击这里加入QQ群
客服邮箱
回到顶部