电脑桌面
添加小米粒文库到电脑桌面
安装后可以在桌面快捷访问

商业中心空调管线迁移施工方案

商业中心空调管线迁移施工方案_第1页
1/4
商业中心空调管线迁移施工方案_第2页
2/4
商业中心空调管线迁移施工方案_第3页
3/4
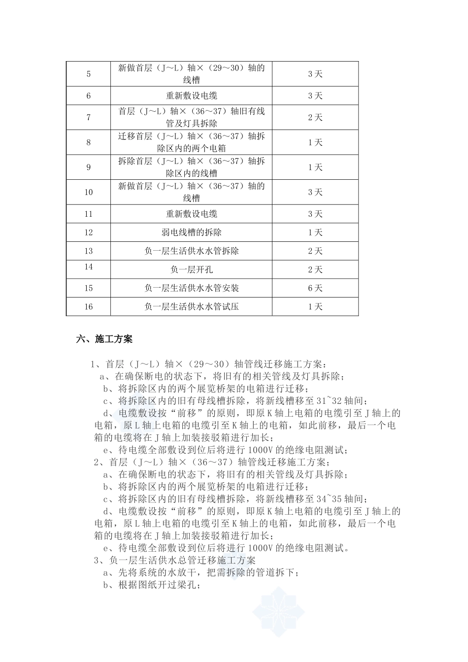
广州 XX 中心东区首层(J~L)轴×(29~30)轴、(J~L)轴×(36~37)轴管线迁移 施 工 方 案XXXXXXXXXXXXXXXXXXXXX二零一一年十一月管线迁移施工方案一、 编制依据 该施工方案编制依据:A、《JGJ16-2025 民用建筑电气设计法律规范》;B、《通风与空调工程施工质量验收法律规范》(GB -2025)C、《建筑安装工程施工质量验收统一标准》(GB -2001)D、《现场设备、工业管道焊接工程施工及验收法律规范》(GB -98);E、甲方提供的最终竣工图纸;二、 工程概况 工程简介:该工程项目为广州 XX 中心东区首层(J~L)轴×(29~30)轴、(J~L)轴×(36~37)轴 1 层与 2 层间增设电梯(自动扶梯)洞口,该区域首层需进行管线迁移,面积共计约为 150m2。三、 施工部署根据先拆旧、后建新的顺序进行,尽量将原有管线的材料用回原位,这样施工费用较小,但施工周期较长及对现系统影响的程度较大。四、施工准备 1、施工工具准备序号机械或设备名称型号规格数量1电焊机BX-3001 台2冲击钻东成 3002 台3手电钻东成 1201 把 4切割机博世1 台5手提切割机SJ211 台6台钻 1 台7脚手架 8 套8试压泵 1 台2、施工人员准备序号工种数量1架子工22电工63水管工4合计12五、 施工进度计划本工程各项施工周期如下:序号项目施工周期1前期各工种对接及协调2 天2首层(J~L)轴×(29~30)轴旧有线管及灯具拆除2 天3迁移首层(J~L)轴×(29~30)轴拆除区内的两个电箱1 天4拆除首层(J~L)轴×(29~30)轴拆除区内的线槽1 天5新做首层(J~L)轴×(29~30)轴的线槽3 天6重新敷设电缆3 天7首层(J~L)轴×(36~37)轴旧有线管及灯具拆除2 天8迁移首层(J~L)轴×(36~37)轴拆除区内的两个电箱1 天9拆除首层(J~L)轴×(36~37)轴拆除区内的线槽1 天10新做首层(J~L)轴×(36~37)轴的线槽3 天11重新敷设电缆3 天12弱电线槽的拆除1 天13负一层生活供水水管拆除2 天14负一层开孔2 天15负一层生活供水水管安装6 天16负一层生活供水水管试压1 天 六、施工方案1、首层(J~L)轴×(29~30)轴管线迁移施工方案:a、在确保断电的状态下,将旧有的相关管线及灯具拆除;b、将拆除区内的两个展览桥架的电箱进行迁移;c、将拆除区内的旧有母线槽拆除,将新线槽移至 31~32 轴间;d、电缆敷设按“前移”的原则,即原 K 轴上电箱的电缆引至 J 轴上的电箱,原 L 轴上电箱的电缆引至 K 轴上的电箱,如此...

1、当您付费下载文档后,您只拥有了使用权限,并不意味着购买了版权,文档只能用于自身使用,不得用于其他商业用途(如 [转卖]进行直接盈利或[编辑后售卖]进行间接盈利)。
2、本站所有内容均由合作方或网友上传,本站不对文档的完整性、权威性及其观点立场正确性做任何保证或承诺!文档内容仅供研究参考,付费前请自行鉴别。
3、如文档内容存在违规,或者侵犯商业秘密、侵犯著作权等,请点击“违规举报”。

碎片内容

商业中心空调管线迁移施工方案

您可能关注的文档

确认删除?
VIP
微信客服
  • 扫码咨询
会员Q群
  • 会员专属群点击这里加入QQ群
客服邮箱
回到顶部