电脑桌面
添加小米粒文库到电脑桌面
安装后可以在桌面快捷访问

土建造价员考试

土建造价员考试_第1页
1/27
土建造价员考试_第2页
2/27
土建造价员考试_第3页
3/27
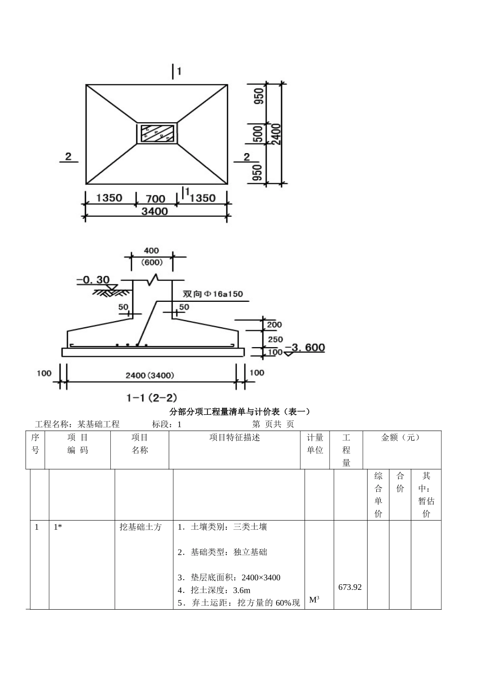
全国造价员培训《土建专业》 工程计量与计价 (案例)案例一(关于基础土方工程量计算及综合单价计算) 背景资料:一、 设计说明1、 某工程+0.000 以下的柱及独立基础平面、剖面图详见下图,此独立基础及柱共计 20 个。2、 基础垫层为非原槽浇筑,垫层考虑支模,混凝土强度等级为 C15,独立基础及柱子混凝土强度等级为 C20。基础及垫层混凝土均考虑为现场搅拌。3、 本工程建设方已经完成三通一平,基础土壤类别及填土均为三类土壤,均属于天然密实土壤,室内外高差 300mm。二、 其它要求1、 本基础工程为非桩基工程,土方开挖为人工开挖、放坡,不考虑开挖时地表水排放及基底钎探,工作面为 300mm,放坡系数为 1:0.43。2、 开挖的基础土方中有 60%通过人力车运输、堆放在现场 50m 的地方。另外的一部分土壤堆放在基坑边。3、 余土外运或取土回填,采纳机械运输,场外运输距离为 5km。4、 回填仅有基础回填,考虑为人工夯填。问题:一、 根据设计说明、其它要求、平面剖面图,审查以下分部分项工程量清单中 +0.000 以下的清单工程量(表一)及计算挖基础土方项目、基础土方回填项目工程量清单综合单价分析表中的综合单价(表二)、(表三)。二、 审查要求及计算说明:1、 根据《建设工程工程量清单计价法律规范》GB50500-2025、《河南省建设工程工程量清单综合单价(2025)》及其它相关文件、勘误、解释等审查以下分部分项工程量清单中的项目编码、项目名称、计量单位、工程数量、项目特征是否有误,将错误的内容、标注、数量、编号用“——”符号划去后,将正确的内容、、标注、数量、编号填写在下一行空行或空白处的相应栏目中,或增加相应内容。2、 本清单中未计算基础钢筋。3、 措施项目及规费等清单不计算,综合单价中定额项目综合单价(人工费、材料费、机械费、综合费)均不调整。4、 工程量结果保留两位小数。5、 清单编码后面注明*号的项目表示为须评审。分部分项工程量清单与计价表(表一)工程名称:某基础工程 标段:1 第 页共 页序号项 目编 码项目名称项目特征描述计量单位工程量金额(元)综合单价合价其中:暂估价11*挖基础土方1.土壤类别:三类土壤2.基础类型:独立基础3.垫层底面积:2400×34004.挖土深度:3.6m5.弃土运距:挖方量的 60%现M3673.92场内运输堆放,距离为 50m。22余土外运1.土壤类别:三类土壤2.余土外运,运输距离为 5km 。M386.3231*基 础 土 方 回填1...

1、当您付费下载文档后,您只拥有了使用权限,并不意味着购买了版权,文档只能用于自身使用,不得用于其他商业用途(如 [转卖]进行直接盈利或[编辑后售卖]进行间接盈利)。
2、本站所有内容均由合作方或网友上传,本站不对文档的完整性、权威性及其观点立场正确性做任何保证或承诺!文档内容仅供研究参考,付费前请自行鉴别。
3、如文档内容存在违规,或者侵犯商业秘密、侵犯著作权等,请点击“违规举报”。

碎片内容

土建造价员考试

确认删除?
VIP
微信客服
  • 扫码咨询
会员Q群
  • 会员专属群点击这里加入QQ群
客服邮箱
回到顶部