电脑桌面
添加小米粒文库到电脑桌面
安装后可以在桌面快捷访问

地下室基础垫层

地下室基础垫层_第1页
1/6
地下室基础垫层_第2页
2/6
地下室基础垫层_第3页
3/6
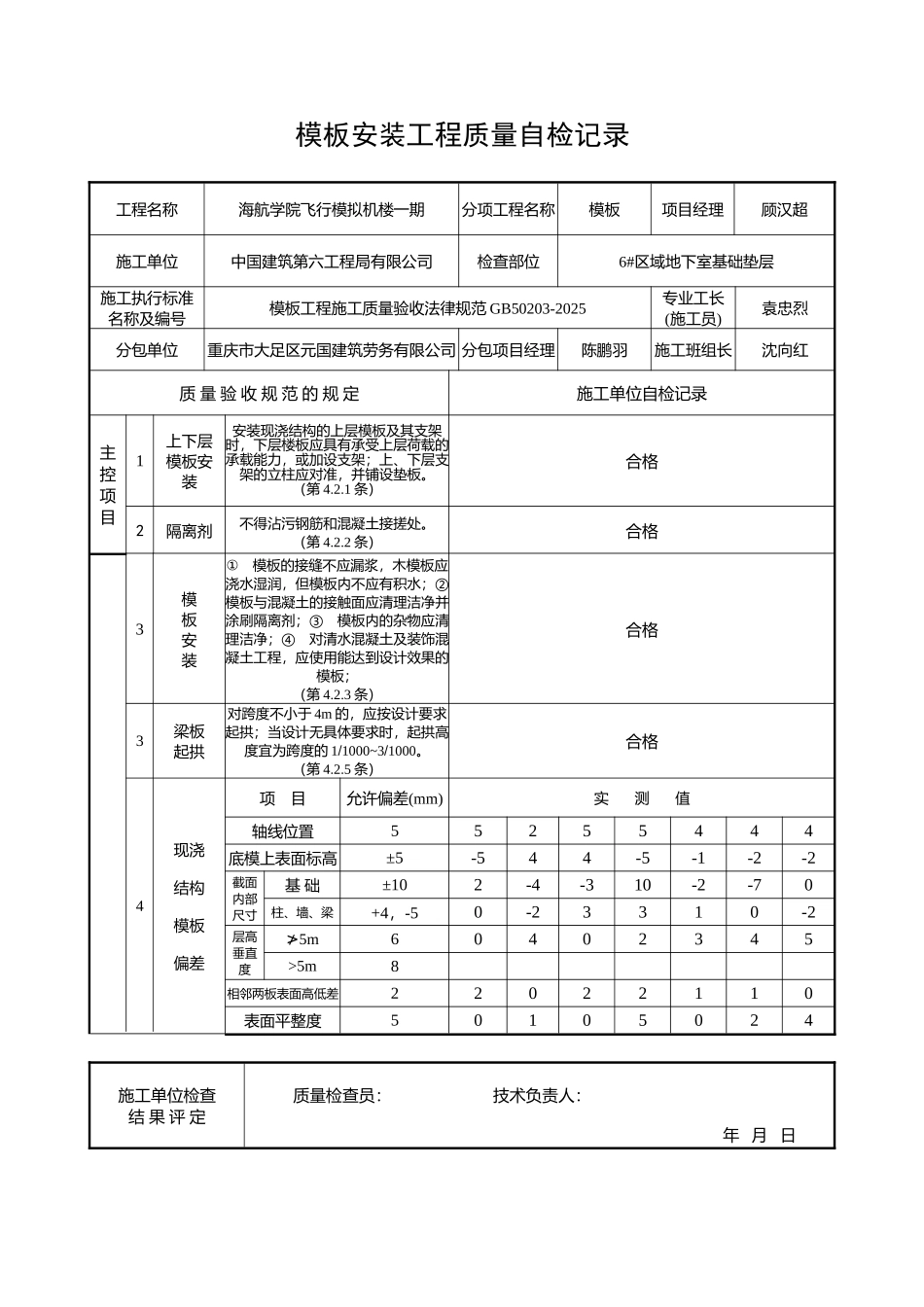
模板安装工程质量自检记录工程名称海航学院飞行模拟机楼一期分项工程名称模板项目经理顾汉超施工单位中国建筑第六工程局有限公司检查部位6#区域地下室基础垫层施工执行标准名称及编号模板工程施工质量验收法律规范 GB50203-2025专业工长(施工员)袁忠烈分包单位重庆市大足区元国建筑劳务有限公司 分包项目经理陈鹏羽施工班组长沈向红质 量 验 收 规 范 的 规 定施工单位自检记录主控项目1上下层模板安装安装现浇结构的上层模板及其支架时,下层楼板应具有承受上层荷载的承载能力,或加设支架;上、下层支架的立柱应对准,并铺设垫板。 (第 4.2.1 条)合格2隔离剂不得沾污钢筋和混凝土接搓处。(第 4.2.2 条)合格3模板安装① 模板的接缝不应漏浆,木模板应浇水湿润,但模板内不应有积水;② 模板与混凝土的接触面应清理洁净并涂刷隔离剂;③ 模板内的杂物应清理洁净;④ 对清水混凝土及装饰混凝土工程,应使用能达到设计效果的模板;(第 4.2.3 条)合格3梁板起拱对跨度不小于 4m 的,应按设计要求起拱;当设计无具体要求时,起拱高度宜为跨度的 11000~31000。(第 4.2.5 条)合格4现浇结构模板偏差项 目允许偏差(mm)实 测 值轴线位置55255444底模上表面标高±5-544-5-1-2-2截面内部尺寸基 础±102-4-310-2-70柱、墙、梁+4,-50-23310-2层高垂直度≯5m60402345>5m8相邻两板表面高低差22022110表面平整度50105024施工单位检查结 果 评 定质量检查员: 技术负责人:年 月 日钢筋加工质量自检记录工程名称海航学院飞行模拟机楼一期分项工程名称钢筋项目经理顾汉超施工单位中国建筑第六工程局有限公司检查部位6#区域地下室基础垫层施工执行标准名称及编号钢筋工程加工质量验收法律规范 GB50203-2025专业工长(施工员)袁忠烈分包单位重庆市大足区元国建筑劳务有限公司分包项目经理陈鹏羽施工班组长陈本文质 量 验 收 规 范 的 规 定施工单位自检记录主控项目1受力钢筋弯钩和弯折① HPB235 级钢筋末端应作 180°弯钩,其弯弧内直径不应小于 2.5d,弯钩的弯后平直部分长度不应小于 3d;② 当设计要求钢筋末端需作 135°弯钩时,HRB335 级、HRB400 级钢筋的弯弧内直径不应小于 4d,弯钩的弯后平直部分长度应符合设计要求;③ 钢筋作不大于 90°的弯折时,弯折处的弯弧内直径不应小于 5d。 (第 5.3.1 条)合格2箍筋末端弯钩弯钩形式应符合设计要求;当设计无具体要求时:①弯弧内直径除应满...

1、当您付费下载文档后,您只拥有了使用权限,并不意味着购买了版权,文档只能用于自身使用,不得用于其他商业用途(如 [转卖]进行直接盈利或[编辑后售卖]进行间接盈利)。
2、本站所有内容均由合作方或网友上传,本站不对文档的完整性、权威性及其观点立场正确性做任何保证或承诺!文档内容仅供研究参考,付费前请自行鉴别。
3、如文档内容存在违规,或者侵犯商业秘密、侵犯著作权等,请点击“违规举报”。

碎片内容

地下室基础垫层

您可能关注的文档

确认删除?
VIP
微信客服
  • 扫码咨询
会员Q群
  • 会员专属群点击这里加入QQ群
客服邮箱
回到顶部