电脑桌面
添加小米粒文库到电脑桌面
安装后可以在桌面快捷访问

块砼浇筑技术交底

块砼浇筑技术交底_第1页
1/6
块砼浇筑技术交底_第2页
2/6
块砼浇筑技术交底_第3页
3/6
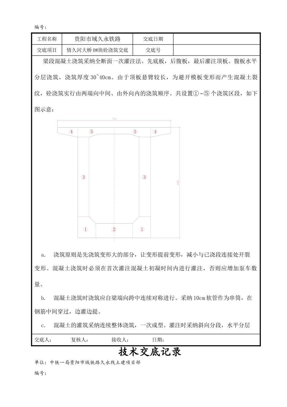
技术交底记录单位:中铁一局贵阳市域铁路久永线土建项目部编号:工程名称贵阳市域久永铁路交底日期交底项目情久河大桥 0#块砼浇筑交底交底号交底内容: 1、浇筑准备0#块砼一次浇筑完成,浇筑前由项目领导组织相关人员对托架、模板支撑和预应力系统进行全面检查,合格后经监理工程师同意后才能浇筑砼。2、砼浇筑控制连续梁 0#块采纳 C55 混凝土,混凝土坍落度控制范围 160~200mm 。砼由 1#搅拌站集中拌制,由砼搅拌运输车运至施工现场。砼浇筑采纳泵送方式,搭设砼作业平台,布置输送砼的导管,由输送泵输送入模。从底板开始前后、左右对称浇筑 0#块砼,砼浇筑顺序:由 0#段中心分别向两侧分层浇筑,每层砼厚度不大于 30cm,待底板浇筑完毕后将腹板、顶板一次性浇筑完成。底板及腹板砼浇注时由低处向较高处分层、分段浇筑,砼浇注过程中确保新旧砼间隔时间不得超过 2 小时,砼浇筑完成并初凝后,立即对 0#块尤其是梁体内侧与外侧进行洒水养护。由于 0#块梁段的高度大(高 6.8m),腹板内钢筋及预应力管道等密集,混凝土泵到梁顶直接泵入底板和腹板下部时无法保证灌注和捣固质量,灌注混凝土时,在顶板处预留天窗,天窗处架设接混凝土漏斗,漏斗下接锥形串筒,当施工顶板时关闭该天窗。同时对天窗位置部分截断的顶板钢筋重新焊接,焊接搭接长度满足法律规范要求,另设置不小于顶板钢筋型号的双向井字型补强钢筋,层数同顶板钢筋层数。3、混凝土浇筑顺序及方法交底人: 复核人: 接收人: 日期:技术交底记录单位:中铁一局贵阳市域铁路久永线土建项目部编号:工程名称贵阳市域久永铁路交底日期交底项目情久河大桥 0#块砼浇筑交底交底号梁段混凝土浇筑采纳全断面一次灌注法。先底板,后腹板,最后灌注顶板。腹板水平分层浇筑,浇筑厚度 30~40cm。由于顶板悬臂较长,为避开模板变形而产生混凝土裂纹,砼浇筑实行由两端向中间、由外向内的浇筑顺序。共设置①~⑤ 个浇筑区段,如下图示意: 331214554a.浇筑原则是先浇筑变形大的部分,让变形提前变形,减小与已浇段连接处开裂变形。混凝土浇筑时必须在首次灌注混凝土初凝时间内进行灌注,否则应增加泵车数量。b.混凝土浇筑时浇筑应自梁端向跨中连续对称进行。采纳 10cm 软管作为串筒,在钢筋中间穿过,边灌边提。c.混凝土的灌筑采纳连续整体浇筑,一次成型。灌注时采纳斜向分段,水平分层交底人: 复核人: 接收人: 日期:技术交底记录单位:中铁一局贵阳市域铁路久永线土建...

1、当您付费下载文档后,您只拥有了使用权限,并不意味着购买了版权,文档只能用于自身使用,不得用于其他商业用途(如 [转卖]进行直接盈利或[编辑后售卖]进行间接盈利)。
2、本站所有内容均由合作方或网友上传,本站不对文档的完整性、权威性及其观点立场正确性做任何保证或承诺!文档内容仅供研究参考,付费前请自行鉴别。
3、如文档内容存在违规,或者侵犯商业秘密、侵犯著作权等,请点击“违规举报”。

碎片内容

块砼浇筑技术交底

您可能关注的文档

确认删除?
VIP
微信客服
  • 扫码咨询
会员Q群
  • 会员专属群点击这里加入QQ群
客服邮箱
回到顶部