电脑桌面
添加小米粒文库到电脑桌面
安装后可以在桌面快捷访问

城际铁路软土地基深层搅拌桩处理施工方案

城际铁路软土地基深层搅拌桩处理施工方案_第1页
1/16
城际铁路软土地基深层搅拌桩处理施工方案_第2页
2/16
城际铁路软土地基深层搅拌桩处理施工方案_第3页
3/16
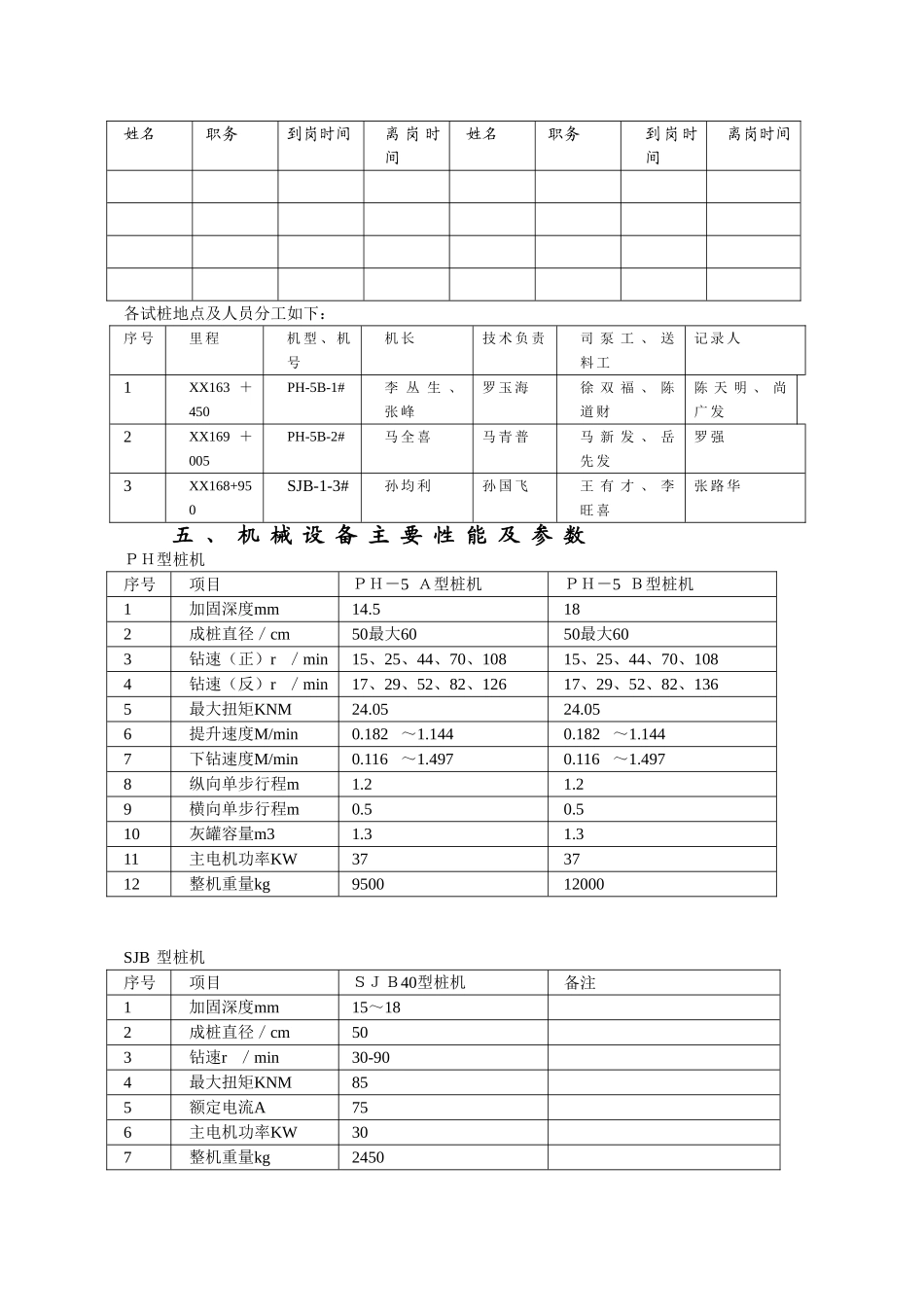
水 泥 搅 拌 桩 施 工 试 桩 方 案一 、 工 程 概 况中 铁 XX 承 建 的 XX 铁 路 XX 属 XX 平 原 区 地 势 平 坦开 阔 , 海 拔 高 程 1.29m ~ 2.15m , 地 面 坡 降 很 小 。大 多 为 水 塘 和 水 产 养 殖 区 。 路 基 表 层 至 地 面 以下 1.5m 为 种 植 土 或 人 工 填 土 , 灰 色 ~ 灰 褐 色 , 板结 , 含 较 多 植 物 根 系 , 呈 硬 塑 状 ; 1.5~ 6.5m 为 淤泥 , 灰 黑 色 , 饱 和 , 流 塑 , 主 要 由 粘 粒 组 成 ;6.5~ 10m为 淤 泥 质 砂 , 灰 ~ 灰 褐 色 , 流 塑 ; 10 ~16m为 淤 泥 质 粉 质 黏 土 , 灰 ~ 灰 褐 色 , 流 ( 软 )塑 ; 16 ~ 20m为 粉 质 黏 土 , 灰 黑 色 , 硬 塑 ( 全 风化 ) 。水 泥 搅 拌 法 是 利 用 水 泥 作 为 固 化 剂 , 通 过 特别 的 深 层 搅 拌 设 备 , 在 地 基 深 处 将 软 土 和 水 泥强 制 搅 拌 后 , 水 泥 和 软 土 将 产 生 一 系 列 物 理 和化 学 反 应 , 使 软 土 固 结 改 性 , 从 而 改 善 软 土 地基 物 理 力 学 性 质 , 提 高 地 基 承 载 力 。本 标 段 路 基 基 底 处 理 设 计 采 纳 水 泥 搅 拌 桩 进行 软 基 加 固 处 理 , 设 计 参 数 : 二 喷 二 搅 ( 桩 顶3m 复 搅 ) 工 艺 , 全 桩 无 侧 限 抗 压 强 度 1.2Mpa, 单桩 承 载 力 78KN 。二 、 试 验 的 目 的1 、 针 对 本 段 临 海 , 大 多 为 水 塘 和 水 产 养 殖 区 ,地 基 土 大 多 为 海 相 沉 积 流 塑 状 淤 泥 、 淤 泥 质 土具 有 含 水 量 高 、 孔 隙 比 大 、 液 性 指 数 大 、 有 机质 含 量 高 , 按 现 设 计 掺 灰 量 采 纳 水 泥 搅 拌 桩 能否 有 效 成 桩 尚 不 能 确 定 , 故 有 必 要 通 过 室 外 和室 内 试 验 进 行 验 证 ;2 、 通 过 试 验 核 实 设 计 地 质 情 况 ;3 、 通 过 试 验 确 定 相 关 设 备 的 组 合 模 式 及 配备 数 量 ;4 、 通 ...

1、当您付费下载文档后,您只拥有了使用权限,并不意味着购买了版权,文档只能用于自身使用,不得用于其他商业用途(如 [转卖]进行直接盈利或[编辑后售卖]进行间接盈利)。
2、本站所有内容均由合作方或网友上传,本站不对文档的完整性、权威性及其观点立场正确性做任何保证或承诺!文档内容仅供研究参考,付费前请自行鉴别。
3、如文档内容存在违规,或者侵犯商业秘密、侵犯著作权等,请点击“违规举报”。

碎片内容

城际铁路软土地基深层搅拌桩处理施工方案

您可能关注的文档

确认删除?
VIP
微信客服
  • 扫码咨询
会员Q群
  • 会员专属群点击这里加入QQ群
客服邮箱
回到顶部