电脑桌面
添加小米粒文库到电脑桌面
安装后可以在桌面快捷访问

大体积承台混凝土施工方案

大体积承台混凝土施工方案_第1页
1/18
大体积承台混凝土施工方案_第2页
2/18
大体积承台混凝土施工方案_第3页
3/18
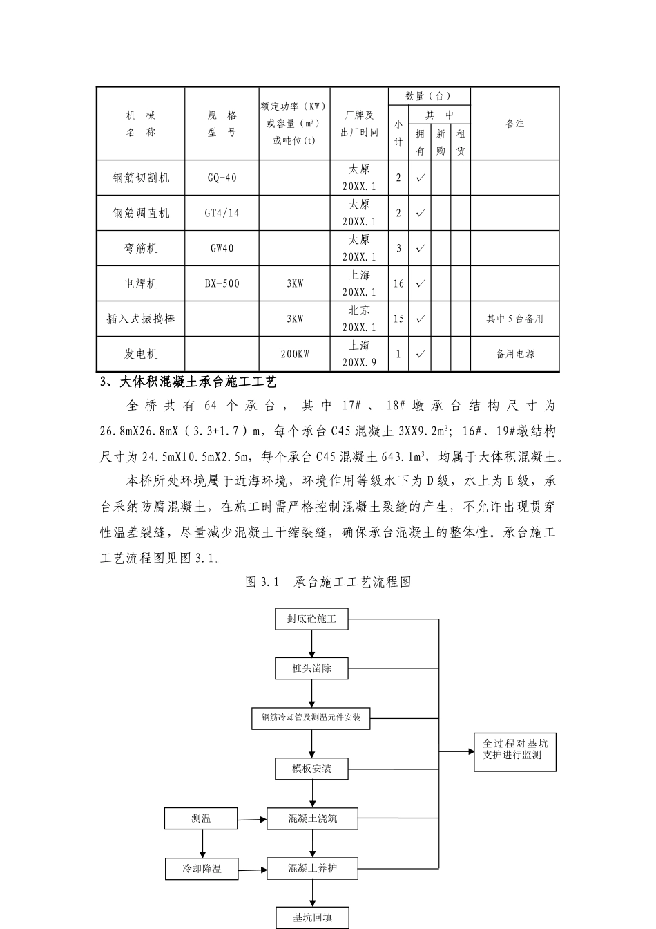
大体积混凝土承台施工方案1、 工程概况XXX 大桥工程位于连接工业区与陆域的一号路上,是因规划 XXX 引起的改建工程。本工程北起大桥北岸落地点 K3+300,南至大桥南岸落地点 K5+000,由桥梁和引线工程组成,工程范围全长 1700m,其中桥梁长 1297m,引线路基 403m。另设有临时便线工程 2151.3m。桥 梁 跨 径 组 成 为 { 北 引 桥 ( 4-32.7 ) +13.1+ ( 33.1+2-32.7 ) +2X ( 4-32.7 ) m+ ( 主 桥 80+128+80 ) m}+{ 南 引 桥 2X ( 4-32.7 ) + ( 2-32.7+33.1)+13.1+(4-32.7)m},桥梁中心里程 K4+143,桥面总宽 38.5m。主桥采纳(80+128+80)m 预应力混凝土部分斜拉桥。2、投入的主要人员及机械设备为确保主墩承台施工的顺利进行,项目部拟投入的主要人员见表 2.1;主要机械设备见表 2.2。表 2.1 拟投入主墩承台施工的主要人员序号号工种人数工作内容1队长1负责施工的全面协调工作2副队长1负责现场施工指挥工作3技术员2全面负责施工的技术工作4钢筋工20负责钢筋加工与安装5模板工20负责模板的打磨、安装及校正6混凝土工51负责混凝土的浇筑7电焊工16负责钢筋的焊接,模板加固筋的焊接8电工2负责施工过程中各种线路的安装与布设表 2.2 拟投入主墩承台施工的主要机械设备机 械名 称规 格型 号额定功率(KW)或容量(m3)或吨位(t)厂牌及出厂时间数量(台)备注小计其 中拥有新购租赁混凝土拌和站JS1000+PL160060m3/h山东 20XX.65√混凝土运输车HNJ526010m3海诺 20XX.8 20√混凝土泵车HBQ60C60m3/h武汉 20XX.33√其中 1 台备用汽车吊QY2525T北京 20XX.81√机 械名 称规 格型 号额定功率(KW)或容量(m3)或吨位(t)厂牌及出厂时间数量(台)备注小计其 中拥有新购租赁钢筋切割机GQ-40太原 20XX.12√钢筋调直机GT4/14太原 20XX.12√弯筋机GW40太原 20XX.13√电焊机BX-5003KW上海 20XX.116√插入式振捣棒 3KW北京 20XX.115√其中 5 台备用发电机200KW上海20XX.91√备用电源3、大体积混凝土承台施工工艺全 桥 共 有 64 个 承 台 , 其 中 17# 、 18# 墩 承 台 结 构 尺 寸 为26.8mX26.8mX(3.3+1.7)m,每个承台 C45 混凝土 3XX9.2m3;16#、19#墩结构尺寸为 24.5mX10.5mX2.5m,每个承台 C45 混凝土 643.1m3,均属于大体积混凝土。本桥所处环境属于近海环境,环境作用等级水下为 D 级,水上为 E 级,承台采纳防腐混凝土,在施...

1、当您付费下载文档后,您只拥有了使用权限,并不意味着购买了版权,文档只能用于自身使用,不得用于其他商业用途(如 [转卖]进行直接盈利或[编辑后售卖]进行间接盈利)。
2、本站所有内容均由合作方或网友上传,本站不对文档的完整性、权威性及其观点立场正确性做任何保证或承诺!文档内容仅供研究参考,付费前请自行鉴别。
3、如文档内容存在违规,或者侵犯商业秘密、侵犯著作权等,请点击“违规举报”。

碎片内容

大体积承台混凝土施工方案

确认删除?
VIP
微信客服
  • 扫码咨询
会员Q群
  • 会员专属群点击这里加入QQ群
客服邮箱
回到顶部