电脑桌面
添加小米粒文库到电脑桌面
安装后可以在桌面快捷访问

承台模板受力验算

承台模板受力验算_第1页
1/7
承台模板受力验算_第2页
2/7
承台模板受力验算_第3页
3/7
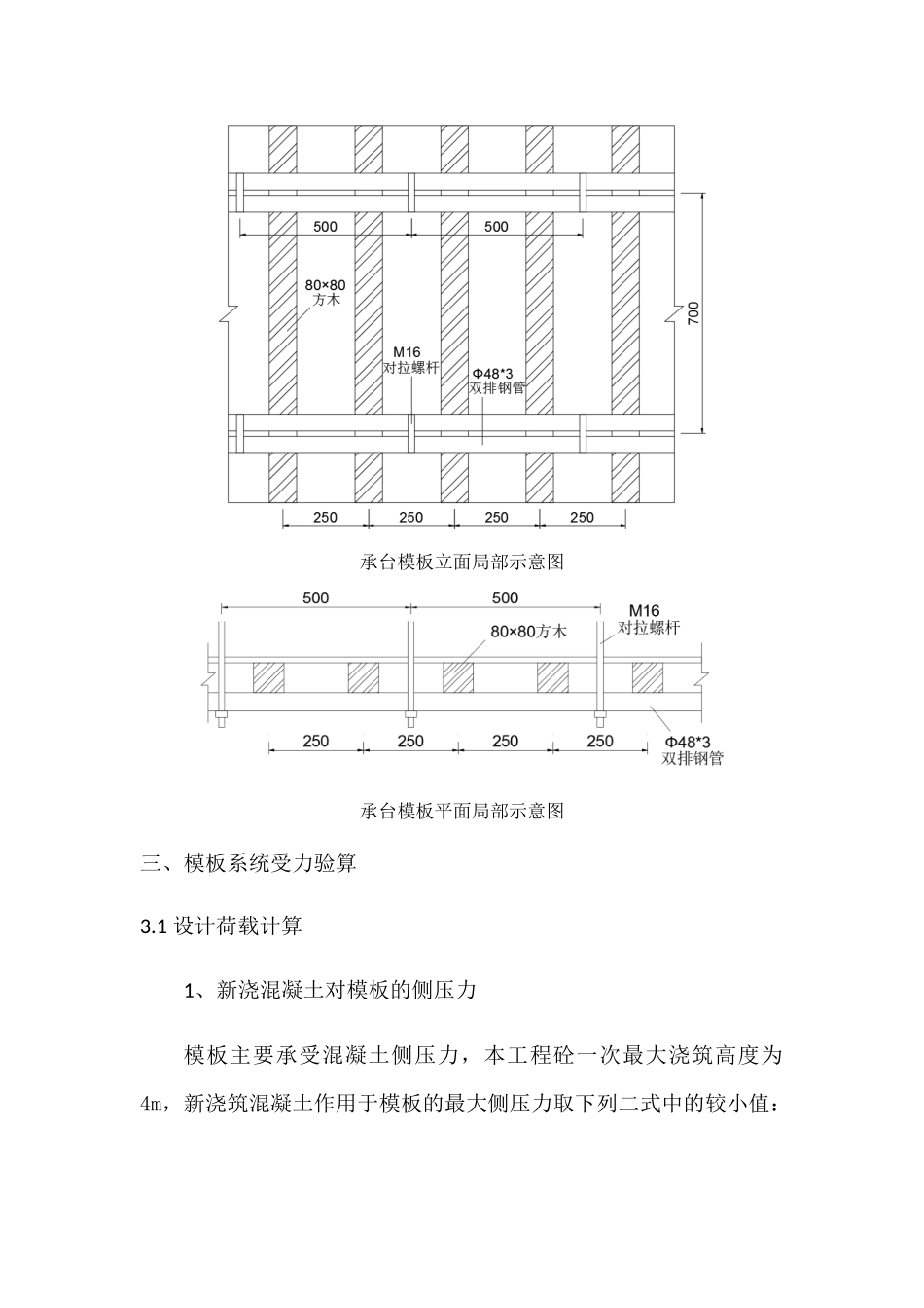
主桥承台木模板计算一、计算依据1、《施工图纸》2、《公路桥涵施工技术法律规范》(JTG/T F50-2025)3、《路桥施工计算手册》二、承台模板设计主桥承台平面尺寸为 11.5×11.5m,高 4m,由于主桥承台基坑开挖深度达 10m,基坑钢支撑较多,不利于大块钢模板的吊装,故承台模板考虑采纳木模板拼装。面板采纳 15mm 厚竹胶板(平面尺寸 2440×1220mm),水平内楞 为 80×80mm 方 木 , 水 平 内 楞 外 设 竖 向 外 楞 , 外 楞 为 双 拼φ48×3mm 钢管,对拉螺杆采纳直径 20mm 的螺纹钢。承台模板立面局部示意图承台模板平面局部示意图三、模板系统受力验算3.1 设计荷载计算1、新浇混凝土对模板的侧压力模板主要承受混凝土侧压力,本工程砼一次最大浇筑高度为4m,新浇筑混凝土作用于模板的最大侧压力取下列二式中的较小值:F=0.22γct0β1β2V12F=γcH式中 F—新浇筑混凝土对模板的最大侧压力(KN/m2);γc—混凝土的重力密度,取 24KN/m3;t0—新浇混凝土的初凝时间,取 10h;V—混凝土的浇灌速度,取 0.6m/h;H—混凝土侧压力计算位置处至新浇混凝土顶面的总高度,取 4m;β1—外加剂影响修正系数,取 1.0;β2—混凝土坍落度影响修正系数,取 1.15;所以 F=0.22γct0β1β2V12 =0.22×24×10×1.0×1.15×0.612 =47.03 KN/m2F=γcH=24×4=96 KN/m2综上混凝土的最大侧压力 F=47.03 KN/m22、倾倒混凝土时冲击产生的水平荷载考虑两台泵车同时浇筑,倾倒混凝土产生的水平荷载标准值取4KN/m2。3、水平总荷载分别取荷载分项系数 1.2 和 1.4,则作用于模板的水平荷载设计值为:q1=47.03×1.2+4×1.4=62 KN/m2 有效压头高度为 h=F/γc =62/24=2.585 m3.2 面板验算木模板支护方式为典型的单向板受力方式,可按多跨连续梁计算。内楞采纳竖向 80×80mm 方木,方木中心间距 250mm,模板宽度取 b=2440mm,作用于模板的线荷载:q1=62×2.44=151.28kN/m,模板截面特性为:W=16 bh2=2440×152/6=91500mm3。I=112 bh3=2440×153/12=686250mm4;模板强度验算:根据《路桥施工计算手册》表 8-13 查得最大弯距系数为 0.1。Mmax=0.1q1l2=0.1×151.28×2502=9.455×105N·mmσ=Mmax/W=9.455×105/91500=10.3Mpa<[fm]=13Mpa,模板强度符合要求。模板刚度验算:ω=q 1l4150EI =151.28×2504/ ( 150×9.5×103×686250 ) =0.604mm<[ω]=l400 =250/400=0.625mm,模板刚度符合要求。3.3 内楞验算内...

1、当您付费下载文档后,您只拥有了使用权限,并不意味着购买了版权,文档只能用于自身使用,不得用于其他商业用途(如 [转卖]进行直接盈利或[编辑后售卖]进行间接盈利)。
2、本站所有内容均由合作方或网友上传,本站不对文档的完整性、权威性及其观点立场正确性做任何保证或承诺!文档内容仅供研究参考,付费前请自行鉴别。
3、如文档内容存在违规,或者侵犯商业秘密、侵犯著作权等,请点击“违规举报”。

碎片内容

承台模板受力验算

您可能关注的文档

确认删除?
VIP
微信客服
  • 扫码咨询
会员Q群
  • 会员专属群点击这里加入QQ群
客服邮箱
回到顶部