电脑桌面
添加小米粒文库到电脑桌面
安装后可以在桌面快捷访问

排风道安装技术交底

排风道安装技术交底_第1页
1/3
排风道安装技术交底_第2页
2/3
排风道安装技术交底_第3页
3/3
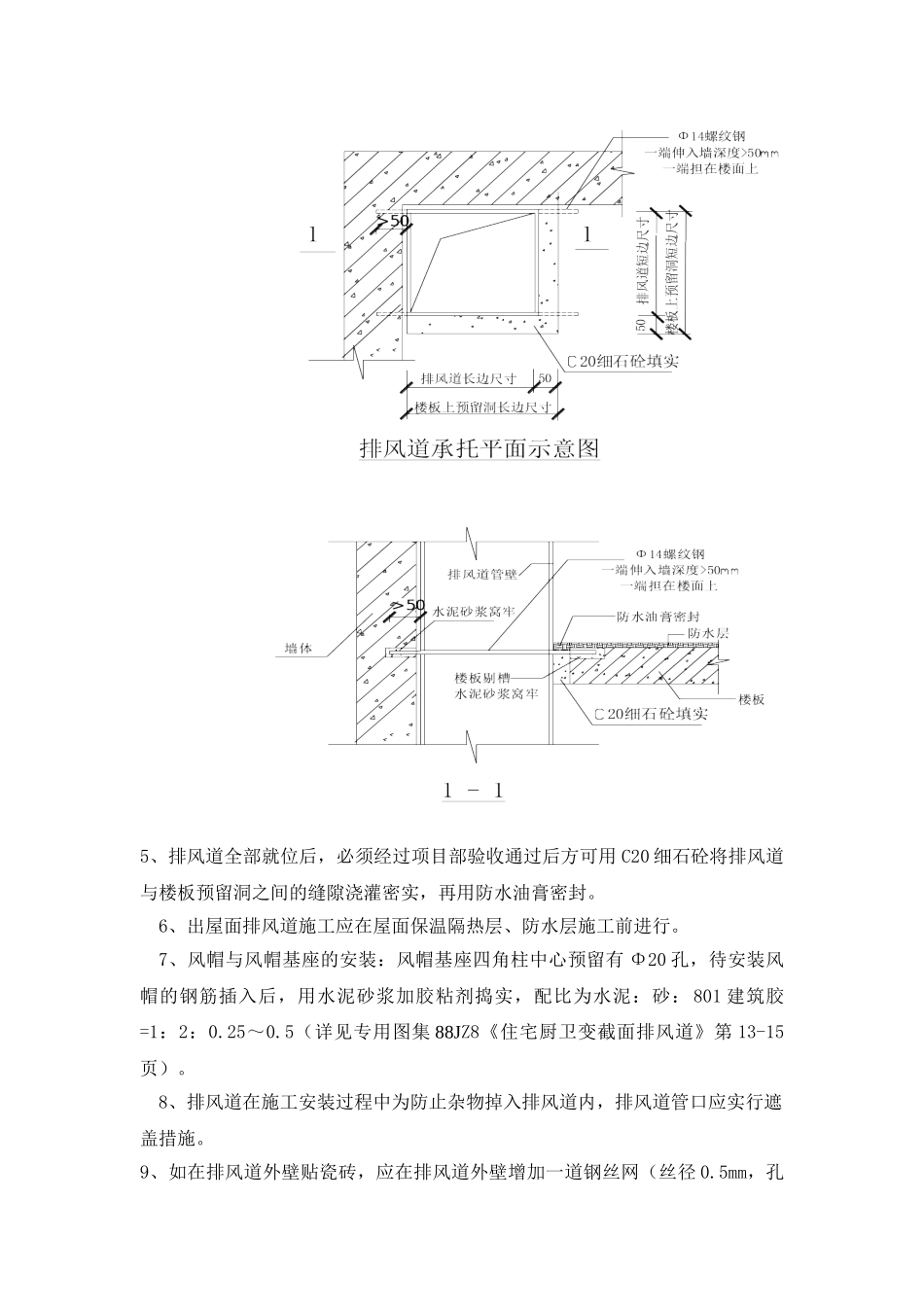
一、施工准备1、材料准备① 预制排风道。排风道内表面应光滑,外表面应平整无孔洞和裂缝,端面平整且无毛边,其尺寸偏差、验收检验均符合标准并有出厂合格证。厨房排风道尺寸:1-6 层为 300mm×250mm,7-11 层为 320mm×300mm;卫生间排风道尺寸:300mm×250mm(详见专用图集 88JZ8《住宅厨卫变截面排风道》)。②Φ6、Φ14 钢筋、C20 细石砼、32.5 普通硅酸盐水泥、砂、801 建筑胶2、施工准备① 安装前将楼板预留洞模板拆除后检查其尺寸是否符合设计要求(厨房预留洞尺寸:1-7 层为 350mm×300mm,8-11 层为 370mm×350mm;卫生间排风道尺寸:350mm×300mm),并检查上下层楼板洞口是否垂直,假如不符合要求的要对洞口进行修整。② 安装前必须对排风道的标志、尺寸及外观进行检查,并校对型号及层号,检查合格后将排风道放在指定位置。二、施工要点施工时严格根据图集 88JZ8《住宅厨卫变截面排风道》相关要求施工。1、排风道安装应从底层开始,自下而上逐层安装,起始层安装时应用 1:2水泥砂浆找平。2、上下排风道对接处应用水泥砂浆加胶粘剂密封,配比为水泥:砂:801 建筑胶=1:2:0.25~0.5,座浆应饱满,勾缝抹平,外贴 100 宽玻纤网格布。对接时严格检查,确保接口严实及管体中心线对中。3、就位后排风道四周与楼板、墙体间用木楔作临时固定,待浇灌细石砼时将木楔取出。4、本工程十一层住宅,从第二层楼地面开始排风道每层做分层承托处理,施工时用两根 Φ14 螺纹钢承托排风道管体,托住每段排风道对称两边,钢筋采纳植筋方式植入剪力墙,入墙深度至少 50,植孔用植筋胶堵实,另一端担在楼面板上,超出洞边至少 50,钢筋与楼板、烟风道底部间用用水泥砂浆加胶粘剂捣实,配比为水泥:砂:801 建筑胶=1:2:0.25~0.5(详见做法如下页图所示)。5、排风道全部就位后,必须经过项目部验收通过后方可用 C20 细石砼将排风道与楼板预留洞之间的缝隙浇灌密实,再用防水油膏密封。6、出屋面排风道施工应在屋面保温隔热层、防水层施工前进行。7、风帽与风帽基座的安装:风帽基座四角柱中心预留有 Φ20 孔,待安装风帽的钢筋插入后,用水泥砂浆加胶粘剂捣实,配比为水泥:砂: 801 建筑胶=1:2:0.25~0.5(详见专用图集 88JZ8《住宅厨卫变截面排风道》第 13-15页)。8、排风道在施工安装过程中为防止杂物掉入排风道内,排风道管口应实行遮盖措施。9、如在排风道外壁贴瓷砖,应在排风道外壁增加一道钢丝网(丝径 ...

1、当您付费下载文档后,您只拥有了使用权限,并不意味着购买了版权,文档只能用于自身使用,不得用于其他商业用途(如 [转卖]进行直接盈利或[编辑后售卖]进行间接盈利)。
2、本站所有内容均由合作方或网友上传,本站不对文档的完整性、权威性及其观点立场正确性做任何保证或承诺!文档内容仅供研究参考,付费前请自行鉴别。
3、如文档内容存在违规,或者侵犯商业秘密、侵犯著作权等,请点击“违规举报”。

碎片内容

排风道安装技术交底

您可能关注的文档

确认删除?
VIP
微信客服
  • 扫码咨询
会员Q群
  • 会员专属群点击这里加入QQ群
客服邮箱
回到顶部