电脑桌面
添加小米粒文库到电脑桌面
安装后可以在桌面快捷访问

某高层商宅楼塔吊安拆施工方案

某高层商宅楼塔吊安拆施工方案_第1页
1/17
某高层商宅楼塔吊安拆施工方案_第2页
2/17
某高层商宅楼塔吊安拆施工方案_第3页
3/17
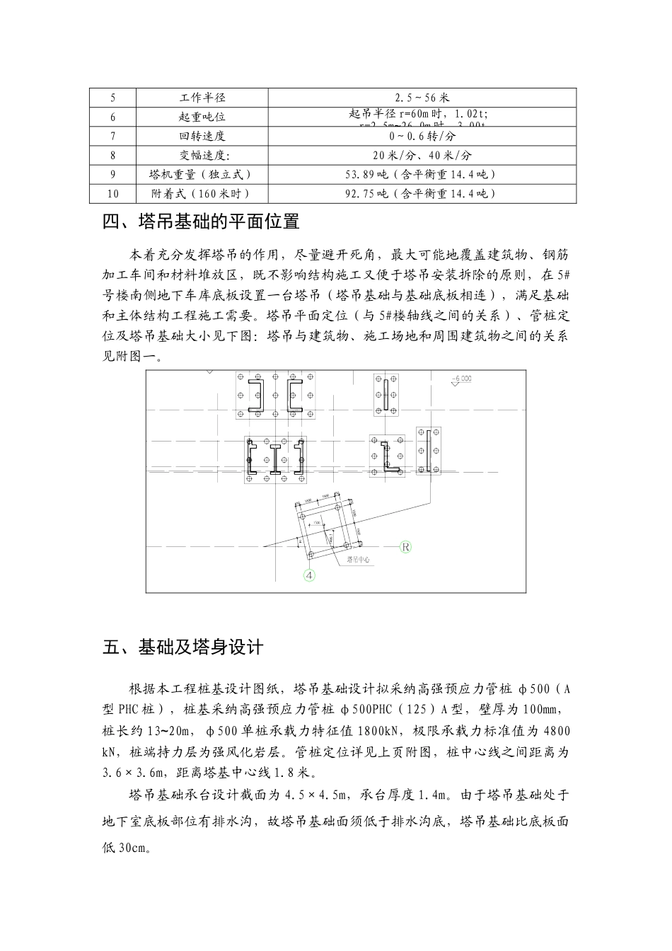
目 录一、编制依据................................................................................................................1二、工程概况................................................................................................................1三、塔机概况................................................................................................................1四、塔吊基础的平面位置............................................................................................2五、基础及塔身设计....................................................................................................2六、基础施工................................................................................................................36.1 施工流程..........................................................................................................36.2 施工方法..........................................................................................................3七、塔吊基础验算........................................................................................................5八、塔吊安装................................................................................................................78.1 安装前的准备..................................................................................................78.2 安装程序..........................................................................................................78.3 安装作业过程中安全措施和注意事项:......................................................98.4 安全措施:....................................................................................................108.5 塔机安装完毕后的检查和试运转...............................................................11九、 塔机顶升:........................................................................................................119.1 塔机顶升作业过程......................................................................................

1、当您付费下载文档后,您只拥有了使用权限,并不意味着购买了版权,文档只能用于自身使用,不得用于其他商业用途(如 [转卖]进行直接盈利或[编辑后售卖]进行间接盈利)。
2、本站所有内容均由合作方或网友上传,本站不对文档的完整性、权威性及其观点立场正确性做任何保证或承诺!文档内容仅供研究参考,付费前请自行鉴别。
3、如文档内容存在违规,或者侵犯商业秘密、侵犯著作权等,请点击“违规举报”。

碎片内容

某高层商宅楼塔吊安拆施工方案

您可能关注的文档

确认删除?
VIP
微信客服
  • 扫码咨询
会员Q群
  • 会员专属群点击这里加入QQ群
客服邮箱
回到顶部