电脑桌面
添加小米粒文库到电脑桌面
安装后可以在桌面快捷访问

柱下独立基础设计计算

柱下独立基础设计计算_第1页
1/18
柱下独立基础设计计算_第2页
2/18
柱下独立基础设计计算_第3页
3/18
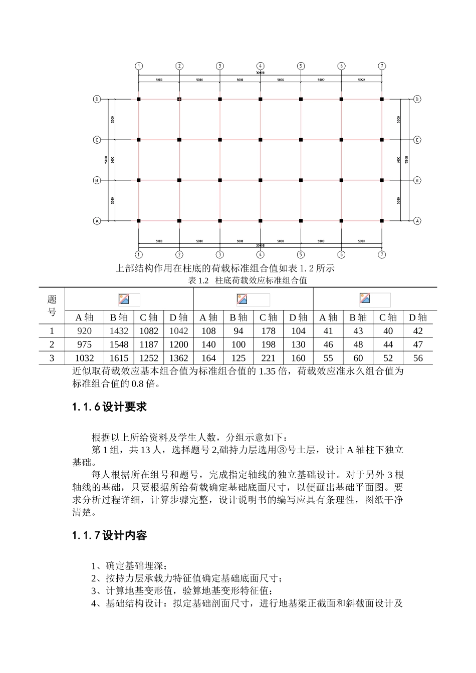
目 录柱下独立基础课程设计............................................................................21.1、设计资料.....................................................................................21.1.1、地形....................................................................................21.1.2、工程地质条件....................................................................21.1.3、岩土设计参数....................................................................21.1.4 水文地质条件.......................................................................31.1.5 上部结构资料.....................................................................31.1.6 设计要求.............................................................................31.1.7 设计内容.............................................................................41. 1. 8 参考资料.............................................................................41.2 独立基础设计...............................................................................41.2.1 选择基础材料.....................................................................41.2.2 选择基础埋置深度.............................................................51.2.3 求地基承载力特征值 fa....................................................51.2.4 初步选择基底尺寸.............................................................51.2.5 验算持力层地基承载力.....................................................61.2.6 计算基底反力.....................................................................61.2.7 柱边基础截面抗冲切验算.................................................71.2.8 变阶处抗冲剪验验.............................................................81.2.9 配筋计算.............................................................................91.2.10 基础配筋大样图.............................................................101. 2. 11 计算基础沉降量.............................................................111.2.12 设计图纸........

1、当您付费下载文档后,您只拥有了使用权限,并不意味着购买了版权,文档只能用于自身使用,不得用于其他商业用途(如 [转卖]进行直接盈利或[编辑后售卖]进行间接盈利)。
2、本站所有内容均由合作方或网友上传,本站不对文档的完整性、权威性及其观点立场正确性做任何保证或承诺!文档内容仅供研究参考,付费前请自行鉴别。
3、如文档内容存在违规,或者侵犯商业秘密、侵犯著作权等,请点击“违规举报”。

碎片内容

柱下独立基础设计计算

您可能关注的文档

确认删除?
VIP
微信客服
  • 扫码咨询
会员Q群
  • 会员专属群点击这里加入QQ群
客服邮箱
回到顶部