电脑桌面
添加小米粒文库到电脑桌面
安装后可以在桌面快捷访问

柱下钢筋混凝土桩基础设计

柱下钢筋混凝土桩基础设计_第1页
1/15
柱下钢筋混凝土桩基础设计_第2页
2/15
柱下钢筋混凝土桩基础设计_第3页
3/15
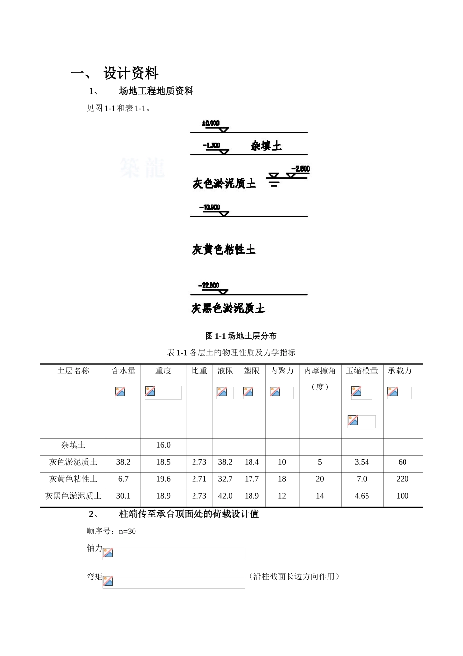
一、 设计资料1、场地工程地质资料见图 1-1 和表 1-1。图 1-1 场地土层分布表 1-1 各层土的物理性质及力学指标土层名称含水量重度比重液限塑限内聚力内摩擦角(度)压缩模量承载力杂填土16.0灰色淤泥质土38.218.52.7338.218.41053.5460灰黄色粘性土6.719.62.7132.717.718207.0220灰黑色淤泥质土30.118.92.7342.018.912144.651002、柱端传至承台顶面处的荷载设计值顺序号:n=30轴力弯矩(沿柱截面长边方向作用)剪力(沿柱截面长边方向作用)3、柱底面标高 -0.5m4、柱截面尺寸F=11000kN>10000kN柱截面尺寸取为5、桩基安全等级 二级二、 设计过程1、初选方案选用 C40()的混凝土预制桩(动力打桩),配置 HRB335 级()钢筋;承台混凝土强度等级取 C40(),配置HRB335 级()钢筋。桩截面尺寸为,长度为 11m,承台底面标高为-1.900m。承台与桩的大致尺寸如下:图 2-1 单桩及承台尺寸示意图2、确定单桩竖向承载力设计值桩长 11m,桩顶伸入承台 0.05m,则打穿了厚度的淤泥质土,进入粘性土的长度。⑴ 确定单桩竖向极限承载力标准值桩基安全等级为二级,当根据土的物理指标与承载力参数之间的经验关系确定单桩竖向极限承载力标准值时,宜按下式计算:式中 ——桩侧第 i 层土的极限侧阻力标准值,按《建筑桩基技术法律规范》查表取值; ——极限端阻力标准值,按《建筑桩基技术法律规范》查表取值。根据设计资料计算土的液性指数:灰黄色粘性土:查表取桩的极限侧阻力标准值时,对于预制桩,应根据土层埋深 h,将乘以修正系数,见表 2-1。表 2-1 预制桩极限侧阻力的土层埋深修正系数土层埋深 h(m)5102030修正系数0.81.01.11.2桩的极限侧阻力标准值取值为:灰色淤泥质土:=25kPa灰黄色粘性土:=100kPa()(对于以生活垃圾为主的杂填土,不计算其侧阻力。)桩的极限端阻力标准值取值为:, 预 制 桩 入 土 深 度, 故 查 表 取=5100kPa。初步估算单桩竖向承载力设计值,不考虑群桩效应,则对于预制桩,。(水平荷载/竖向荷载=,故不需计算水平承载力。)⑵ 初步确定桩数,,,由于柱偏心受压,法律规范建议考虑一定的系数(1.1~1.2),取 1.1,则:,考虑到 13 根桩不好布置,暂取。桩的中心距取,桩的平面布置及承台尺寸见图 2-1。3、确定复合桩基承载力设计值此桩基为桩数超过 3 根的非端承桩复合桩基,宜考虑桩群、土、承台的相互作用效应,其复合基桩竖向承载力设计值为:式中,、、、根据法律规...

1、当您付费下载文档后,您只拥有了使用权限,并不意味着购买了版权,文档只能用于自身使用,不得用于其他商业用途(如 [转卖]进行直接盈利或[编辑后售卖]进行间接盈利)。
2、本站所有内容均由合作方或网友上传,本站不对文档的完整性、权威性及其观点立场正确性做任何保证或承诺!文档内容仅供研究参考,付费前请自行鉴别。
3、如文档内容存在违规,或者侵犯商业秘密、侵犯著作权等,请点击“违规举报”。

碎片内容

柱下钢筋混凝土桩基础设计

您可能关注的文档

确认删除?
VIP
微信客服
  • 扫码咨询
会员Q群
  • 会员专属群点击这里加入QQ群
客服邮箱
回到顶部