电脑桌面
添加小米粒文库到电脑桌面
安装后可以在桌面快捷访问

桥墩基坑井点降水设计计算书

桥墩基坑井点降水设计计算书_第1页
1/7
桥墩基坑井点降水设计计算书_第2页
2/7
桥墩基坑井点降水设计计算书_第3页
3/7
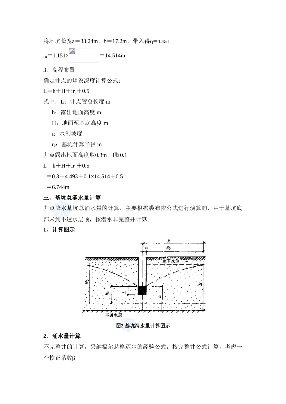
xx黄河公路大桥SJH-02合同段18#墩基坑井点降水设计计算说明书一、 设计计算说明1、 参数选择根据:xx 黄河公路大桥 SJH-02 合同段两阶段施工图设计2、 法律规范依据:《水力学及桥涵水文》公路施工手册《桥涵》上册 二、 设计计算参数墩台号里程桩号实际原地面标高(m)设计承台底标高(m)承台开挖深度(m)水位标高(m)无水深度(m)有水深度(m)土质层厚(m)地质状况描述15#K200+82553.115 48.5494.566 50.82.3152.251亚砂土8.20地表至承台底均为亚砂土层16#K200+94553.286 48.5194.767 50.82.4862.281亚粘土6.60地表至承台底均为亚粘土层17#K201+06552.995 493.995 50.0162.979 1.016亚砂土层6.90地表至承台底均为亚砂土层18#K201+18553.087 48.5944.493 50.5562.531 1.962细砂层4.50地表至承台底均为细砂层19#K201+30553.005 49.0823.923 50.5412.464 1.459亚砂土9.70地表至承台底均为亚砂土层20#K201+42553.625 49.0624.563 49.7853.840 0.723亚粘土3.325地表为亚粘土层亚砂土层1.23850.3 至承台底为亚砂土层21#K201+54553.318 49.0424.276 49.8953.423 0.853亚粘土3.918地表至 49.4 为亚粘土层亚砂土层0.35849.4 至承台底为为亚砂土层22#K201+61553.493 49.161 4.332 49.6553.838 0.494亚粘土3.993地表为亚粘土层,亚砂土层0.33949.5 至承台底为亚砂土层由上表可知 18#墩处承台开挖深度及需降低地下水位均较大,故考虑该墩井点降水方案,其余墩台也可参照此设计。xx黄河公路大桥SJH-02合同段18#墩基坑井点降水设计计算书一、井点降水类型选择由于降水深度小于3.5m,采纳轻型井点降水法。二、井点降水系统布置形式1、井点线型平面布置采纳单排井点管布置。(如图1)基坑平面为图1 井点管平面布置图2、基坑图形面积计算基坑平面图形有多种,矩形、圆形、多边形等。而基坑涌水量计算需要有基坑计算半径r0,为此要把降水系统平面图形转换成一个等值圆。下表为不同类型基坑的计算公式。表1 基坑计算半径计算表2 η值将基坑长宽a=33.24m,b=17.2m,带入得η=1.151r0=1.151×=14.514m3、高程布置确定井点的埋设深度计算公式:L=h+H+ir0+0.5式中:L:井点管总长度 m h:露出地面高度 m H:地面至基底高度 m i:水利坡度 r0:基坑计算半径 m井点露出地面高度取0.3m,i取0.1L=h+H+ir0+0.5=0.3+4.493+0.1×14.514+0.5=6.744m三、基坑总涌水量计算井点降水基坑总涌水量的计算,主要根据裘布依...

1、当您付费下载文档后,您只拥有了使用权限,并不意味着购买了版权,文档只能用于自身使用,不得用于其他商业用途(如 [转卖]进行直接盈利或[编辑后售卖]进行间接盈利)。
2、本站所有内容均由合作方或网友上传,本站不对文档的完整性、权威性及其观点立场正确性做任何保证或承诺!文档内容仅供研究参考,付费前请自行鉴别。
3、如文档内容存在违规,或者侵犯商业秘密、侵犯著作权等,请点击“违规举报”。

碎片内容

桥墩基坑井点降水设计计算书

您可能关注的文档

确认删除?
VIP
微信客服
  • 扫码咨询
会员Q群
  • 会员专属群点击这里加入QQ群
客服邮箱
回到顶部