电脑桌面
添加小米粒文库到电脑桌面
安装后可以在桌面快捷访问

水厂扩建工程基坑支护施工方案

水厂扩建工程基坑支护施工方案_第1页
1/25
水厂扩建工程基坑支护施工方案_第2页
2/25
水厂扩建工程基坑支护施工方案_第3页
3/25
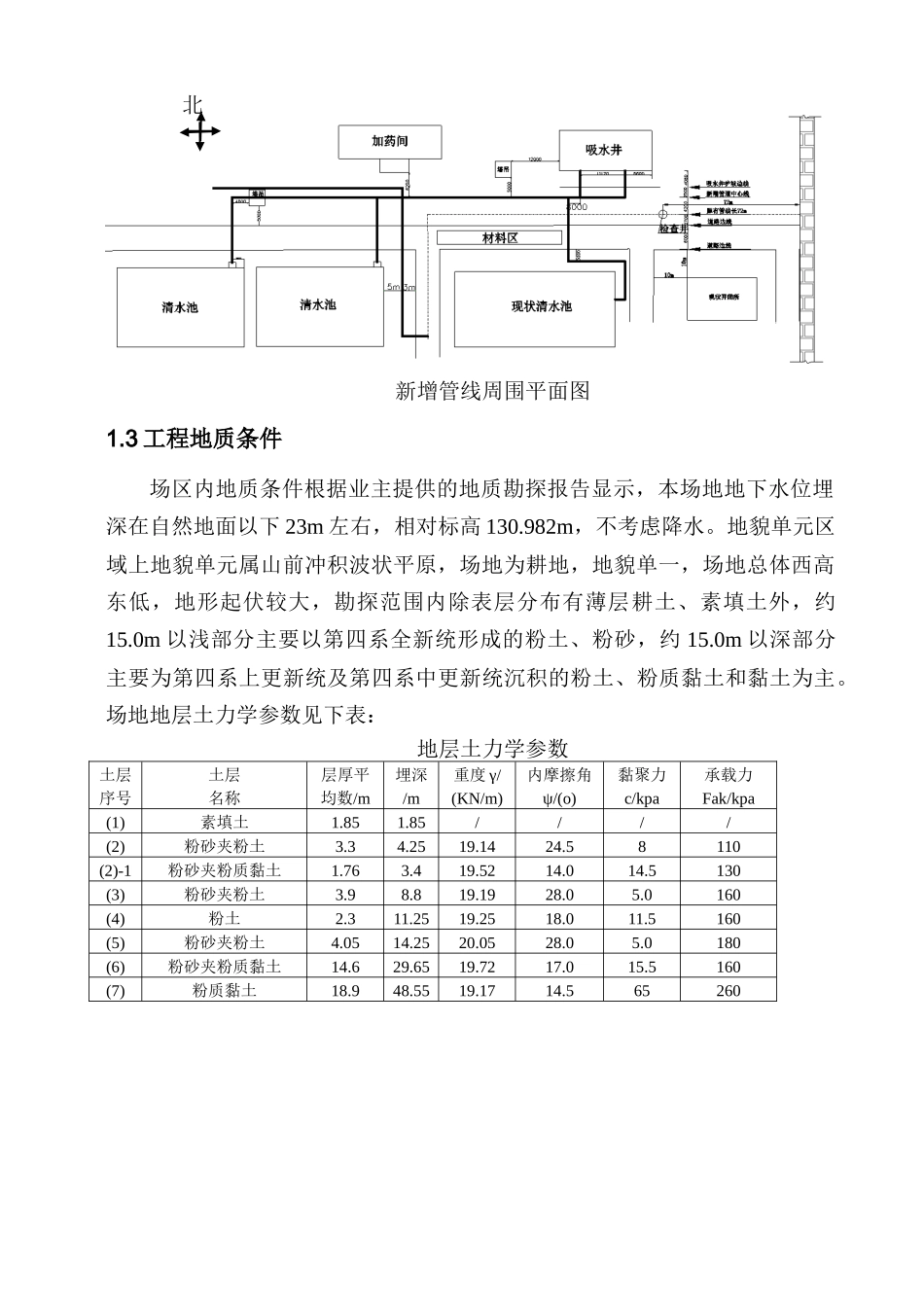
第一章 编制依据 (一) 设计、勘察资料1、设计图纸以及相关设计资料;2、水厂改扩建工程岩土工程勘察报告;3、现场勘察情况;4、类似工程施工经验。(二) 设计法律规范、规程1、国家标准《混凝土结构设计法律规范》(GB50010-2025);2、《建筑机械使用安全技术法律规范》(JGJ33-2025);3、建设部标准《建筑基坑支护技术规程》(JGJ120-2025);4、《供水管井设计施工及验收法律规范》(GJJ10-86);5、《施工现场临时用电安全技术规程》(JGJ46-2025);6、《建筑施工现场环境与卫生标准》(JGJ146-2025);7、《建筑施工安全检查标准》(JGJ59—2025);8、《建筑结构荷载法律规范》(GB5009—2001);9、《建筑边坡工程技术法律规范》(GB50330-2025);10、《建筑基坑支护技术规程》(JGJ120-2025);11、《建筑基坑工程监测技术法律规范》(GB50491-2025);(三) 施工法律规范、规程1、 国家标准《建筑地基基础施工质量验收法律规范》(GB50202-2025);2、 国家标准《混凝土结构工程施工质量验收法律规范》(GB50204-2025);3、 国家标准《建筑工程施工质量验收统一标准》(GB50300-2001);4、 国家、建设部及河南省颁布的其它法律规范、规程;第二章 工程概况1.1 工程概况1.1.1 工程名称:水厂改扩建工程厂区土建第二标段。1.1.2 建设地点:郑州。1.1.3 建设单位:水务公司。1.1.4 建设项目组成:厂区生产工艺管道(包含材料采购)、流量计、阀门及伸缩器(其中电动、气动阀门、DN300 及以上手动阀门的安装,DN300 以下手动阀门的采购及安装)安装及流量计井、阀门井及检查井等施工。1.1.5 工程特点:该工程中有超深管沟,管沟深度为 5.8 米,有新敷设的管道与老系统原有进水管 ø1000mm 十字交叉,另新敷设管线与老系统进水管平行,两管道边线且间距小于 3 米。根据甲方提供的老管线施工图,新管线标高比原系统管线低 3.6 米,经现场测量新管线标高比原系统管线低 2.75 米 。1.2 工程环境条件本工程是清水池与吸水井连接的新建生产管。全长约 156 米,管道直径为 DN1000 约 82 米、管道直径为 DN1400 约 74 米,管中心标高为 148.3 米,走向为东西走向。新增管线南侧有一道原进水管线,原管线与新增管线相平行,平行长度约 72m,平行管道中心间距 4.2m。本工程位于吸水井南侧6.58m 位置,距离管线进的建筑物有 2 台塔吊、加药间、清水池、加氯管线。其中位于清水池对面的塔吊影响管线施工...

1、当您付费下载文档后,您只拥有了使用权限,并不意味着购买了版权,文档只能用于自身使用,不得用于其他商业用途(如 [转卖]进行直接盈利或[编辑后售卖]进行间接盈利)。
2、本站所有内容均由合作方或网友上传,本站不对文档的完整性、权威性及其观点立场正确性做任何保证或承诺!文档内容仅供研究参考,付费前请自行鉴别。
3、如文档内容存在违规,或者侵犯商业秘密、侵犯著作权等,请点击“违规举报”。

碎片内容

水厂扩建工程基坑支护施工方案

您可能关注的文档

确认删除?
VIP
微信客服
  • 扫码咨询
会员Q群
  • 会员专属群点击这里加入QQ群
客服邮箱
回到顶部