电脑桌面
添加小米粒文库到电脑桌面
安装后可以在桌面快捷访问

汽车发动机构造及检修教案柴油机供给系

汽车发动机构造及检修教案柴油机供给系_第1页
1/28
汽车发动机构造及检修教案柴油机供给系_第2页
2/28
汽车发动机构造及检修教案柴油机供给系_第3页
3/28
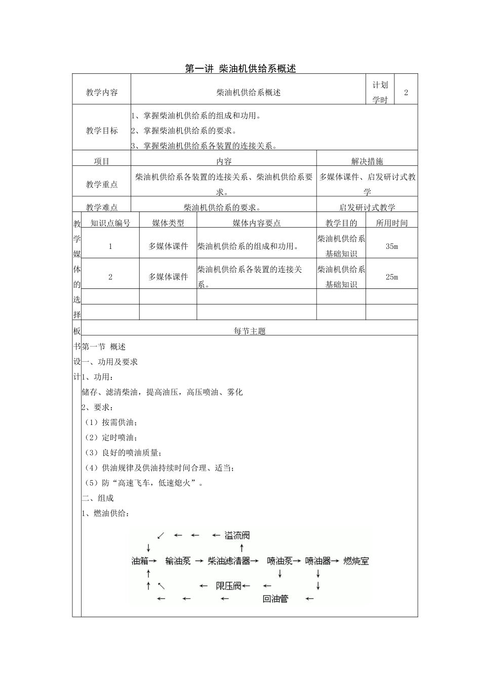
第一讲 柴油机供给系概述教学内容柴油机供给系概述计划学时2教学目标1、掌握柴油机供给系的组成和功用。2、掌握柴油机供给系的要求。3、掌握柴油机供给系各装置的连接关系。 项目内容解决措施教学重点柴油机供给系各装置的连接关系、柴油机供给系要求。多媒体课件、启发研讨式教学教学难点柴油机供给系的要求。启发研讨式教学教学媒体的选择知识点编号媒体类型媒体内容要点教学目的所用时间1多媒体课件柴油机供给系的组成和功用。柴油机供给系基础知识35m2多媒体课件柴油机供给系各装置的连接关系。柴油机供给系基础知识25m 板书设计 每节主题第一节 概述一、功用及要求1、功用:储存、滤清柴油,提高油压,高压喷油、雾化2、要求:(1)按需供油;(2)定时喷油;(3)良好的喷油质量;(4)供油规律及供油持续时间合理、适当;(5)防“高速飞车,低速熄火”。二、组成1、燃油供给:高压油路:喷油泵出口→ 喷油器 油压:10 Mpa 以上 , 喷油泵建立低压油路:油箱→ 喷油泵入口 油压:0.15~0.3Mpa,输油泵建立2、空气供给装置:滤清器、进气管、进气道等3、混合气形成装置:燃烧室4、废气排出装置:排气道、排气管、排气消声器等。教学过程结构设计 知识性练习 柴油机供给系的基本组成是什么?与汽油机相比,柴油机的供给系有何特点?形成性评价 本次课的内容为基础概念,要求学生熟练掌握为以后基本技能学习奠定基础。 第二讲 喷油器教学内容喷油器计划学时2教学目标1、掌握喷油器功用及工作要求。2、掌握喷油器的分类及结构。3、掌握喷油器的工作原理。 项目内容解决措施教学重点柴油机喷油器的结构及工作原理。多媒体课件与实物相结合教学难点柴油机喷油器的工作原理。多媒体课件与实物相结合教学媒体的选择知识点编号媒体类型媒体内容要点教学目的所用时间1多媒体课件、实物柴油机喷油器的结构柴油机供给系基础知识35m2多媒体课件、实物柴油机喷油器的工作原理柴油机供给系基础知识25m 板书设计 每节主题第二节 喷油器一、概述1、作用:雾化柴油、合理分布油雾2、要求:喷油质量好,供停迅速不滴漏,喷油规律好。3、分类: 开式:高压油腔与燃烧室相通闭式:高压油腔与燃烧室隔断。 闭式又分为孔式与轴针式。二、孔式喷油器的构造与工作原理1、构造2、工作原理(1)喷油(2)停喷(3)回油(4)调压二、轴针式喷油器1、结构特点针阀下端有轴针(倒锥形或圆柱形),插在喷孔中,喷注成空心锥状或圆柱状。2、节流特点三...

1、当您付费下载文档后,您只拥有了使用权限,并不意味着购买了版权,文档只能用于自身使用,不得用于其他商业用途(如 [转卖]进行直接盈利或[编辑后售卖]进行间接盈利)。
2、本站所有内容均由合作方或网友上传,本站不对文档的完整性、权威性及其观点立场正确性做任何保证或承诺!文档内容仅供研究参考,付费前请自行鉴别。
3、如文档内容存在违规,或者侵犯商业秘密、侵犯著作权等,请点击“违规举报”。

碎片内容

汽车发动机构造及检修教案柴油机供给系

您可能关注的文档

确认删除?
VIP
微信客服
  • 扫码咨询
会员Q群
  • 会员专属群点击这里加入QQ群
客服邮箱
回到顶部