电脑桌面
添加小米粒文库到电脑桌面
安装后可以在桌面快捷访问

测量回路校线单位分项报验申请表1-2-6-1

测量回路校线单位分项报验申请表1-2-6-1_第1页
1/3
测量回路校线单位分项报验申请表1-2-6-1_第2页
2/3
测量回路校线单位分项报验申请表1-2-6-1_第3页
3/3
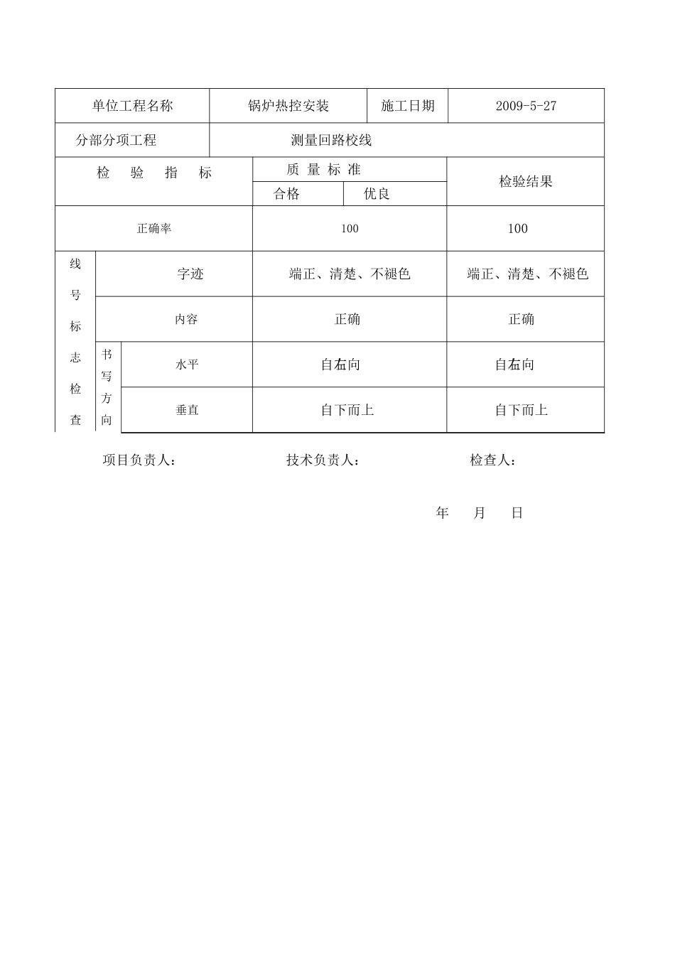
测量回路校线报验申请表工程名称:锅炉热控安装 编号:1-2-6-1 致:煤炭工业部济南设计讨论院工程建设监理公司 (监理单位) 我单位已完成了测量回路校线工作,现报上该工程报验申请表,请予以审查和验收。 附件:1、测量回路校线自检结果2、测量回路校线分项工程质量检验评定表承包单位(章) 项目经理 日 期 审查意见: 项目监理机构 总/专业监理工程师 日 期 测量回路校线分项工程质量检验评定表工程名称:锅炉热控安装 表号:7.7.1工序检 验 指 标性质单位质 量 标 准质 量 检 验 记 录评 定合 格优 良校线正确率主要%100100合格线号标志检查字迹端 正 、 清 楚 、不褪色端正、清楚、不褪色合格内容正确正确合格书写方向水平自左向右自左向右合格垂直自下而上自下而上合格质检机构质量验收评定意见签名班 组 年 月 日工 地 年 月 日质 检 部 年 月 日监 理 年 月 日测量回路校线分项工程检查记录 单位工程名称锅炉热控安装施工日期2009-5-27分部分项工程测量回路校线检 验 指 标质 量 标 准 检验结果 合格 优良正确率100100线号标志检查字迹端正、清楚、不褪色端正、清楚、不褪色 内容正确正确书写方向水平自左向右自左向右垂直自下而上自下而上项目负责人: 技术负责人: 检查人: 年 月 日

1、当您付费下载文档后,您只拥有了使用权限,并不意味着购买了版权,文档只能用于自身使用,不得用于其他商业用途(如 [转卖]进行直接盈利或[编辑后售卖]进行间接盈利)。
2、本站所有内容均由合作方或网友上传,本站不对文档的完整性、权威性及其观点立场正确性做任何保证或承诺!文档内容仅供研究参考,付费前请自行鉴别。
3、如文档内容存在违规,或者侵犯商业秘密、侵犯著作权等,请点击“违规举报”。

碎片内容

测量回路校线单位分项报验申请表1-2-6-1

人从众+ 关注
实名认证
内容提供者

欢迎光临小店,本店以公文和教育为主,希望符合您的需求。

确认删除?
VIP
微信客服
  • 扫码咨询
会员Q群
  • 会员专属群点击这里加入QQ群
客服邮箱
回到顶部