电脑桌面
添加小米粒文库到电脑桌面
安装后可以在桌面快捷访问

深基坑支护设计-中粗砂

深基坑支护设计-中粗砂_第1页
1/13
深基坑支护设计-中粗砂_第2页
2/13
深基坑支护设计-中粗砂_第3页
3/13
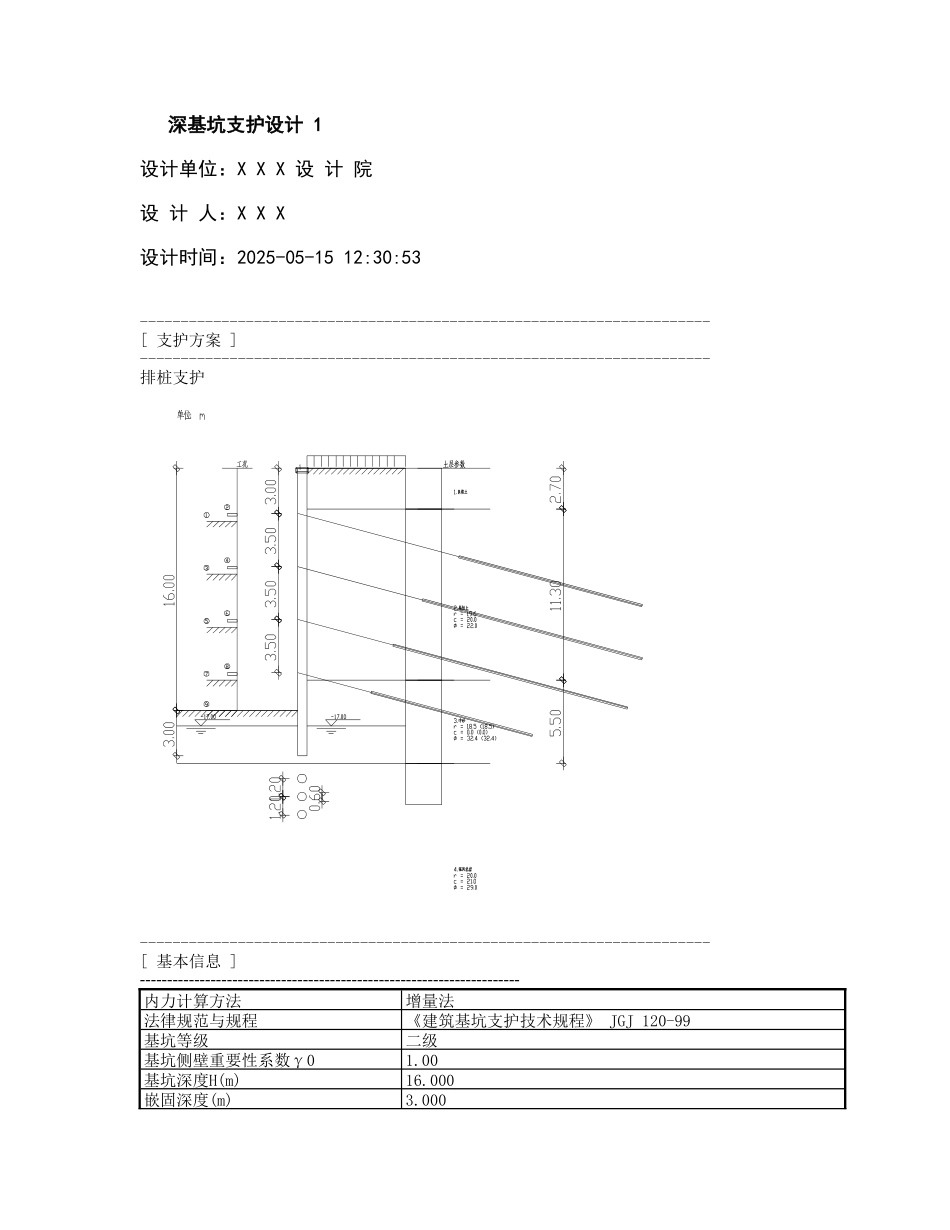
深基坑支护设计 1设计单位:X X X 设 计 院设 计 人:X X X设计时间:2025-05-15 12:30:53----------------------------------------------------------------------[ 支护方案 ]----------------------------------------------------------------------排桩支护----------------------------------------------------------------------[ 基本信息 ]----------------------------------------------------------------------内力计算方法增量法法律规范与规程《建筑基坑支护技术规程》 JGJ 120-99基坑等级二级基坑侧壁重要性系数γ01.00基坑深度H(m)16.000嵌固深度(m)3.000桩顶标高(m)0.000桩直径(m)0.600桩间距(m)1.200混凝土强度等级C20有无冠梁 有 ├冠梁宽度(m) 0.800 ├冠梁高度(m) 0.300 └水平侧向刚度(MN/m) 1.911放坡级数 0超载个数 1----------------------------------------------------------------------[ 超载信息 ]----------------------------------------------------------------------超载类型超载值作用深度作用宽度距坑边距形式长度序号 (kPa,kN/m)(m)(m)(m) (m)110.000-------------------------------------------------------------------------------------[ 土层信息 ]----------------------------------------------------------------------土层数 4坑内加固土 否内侧降水最终深度(m)17.000外侧水位深度(m)17.000内侧水位是否随开挖过程变化否弹性法计算方法m法----------------------------------------------------------------------[ 土层参数 ]----------------------------------------------------------------------层号土类名称层厚重度浮重度粘聚力内摩擦角 (m)(kN/m3)(kN/m3)(kPa)(度)1素填土2.7018.0---5.005.002粘性土11.3019.6---20.0022.003中砂5.5018.58.50.0032.404强风化岩10.0020.010.0------层号与锚固体摩粘聚力内摩擦角水土计算m值抗剪强度 擦阻力(kPa)水下(kPa)水下(度) (MN/m4)(kPa)118.0---------0.50---250.0---------9.48---390.00.0032.40分算17.76---4120.021.0029.00合算16.02-------------------------------------------------------------------------[ 支锚信息 ]----------------------------------------------------------------------支锚道数4支锚支锚类型水平间距竖向间距入射角总长锚固段道号 (m)(m)(°)(m)长度(m)1锚杆2.4...

1、当您付费下载文档后,您只拥有了使用权限,并不意味着购买了版权,文档只能用于自身使用,不得用于其他商业用途(如 [转卖]进行直接盈利或[编辑后售卖]进行间接盈利)。
2、本站所有内容均由合作方或网友上传,本站不对文档的完整性、权威性及其观点立场正确性做任何保证或承诺!文档内容仅供研究参考,付费前请自行鉴别。
3、如文档内容存在违规,或者侵犯商业秘密、侵犯著作权等,请点击“违规举报”。

碎片内容

深基坑支护设计-中粗砂

您可能关注的文档

阳光书坊+ 关注
实名认证
内容提供者

阳光书坊,传播未来

确认删除?
VIP
微信客服
  • 扫码咨询
会员Q群
  • 会员专属群点击这里加入QQ群
客服邮箱
回到顶部