电脑桌面
添加小米粒文库到电脑桌面
安装后可以在桌面快捷访问

深基坑支护设计计算书

深基坑支护设计计算书_第1页
1/12
深基坑支护设计计算书_第2页
2/12
深基坑支护设计计算书_第3页
3/12
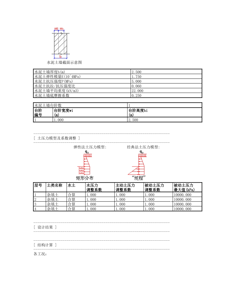
深基坑支护设计 7设计时间:xx-02-12 ----------------------------------------------------------------------[ 支护方案 ]----------------------------------------------------------------------水泥土墙支护----------------------------------------------------------------------[ 基本信息 ]----------------------------------------------------------------------内力计算方法增量法法律规范与规程《建筑基坑支护技术规程》 JGJ 120-99基坑等级二级基坑侧壁重要性系数γ01.00基坑深度H(m)5.500嵌固深度(m)5.500墙顶标高(m)0.000截面类型及参数实心墙...放坡级数 0超载个数 1----------------------------------------------------------------------[ 超载信息 ]----------------------------------------------------------------------超载类型超载值作用深度作用宽度距坑边距形式长度序号 (kPa,kN/m)(m)(m)(m) (m)110.000-------------------------------------------------------------------------------------[ 土层信息 ]----------------------------------------------------------------------土层数 4坑内加固土 是内侧降水最终深度(m)8.000外侧水位深度(m)2.000弹性法计算方法m法----------------------------------------------------------------------[ 土层参数 ]----------------------------------------------------------------------层号土类名称层厚重度浮重度粘聚力内摩擦角 (m)(kN/m3)(kN/m3)(kPa)(度)1杂填土2.5020.010.014.0014.002杂填土7.0017.07.012.0015.003杂填土2.0020.010.0------4杂填土20.0020.010.0------层号与锚固体摩粘聚力内摩擦角水土计算m值抗剪强度 擦阻力(kPa)水下(kPa)水下(度) (MN/m4)(kPa)140.014.0014.00合算3.92---240.012.0015.00合算4.20---340.016.0015.00合算3.92---440.012.0026.00合算12.12-------------------------------------------------------------------------[ 加固土参数 ]----------------------------------------------------------------------土类名称宽度层厚重度浮重度粘聚力内摩擦角 (m)(m)(kN/m3)(kN/m3)(kPa)(度)人工加固土6.02.00018.0008.00020.00030.000土类名称粘聚力内摩擦角水土计算m值抗剪强度 水下(kPa)水下(度) (MN/m4)(kPa)人工加固土15.00015.000分算10.00050.00---------------------------------------------...

1、当您付费下载文档后,您只拥有了使用权限,并不意味着购买了版权,文档只能用于自身使用,不得用于其他商业用途(如 [转卖]进行直接盈利或[编辑后售卖]进行间接盈利)。
2、本站所有内容均由合作方或网友上传,本站不对文档的完整性、权威性及其观点立场正确性做任何保证或承诺!文档内容仅供研究参考,付费前请自行鉴别。
3、如文档内容存在违规,或者侵犯商业秘密、侵犯著作权等,请点击“违规举报”。

碎片内容

深基坑支护设计计算书

您可能关注的文档

确认删除?
VIP
微信客服
  • 扫码咨询
会员Q群
  • 会员专属群点击这里加入QQ群
客服邮箱
回到顶部