电脑桌面
添加小米粒文库到电脑桌面
安装后可以在桌面快捷访问

湖南某钢结构厂房吊装施工方案

湖南某钢结构厂房吊装施工方案_第1页
1/10
湖南某钢结构厂房吊装施工方案_第2页
2/10
湖南某钢结构厂房吊装施工方案_第3页
3/10
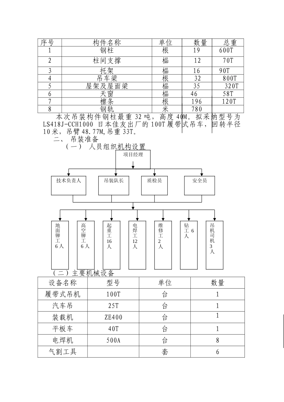
*钢大无缝钢管管坯技改工程 A 标段钢结构吊 装 方 案批准: 审核: 编制: 湖南某工程有限公司*钢工程项目部二 00 五年二月十九日目 录一. 吊装工程概况二. 吊装准备三. 吊装流程四. 吊装顺序五. 钢构件运输六. 钢柱、柱间支撑吊装方法七. 屋架、托架、天窗和檩条吊装方法八. 吊车梁吊装方法九. 制动系统吊装方法十. 施工安全措施十一 进度计划表 一、 吊装工程概况本次钢结构主体吊装由于 G 轴第 5、6 线,F 轴第 5、6线,E 轴第 4、5 线的承台基础临时不能施工,电炉基础需要马上开挖,为了保证 4 月 30 号电炉跨屋面出水,因此不可按原施工组织设计的吊装顺序进行。我们经过仔细讨论,先吊装 G 列 2、3、4 线,F 列 2、3、4,E 列 1、2、3 线九根钢柱及柱间支撑、托架、屋架、天窗、檩条及屋面梁,再吊装 G列 5、6、7 线,F 列 5、6、7 线,E 列 4、5、6、7 线 10 根钢柱及柱间支撑、托架、屋架、天窗、檩条及屋面梁。当钢柱、托架、屋架、支撑、天窗吊装完后,再吊装GF、FE 跨吊车梁及制动系统和钢轨.吊装工程量如下表:序号构件名称单位数量总重1钢柱根19600T2柱间支撑榀 12 70T3托架榀1690T4吊车梁 根 32 800T5屋架及屋面梁 榀35320T6天窗 榀 46 58T7檩条根196120T8钢轨米780 本次吊装构件钢柱最重 32 吨,高度 40M。拟采纳型号为LS418J-CCH1000 日本佳友出厂的 100T 履带式吊车,回转半径10 米,吊臂 48.77M,吊重 33T。二、 吊装准备(一) 人员组织机构设置(二)主要机械设备 设备名称型号单位数量履带式吊机100T台1汽车吊25T台1装载机ZE400台1平板车40T台1电焊机500A台8气割工具套6项目经理技术负责人吊装队长质检员安全员地面铆工 6 人起重工 16人电焊工 12 人高空铆工 6 人钻工 6 人吊机司机 3 人维修工 2 人路基箱2000x6000块6捆绑钢丝绳φ32米100设备名称型号单位数量拦风绳φ16米500卡环40T个4卡环10T个10卡环5T个20手拉葫芦5T个4手拉葫芦3T个10手拉葫芦2T个12千斤顶20T个8锲铁个120橇棍1.5M根8橇棍0.5M根8水平仪DS3台1经纬仪J2台2水平尺400把4爬梯40M根19吊蓝个38(三)现场设工具房 1 间,施工用电、水由甲方指定供应点。1. 运输路线和吊装现场的路基需要填片石和炉渣,请武钢项目部协调在 25 号以前完成,具备运输及吊装的路基条件:1) 制作现场二连扎 AB 跨西门近 100 米低洼地段填至±0,2) 西门前面绿化...

1、当您付费下载文档后,您只拥有了使用权限,并不意味着购买了版权,文档只能用于自身使用,不得用于其他商业用途(如 [转卖]进行直接盈利或[编辑后售卖]进行间接盈利)。
2、本站所有内容均由合作方或网友上传,本站不对文档的完整性、权威性及其观点立场正确性做任何保证或承诺!文档内容仅供研究参考,付费前请自行鉴别。
3、如文档内容存在违规,或者侵犯商业秘密、侵犯著作权等,请点击“违规举报”。

碎片内容

湖南某钢结构厂房吊装施工方案

确认删除?
VIP
微信客服
  • 扫码咨询
会员Q群
  • 会员专属群点击这里加入QQ群
客服邮箱
回到顶部