电脑桌面
添加小米粒文库到电脑桌面
安装后可以在桌面快捷访问

湖南省2025建筑消耗量定额说明建筑装饰

湖南省2025建筑消耗量定额说明建筑装饰_第1页
1/39
湖南省2025建筑消耗量定额说明建筑装饰_第2页
2/39
湖南省2025建筑消耗量定额说明建筑装饰_第3页
3/39
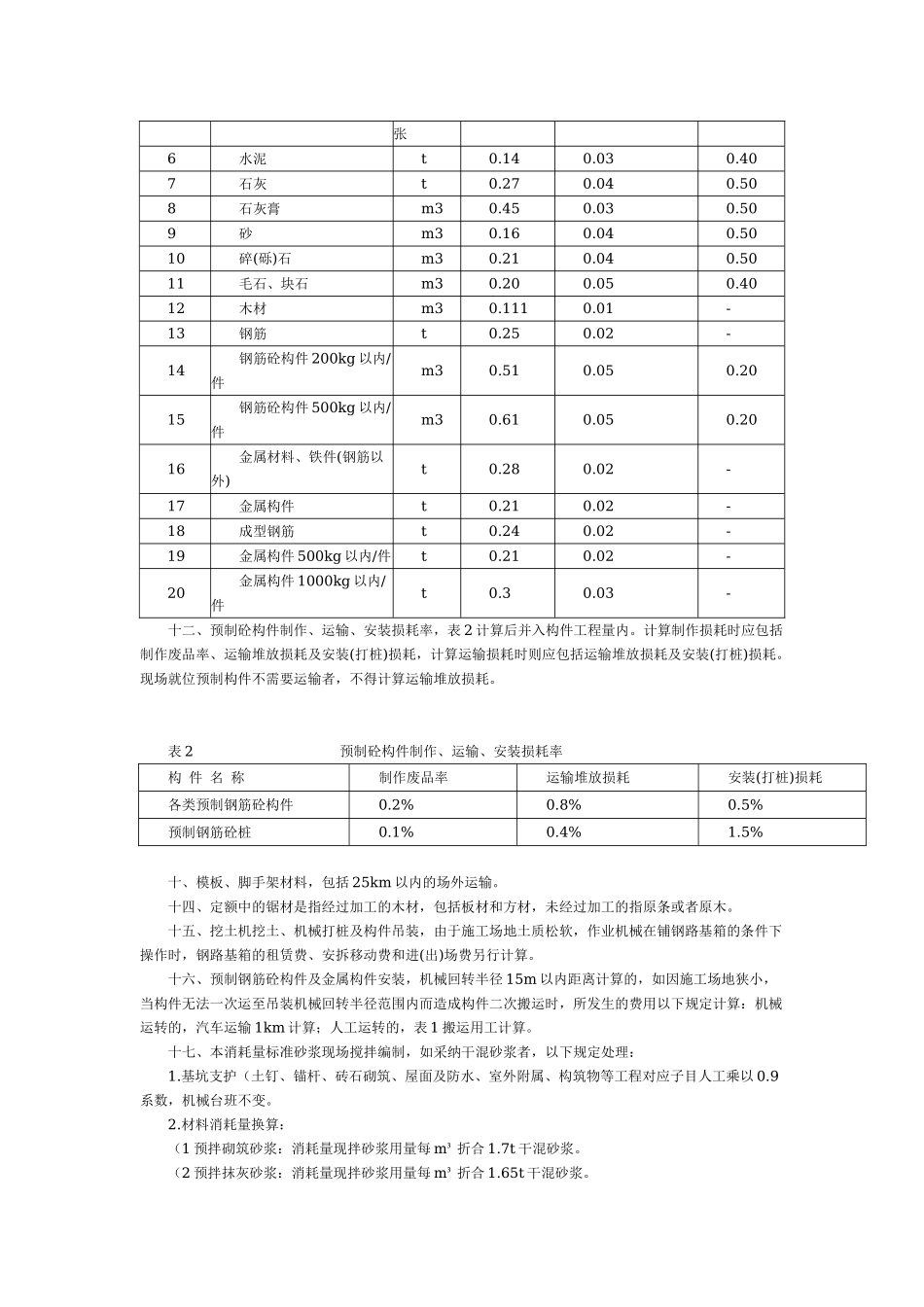
湖南省 2025 建筑消耗量定额说明总 说 明一、《湖南省建筑工程计价消耗量标准》(以下简称本标准)是根据建设部《建设工程工程量清单计价法律规范》(简称“计价法律规范”)的规定,以建设部 1995 年《全国统一建筑工程基础定额》(土建工程)和《全国统一建筑工程量计算规则》为基础,结合我省具体情况编制的。二、本标准作用:1.编制施工图预算、招标标底的依据;2.调解处理工程造价纠纷和鉴定工程造价的依据;3.编制建筑工程概算定额(指标)、估算指标的基础;4.编制企业定额、投标报价的参考。三、本标准适用于工业与民用建筑的新建、扩建和改建工程。四、本标准是根据正常施工条件和目前多数建筑企业的施工机械装备程度,并结合合理的工期、工艺、劳动组织编制的;是依据现行的设计法律规范和施工验收法律规范、质量评定标准、安全操作规程等国家标准编制的。本标准实行动态管理,随着时间的推移,实际消耗量与本标准如差异,经湖南省建设工程造价管理总站批准,可以调整。五、本标准中规定机械操作的项目,实际采纳人工操作时也不换算。工作内容说明了主要施工工序,次要工序虽未说明,但在本标准中已经考虑。六、人工工日不分工种、技术等级,一律以综合工日表示。内容包括基本用工、超运距用工、人工幅度差、辅助用工。其中基本用工,以全国建筑安装工程统一劳动定额为基础计算,缺项部分参考现行定额及实际调查资料计算。七、人工工资单价包括计时工资或计件工资、奖金、津贴补贴、加班加点工资、特别情况下支付的工资。八、建筑材料的消耗量均合格产品编制。九、建筑材料、半成品、成品的材料预算价格系指材料由来源地到达施工场地仓库(或施工场地材料堆放地)的全部费用之和。十、建筑材料、半成品、成品的消耗量包括了从施工场地仓库、现场集中堆放地点或现场加施工场地点至操作或安装地点的施工现场堆放损耗、运输损耗、施工操作损耗。十一、因场地狭小等特别情况造成材料或小型构件地面水平运距超过 80m 者,或发生二次转运者,其费用依据表 1 规定计算,并对运距计算作以下规定:1.其超运距场内材料实际运距减去 80m 计算;2.实际运距计算,以取料中心点为起点,以建筑物外围地面使用点、建筑物入口处或材料堆放中心为终点(垂直运输者,以斜道口或机械吊处为终点)。表 1 材料或小型构件场内二次搬运用工及运输损耗序号材料名称单位二次搬运工(工日)二次运损(%)运距 50m以内运距每超 50m1标准砖千块0.390.060.402黏土平瓦、...

1、当您付费下载文档后,您只拥有了使用权限,并不意味着购买了版权,文档只能用于自身使用,不得用于其他商业用途(如 [转卖]进行直接盈利或[编辑后售卖]进行间接盈利)。
2、本站所有内容均由合作方或网友上传,本站不对文档的完整性、权威性及其观点立场正确性做任何保证或承诺!文档内容仅供研究参考,付费前请自行鉴别。
3、如文档内容存在违规,或者侵犯商业秘密、侵犯著作权等,请点击“违规举报”。

碎片内容

湖南省2025建筑消耗量定额说明建筑装饰

元素商铺+ 关注
实名认证
内容提供者

欢迎挑选合适的文档

确认删除?
VIP
微信客服
  • 扫码咨询
会员Q群
  • 会员专属群点击这里加入QQ群
客服邮箱
回到顶部