电脑桌面
添加小米粒文库到电脑桌面
安装后可以在桌面快捷访问

照明功率密度速查表

照明功率密度速查表_第1页
1/3
照明功率密度速查表_第2页
2/3
照明功率密度速查表_第3页
3/3
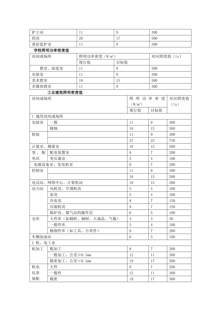
居住建筑每户照明功率密度值房间或场所照明功率密度(W/m2)对应照度值(lx)现行值目标值起居室76100卧室75餐厅150厨房100卫生间100 办公室照明功率密度房间或场所照明功率密度(W/m2)对应照度值(lx)现行值目标值普通办公室119300高档办公事、设计室1815500会议室119300营业厅1311300文件整理、复印、发行室119300档案室87200商业建筑照明功率密度值房间或场所照明功率密度(W/m2)对应照度值(lx)现行值目标值一般商店营业厅1210300高档商店营业厅1916500一般超市营业厅1311300高档超市营业厅2017500 旅馆建筑照明功率密度值房间或场所照明功率密度(W/m2)对应照度值(lx)现行值目标值客厅1513--------中餐厅1311200多功能厅1815300客厅层走廊5450门厅1513300医院建筑照明功率密度值房间或场所照明功率密度(W/m2)对应照度值(lx)现行值目标值治疗室119300化验室1815500手术室3025750候诊室、挂号室87200病房65100护士站119300药房2017500重症监护室119300学校照明功率密度值房间或场所照明功率密度(W/m2)对应照度值(lx)现行值目标值教室、阅览室119300实验室119300美术教室1815500多媒体教室119300工业建筑照明密度值房间或场所照 明 功 率 密 度(W/m2)对应照度值(lx)现行值目标值1 通用房间或场所实验室一般119300精细1815500检验1193002723750计量室、测量室1815500变 、 配电站配电装置室87200变压器室54100 电源设备室、发电机室87200控制室1193001815500电话站、网络中心、计算机站1815500动力站风机房、空调机房54100泵房54100冷冻房87150压缩机房87150锅炉房、煤气站的操作层65100仓库大件库(如钢柸、钢材、大成品、气瓶)3350一般件库54100精细件库(如工具、小零件)87200车辆加油站651002 机、电工业机加工粗加工87200一般加工,公差≥0.1mm1211300精密加工,公差<0.1mm1917500机电仪表装配大件87200一般件1211300精密1917500特精密2724750电线、电缆制造1211300线 圈 绕制大线圈1211300中等线圈1917500精细线圈2724750线圈浇注1211300焊接一般87200精密1211300钣金1211300冲压、剪切1211300热处理87200铸造熔化、浇铸98200造型1312300精密铸造的制模、脱壳1917500锻造98200电镀1312300喷漆一般1514300精细2523500酸洗、腐蚀、清洗1514300抛光一般装饰性1612300精细2018500复合材料加工、铺叠、装饰1917500机 电 修理一般87200精密12113003 电子工业电子元器件2018500电子零部件2018500电子材料1210300酸、碱、药液及粉剂1412300注:房间或场所的室形指数值等于或小于1时,本表的照明功率密度值可增加20%.

1、当您付费下载文档后,您只拥有了使用权限,并不意味着购买了版权,文档只能用于自身使用,不得用于其他商业用途(如 [转卖]进行直接盈利或[编辑后售卖]进行间接盈利)。
2、本站所有内容均由合作方或网友上传,本站不对文档的完整性、权威性及其观点立场正确性做任何保证或承诺!文档内容仅供研究参考,付费前请自行鉴别。
3、如文档内容存在违规,或者侵犯商业秘密、侵犯著作权等,请点击“违规举报”。

碎片内容

照明功率密度速查表

您可能关注的文档

阳光书坊+ 关注
实名认证
内容提供者

阳光书坊,传播未来

确认删除?
VIP
微信客服
  • 扫码咨询
会员Q群
  • 会员专属群点击这里加入QQ群
客服邮箱
回到顶部