电脑桌面
添加小米粒文库到电脑桌面
安装后可以在桌面快捷访问

燃油-燃气蒸汽锅炉使用说明

燃油-燃气蒸汽锅炉使用说明_第1页
1/1
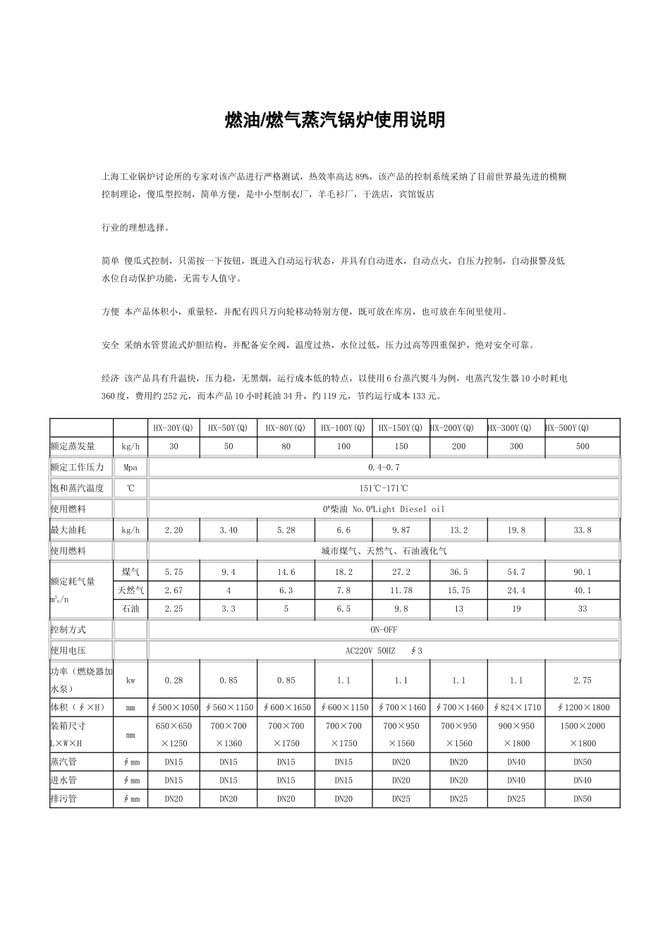
燃油/燃气蒸汽锅炉使用说明上海工业锅炉讨论所的专家对该产品进行严格测试,热效率高达 89%,该产品的控制系统采纳了目前世界最先进的模糊控制理论,傻瓜型控制,简单方便,是中小型制衣厂,羊毛衫厂,干洗店,宾馆饭店行业的理想选择。简单 傻瓜式控制,只需按一下按钮,既进入自动运行状态,并具有自动进水,自动点火,自压力控制,自动报警及低水位自动保护功能,无需专人值守。方便 本产品体积小,重量轻,并配有四只万向轮移动特别方便,既可放在库房,也可放在车间里使用。安全 采纳水管贯流式炉胆结构,并配备安全阀,温度过热,水位过低,压力过高等四重保护,绝对安全可靠。经济 该产品具有升温快,压力稳,无黑烟,运行成本低的特点,以使用 6 台蒸汽熨斗为例,电蒸汽发生器 10 小时耗电360 度,费用约 252 元,而本产品 10 小时耗油 34 升,约 119 元,节约运行成本 133 元。 HX-30Y(Q)HX-50Y(Q)HX-80Y(Q)HX-100Y(Q)HX-150Y(Q) HX-200Y(Q)HX-300Y(Q)HX-500Y(Q)额定蒸发量kg/h305080100150200300500额定工作压力Mpa0.4-0.7饱和蒸汽温度℃151℃-171℃使用燃料 0#柴油 No.0#Light Diesel oil最大油耗kg/h2.203.405.286.69.8713.219.833.8使用燃料 城市煤气、天然气、石油液化气额定耗气量m3n/n煤气5.759.414.618.227.236.554.790.1天然气2.6746.37.811.7815.7524.440.1石油2.253.356.59.8131933控制方式 ON-OFF使用电压 AC220V 50HZ ∮3功率(燃烧器加水泵)kw0.280.850.851.11.11.11.12.75体积(∮×H)mm∮500×1050 ∮560×1150∮600×1650∮600×1150∮700×1460∮700×1460∮824×1710∮1200×1800装箱尺寸L×W×Hmm650×650×1250700×700×1360700×700×1750700×700×1750700×950×1560700×950×1560900×950×18001500×2000×1800蒸汽管∮mmDN15DN15DN15DN15DN20DN20DN40DN50进水管∮mmDN15DN15DN15DN15DN20DN20DN40DN40排污管∮mmDN20DN20DN20DN20DN25DN25DN25DN50

1、当您付费下载文档后,您只拥有了使用权限,并不意味着购买了版权,文档只能用于自身使用,不得用于其他商业用途(如 [转卖]进行直接盈利或[编辑后售卖]进行间接盈利)。
2、本站所有内容均由合作方或网友上传,本站不对文档的完整性、权威性及其观点立场正确性做任何保证或承诺!文档内容仅供研究参考,付费前请自行鉴别。
3、如文档内容存在违规,或者侵犯商业秘密、侵犯著作权等,请点击“违规举报”。

碎片内容

燃油-燃气蒸汽锅炉使用说明

您可能关注的文档

确认删除?
VIP
微信客服
  • 扫码咨询
会员Q群
  • 会员专属群点击这里加入QQ群
客服邮箱
回到顶部