电脑桌面
添加小米粒文库到电脑桌面
安装后可以在桌面快捷访问

现场管理类隐患排查治理清单

现场管理类隐患排查治理清单_第1页
1/146
现场管理类隐患排查治理清单_第2页
2/146
现场管理类隐患排查治理清单_第3页
3/146
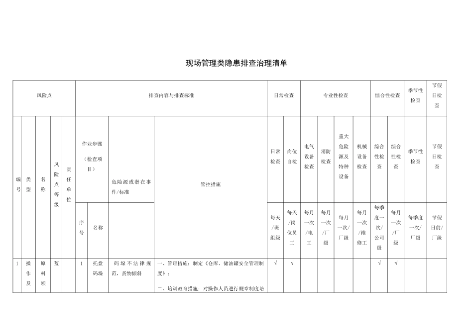
现场管理类隐患排查治理清单风险点排查内容与排查标准日常检查专业性检查综合性检查季节性检查节假日检查编号类型名称风险点等级责任单位作业步骤(检查项目)危险源或潜在事件/标准管控措施日常检查岗位自检电气设备检查消防检查重大危险源及特种设备机械设备检查综合性检查综合性检查季节性检查节假日检查序号名称每天/班组级每天/岗位员工每月一次/电工每月一次/厂级每月一次/厂级每月一次/维修工每季度一次/公司级每月一次/厂级每季度一次/厂级节假日前/厂级1操作及原料领蓝1托盘码垛码 垛 不 法 律 规范,货物倾斜一、管理措施:制定《仓库、储油罐安全管理制度》;二、培训教育措施:对操作人员进行规章制度培√√√√作业活动用作业训,培训合格后上岗;三、个体防护措施:正确穿戴防寒服、反光背心等劳动防护用品;四、应急处置措施:配备云南白药、创可贴、双氧水、止血带等应急药品,发生紧急情况立即启动综合应急预案。2原料托运货物转载不稳、超载、货物坠落一、管理措施:制定叉车安全操作规程,张贴警示标识;二、培训教育措施:培训规章制度、操作规程,培训合格后上岗;三、个体防护措施:正确穿戴反光背心等劳动防护用品;四、应急处理措施:配备云南白药、创可贴、双氧水、止血带等应急药品,发生紧急情况立即启动综合应急预案。√√√√2操作及作业活斩拌作业蓝1解冻刀具使用不法律规范一、管理措施:制定解冻安全注意事项;二、培训教育措施:对作业人员注意事项、岗位自检标准的培训教育,培训合格后方可上岗;三、个体防护措施:正确佩戴手套;四、应急处置措施:配备云南白药、创可贴、双√√√√√√动氧水、止血带等应急药品,发生紧急情况立即启动机械损害事故专项应急预案。2切块设备带病运行,无防护罩一、工程技术措施:安装急停开关、防护罩,完善设备保护装置;二、管理措施:编制切块机操作规程,岗位自检,显著位置张贴警示标识;三、培训教育措施:对操作人员进行操作规程、工作标准、用电安全的培训,培训合格后上岗;四、个体防护措施:正确佩戴手套、口罩、工作服、水鞋;五、应急处置措施:配备云南白药、创可贴、双氧水、止血带等应急药品,发生紧急情况立即启动机械损害事故专项应急预案。√√√√√√3绞肉设备带病运行,无防护罩,原料溅出一、工程技术措施:安装急停开关、防护罩,完善设备保护装置;二、管理措施:编制绞肉机操作规程,岗位自检,显著位置张贴警示标识;三、培训教育措施:对操...

1、当您付费下载文档后,您只拥有了使用权限,并不意味着购买了版权,文档只能用于自身使用,不得用于其他商业用途(如 [转卖]进行直接盈利或[编辑后售卖]进行间接盈利)。
2、本站所有内容均由合作方或网友上传,本站不对文档的完整性、权威性及其观点立场正确性做任何保证或承诺!文档内容仅供研究参考,付费前请自行鉴别。
3、如文档内容存在违规,或者侵犯商业秘密、侵犯著作权等,请点击“违规举报”。

碎片内容

现场管理类隐患排查治理清单

范哲铺+ 关注
实名认证
内容提供者

想你所想,急你所急,你需要的都在店铺里可以找到。

确认删除?
VIP
微信客服
  • 扫码咨询
会员Q群
  • 会员专属群点击这里加入QQ群
客服邮箱
回到顶部