电脑桌面
添加小米粒文库到电脑桌面
安装后可以在桌面快捷访问

玻化微珠保温砂浆外墙保温工程技术交底

玻化微珠保温砂浆外墙保温工程技术交底_第1页
1/8
玻化微珠保温砂浆外墙保温工程技术交底_第2页
2/8
玻化微珠保温砂浆外墙保温工程技术交底_第3页
3/8
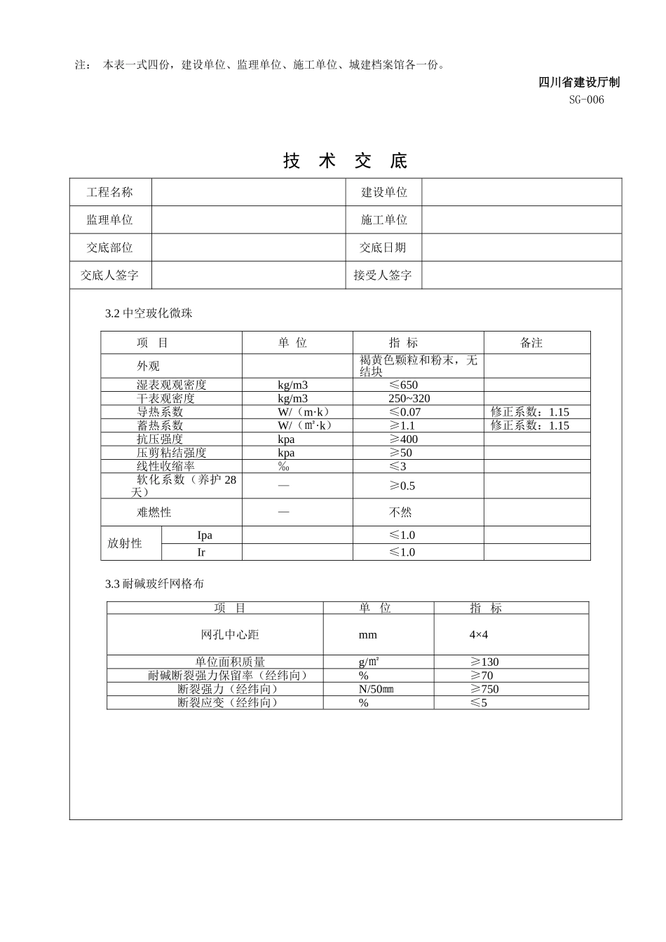
SG-006技 术 交 底工程名称建设单位监理单位施工单位交底部位交底日期交底人签字接受人签字交底内容:(包括工程中的关键性施工技术问题;保证工程施工质量的施工方法、技术措施;施工质量标准及验收法律规范的有关条文;施工图中必须注意的尺寸、标高、轴线及预埋件、预留空位置;设计变更的具体情况;质量和安全操作要求等)一、玻化微珠保温砂浆外墙保温工程的主要工序说明: (1)施工前根据编制专项技术施工方案,确定保温砂浆施工范围,分包单位现场负责人也应对施工班组进行详细的技术交底,建立完善的施工管理制度。 (2)施工过程严格根据上图流程,做到每层隐蔽每层验收,并应有详细的文字记录和必要的图像资料。 (3)在施工过程中应按工艺流程规定合理安排各个工序,保证各工序间的衔接和间隔时间,不得随意改变施工流程中的顺序,以确保施工质量。(4)选用法律规范、图集:水泥基复合膨胀玻化微珠建筑保温系统技术规程( DB51/T5061-2025)、川 07J123 《外墙外保温施工技术规程(玻化微珠玻纤网格布聚合物砂浆做法)》二、施工准备 1.1 作业条件: 1.1.1 清除施工基层上的浮灰、疏松物、油污和其它废弃物。油污用草酸、火碱溶液擦洗并用清水冲净。 1.1.2 基层处理、操作架验收合格。1.1.3 操作地点风力不大于 5 级,雨天不能施工。1.2 施工机具、电动搅拌器、磅秤、铁锹、壁纸刀、扫帚、棕刷、开刀、墨斗、抹子、压子、托线 参加单位 及人员(参加的所有人员签字) 注册建造师(项目经理):(签字)注: 本表一式四份,建设单位、监理单位、施工单位、城建档案馆各一份。四川省建设厅制SG-006技 术 交 底工程名称建设单位监理单位施工单位交底部位交底日期交底人签字接受人签字板、2m 靠尺。 1.3 材料配制:1.3.1 界面砂浆的配制中砂:水泥:界面剂—1:1:1(重量比),先加入 1 份界面剂再加入 1 份中砂和 1 份水泥,搅拌均匀砂浆状;1.3.2 中空玻化微珠无机保温浆料的配制(3#楼为 35mm 厚、6#楼为 30mm 厚)。中空玻化微珠无机保温浆料的水灰比为 1:1.1~1.3(重量比),在搅拌器中放入中空玻化微珠保温隔热干粉,按规定的比例加入水,搅拌均匀。使其呈膏状后便可使用,现场必须即配即用,搅拌后的浆料应在 3 小时内用完。不许另外加水。严禁在搅拌中掺和其它物料。1.3.3 抗裂防渗砂浆的配制将适量清水倒入洁净容器中,然后慢慢倒入防渗抗裂砂浆干粉。重量比 1(水):2.5(抗裂砂...

1、当您付费下载文档后,您只拥有了使用权限,并不意味着购买了版权,文档只能用于自身使用,不得用于其他商业用途(如 [转卖]进行直接盈利或[编辑后售卖]进行间接盈利)。
2、本站所有内容均由合作方或网友上传,本站不对文档的完整性、权威性及其观点立场正确性做任何保证或承诺!文档内容仅供研究参考,付费前请自行鉴别。
3、如文档内容存在违规,或者侵犯商业秘密、侵犯著作权等,请点击“违规举报”。

碎片内容

玻化微珠保温砂浆外墙保温工程技术交底

您可能关注的文档

确认删除?
VIP
微信客服
  • 扫码咨询
会员Q群
  • 会员专属群点击这里加入QQ群
客服邮箱
回到顶部