电脑桌面
添加小米粒文库到电脑桌面
安装后可以在桌面快捷访问

电视技术中心空调风系统制作与安装技术交底

电视技术中心空调风系统制作与安装技术交底_第1页
1/13
电视技术中心空调风系统制作与安装技术交底_第2页
2/13
电视技术中心空调风系统制作与安装技术交底_第3页
3/13
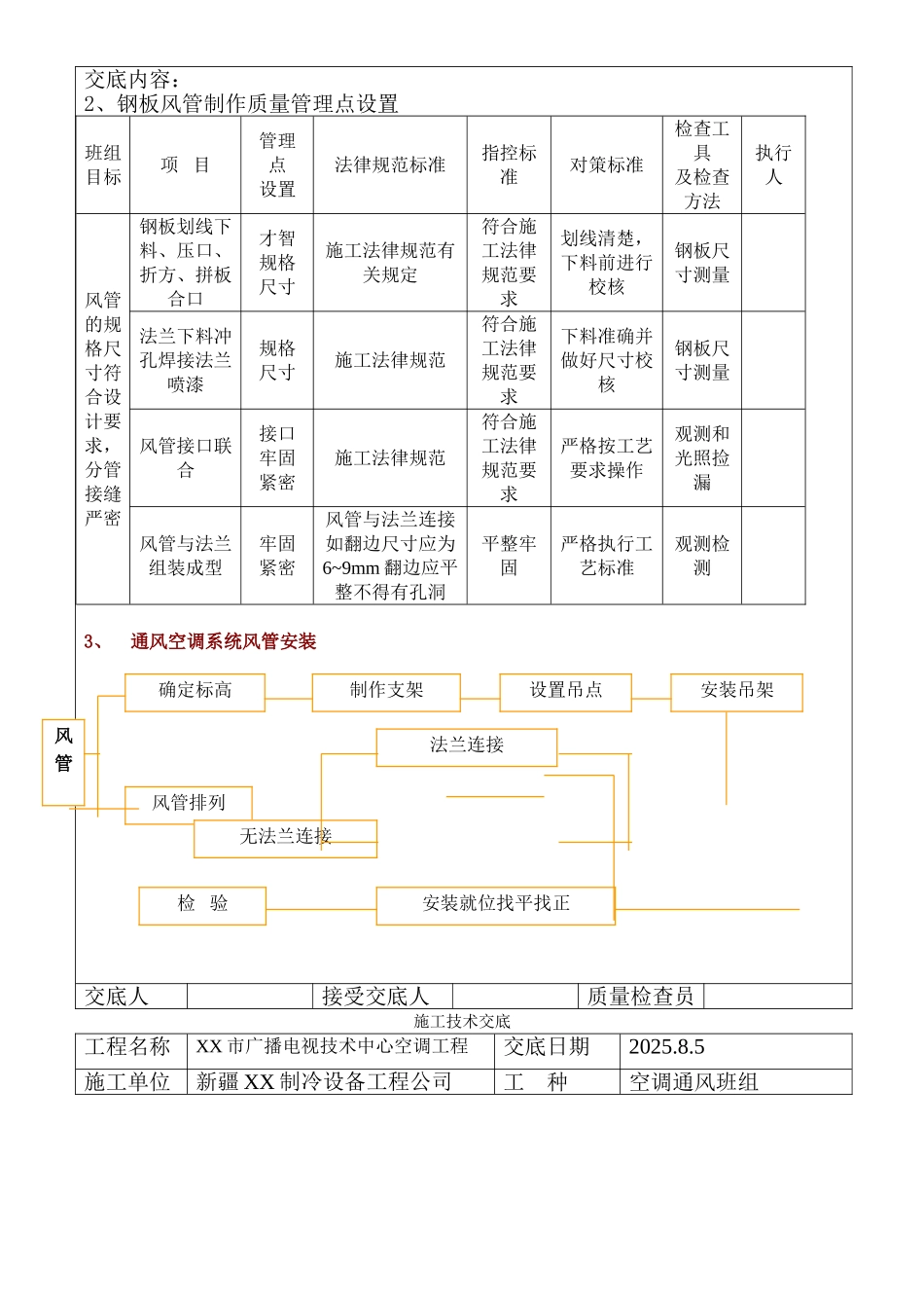
施工技术交底工程名称XX 市广播电视技术中心空调工程交底日期2025.8.5施工单位新疆 XX 制冷设备工程公司工 种空调通风班组交底内容: 空调风系统制作与安装一、 工程概述:本工程为 XX 市广播电视技术中心,工程位于 XX 市红山路上,是一座现代化的大型综合建筑。由电视和广播两部分组成,分为 A 区电视部分 B 区广播部分,总建筑面积18350.84 平方米,总建筑高度 23.7 米。A 区为地下一层,地上五层,B 区为地下一层,地上四层,冷水机房、热交换机房设在 B 区地下一层。冷冻机房内配置 2 台螺杆式冷水机组,夏季总冷负荷 1740KW。二、施工工艺及技术要求:1、钢板风管制作工艺流程图展开下料→ 剪 切 → 倒 角 →咬口制作→风管折方→风管成型 法兰下料→ 焊 接 →冲孔打眼→ 法兰圈圆→划线下料→找平找正→钻孔打眼 法兰铆接 → 翻 边 →成品喷漆→质量检验→风管安装划线的基本线有:直角线、垂直平分线,平行线,角平分线、直线等分、圆。展开方法宜采纳平分线法,放射线法和三角线法。根据设计图及大样风管的不同几何形状和规格,进行划线展开。各种钢材在剪切下料之前必须先进行图纸复核,确认无误后方可下料,按划线形状用机械剪刀或手工进行剪切。交底人接受交底人质量检查员施工技术交底工程名称XX 市广播电视技术中心空调工程交底日期2025.8.5施工单位新疆 XX 制冷设备工程公司工 种空调通风班组领料检 验制作支架交底内容:2、钢板风管制作质量管理点设置班组目标项 目管理点设置法律规范标准指控标准对策标准检查工具及检查方法执行人风管的规格尺寸符合设计要求,分管接缝严密钢板划线下料、压口、折方、拼板合口才智规格尺寸施工法律规范有关规定符合施工法律规范要求划线清楚,下料前进行校核钢板尺寸测量法兰下料冲孔焊接法兰喷漆规格尺寸施工法律规范符合施工法律规范要求下料准确并做好尺寸校核钢板尺寸测量风管接口联合接口牢固紧密施工法律规范符合施工法律规范要求严格按工艺要求操作观测和光照捡漏风管与法兰组装成型牢固紧密风管与法兰连接如翻边尺寸应为6~9mm 翻边应平整不得有孔洞平整牢固严格执行工艺标准观测检测3、 通风空调系统风管安装交底人接受交底人质量检查员施工技术交底工程名称XX 市广播电视技术中心空调工程交底日期2025.8.5施工单位新疆 XX 制冷设备工程公司工 种空调通风班组风管风管排列法兰连接无法兰连接安装就位找平找正确定标高设置吊点安装...

1、当您付费下载文档后,您只拥有了使用权限,并不意味着购买了版权,文档只能用于自身使用,不得用于其他商业用途(如 [转卖]进行直接盈利或[编辑后售卖]进行间接盈利)。
2、本站所有内容均由合作方或网友上传,本站不对文档的完整性、权威性及其观点立场正确性做任何保证或承诺!文档内容仅供研究参考,付费前请自行鉴别。
3、如文档内容存在违规,或者侵犯商业秘密、侵犯著作权等,请点击“违规举报”。

碎片内容

电视技术中心空调风系统制作与安装技术交底

您可能关注的文档

不二商店+ 关注
实名认证
内容提供者

我是你的不二选择

确认删除?
VIP
微信客服
  • 扫码咨询
会员Q群
  • 会员专属群点击这里加入QQ群
客服邮箱
回到顶部