电脑桌面
添加小米粒文库到电脑桌面
安装后可以在桌面快捷访问

砌体工程技术交底

砌体工程技术交底_第1页
1/22
砌体工程技术交底_第2页
2/22
砌体工程技术交底_第3页
3/22
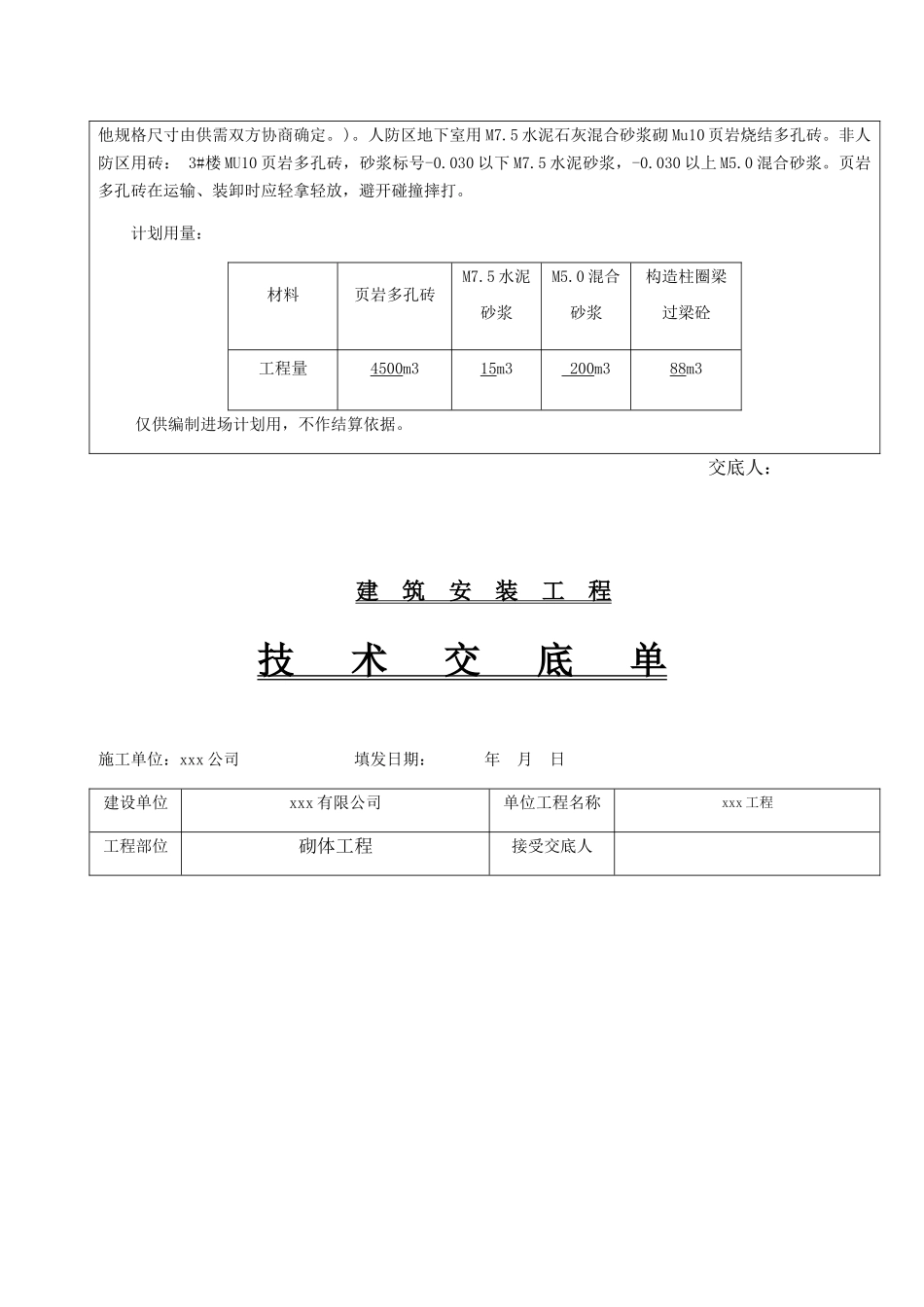
xxx 公司 施工安全技术交底会签表 工程名称xxx 工程工程部位砌体工程接受交底人(所有操作工人签名)交底人审核人交底日期审核日期建 筑 安 装 工 程技 术 交 底 单施工单位:xxx 公司 填发日期: 年 月 日建设单位xxx 有限公司单位工程名称xxx 工程工程部位砌体工程接受交底人交底内容:一、编制依据1、本工程施工蓝图及图纸会审记录。2、国家现行有关技术标准、图集、施工验收法律规范,工程检验及评定标准;《建筑工程施工质量验收统一标准(GB50300-2025)》,《砌体结构工程施工质量验收法律规范(GB50203-2025)》《钢筋混凝土过梁》(03G322)《多孔砖砌体结构技术法律规范》(JGJ137-2001)及其它相关法律规范。二、 施工准备(一)、砌体特点及总体安排单层砌体量较少,且单面墙体较短层高较底,因此圈梁、构造柱很少,墙边混凝土门垛较多。砌体原材料堆放在室外砖堆场,使用斗车运至升降机处,砂浆搅拌机放置在升降机临近。采纳现场配制砂浆砌筑。自然地面以上砌筑多孔砖墙体必须采纳强度不低于 M5 的水泥混合砂浆,多孔砖必须在砌筑前一天浇水浸湿。(二)、材料准备砌体材料为 120 厚或 200 厚砖墙(使用 240㎜×190㎜×90㎜或 240㎜×115㎜×90㎜页岩烧结多孔砖,其他规格尺寸由供需双方协商确定。)。人防区地下室用 M7.5 水泥石灰混合砂浆砌 Mu10 页岩烧结多孔砖。非人防区用砖: 3#楼 MU10 页岩多孔砖,砂浆标号-0.030 以下 M7.5 水泥砂浆,-0.030 以上 M5.0 混合砂浆。页岩多孔砖在运输、装卸时应轻拿轻放,避开碰撞摔打。计划用量:材料页岩多孔砖M7.5 水泥砂浆M5.0 混合砂浆构造柱圈梁过梁砼工程量4500m315m3 200m388m3仅供编制进场计划用,不作结算依据。 交底人:建 筑 安 装 工 程技 术 交 底 单施工单位:xxx 公司 填发日期: 年 月 日建设单位xxx 有限公司单位工程名称xxx 工程工程部位砌体工程接受交底人(三)、施工器具瓦刀、斗车、灰桶、砂浆搅拌机、施工电梯、塔吊、卷尺、水平尺和塞尺、线锤、百格网(检测砂浆饱满度)、皮数尺、脚手架等。三、图纸及法律规范要求1、墙体砌筑的工程质量应满足《砌体结构工程施工质量验收法律规范》(GB5023-2025)的规定。2、多孔砖规格,强度、砌筑质量要求:砌体材料为 120 厚或 200 厚 MU10 页岩多孔砖。砂浆强度要求:砂浆标号-0.030 以下 M7.5 水泥砂浆,-0.030 以上 M5.0 混合砂浆。3、灰缝厚度均...

1、当您付费下载文档后,您只拥有了使用权限,并不意味着购买了版权,文档只能用于自身使用,不得用于其他商业用途(如 [转卖]进行直接盈利或[编辑后售卖]进行间接盈利)。
2、本站所有内容均由合作方或网友上传,本站不对文档的完整性、权威性及其观点立场正确性做任何保证或承诺!文档内容仅供研究参考,付费前请自行鉴别。
3、如文档内容存在违规,或者侵犯商业秘密、侵犯著作权等,请点击“违规举报”。

碎片内容

砌体工程技术交底

确认删除?
VIP
微信客服
  • 扫码咨询
会员Q群
  • 会员专属群点击这里加入QQ群
客服邮箱
回到顶部