电脑桌面
添加小米粒文库到电脑桌面
安装后可以在桌面快捷访问

第五章-扩声、背景音乐系统设备安装工程-定额

第五章-扩声、背景音乐系统设备安装工程-定额_第1页
1/28
第五章-扩声、背景音乐系统设备安装工程-定额_第2页
2/28
第五章-扩声、背景音乐系统设备安装工程-定额_第3页
3/28
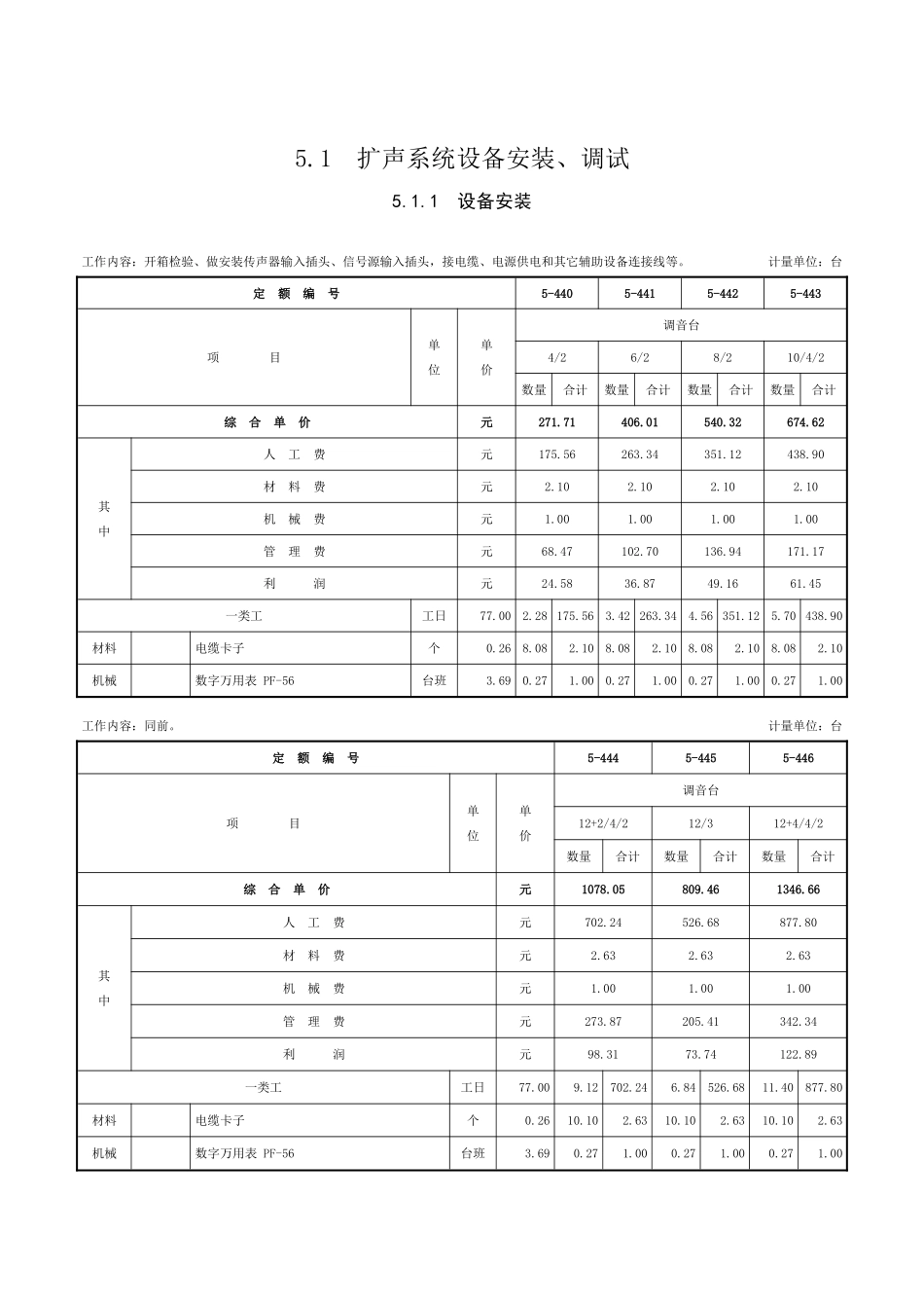
5.1 扩声系统设备安装、调试5.1.1 设备安装工作内容:开箱检验、做安装传声器输入插头、信号源输入插头,接电缆、电源供电和其它辅助设备连接线等。计量单位:台定 额 编 号5-4405-4415-4425-443项 目单位单价调音台4/26/28/210/4/2数量合计数量合计数量合计数量合计综 合 单 价元271.71406.01540.32674.62其中人 工 费元175.56263.34351.12438.90材 料 费元2.102.102.102.10机 械 费元1.001.001.001.00管 理 费元68.47102.70136.94171.17利 润元24.5836.8749.1661.45一类工工日77.002.28 175.563.42 263.344.56 351.125.70 438.90材料电缆卡子个0.268.082.108.082.108.082.108.082.10机械数字万用表 PF-56台班3.690.271.000.271.000.271.000.271.00工作内容:同前。计量单位:台定 额 编 号5-4445-4455-446项 目单位单价调音台12+2/4/212/312+4/4/2数量合计数量合计数量合计综 合 单 价元1078.05809.461346.66其中人 工 费元702.24526.68877.80材 料 费元2.632.632.63机 械 费元1.001.001.00管 理 费元273.87205.41342.34利 润元98.3173.74122.89一类工工日77.009.12702.246.84526.6811.40877.80材料电缆卡子个0.2610.102.6310.102.6310.102.63机械数字万用表 PF-56台班3.690.271.000.271.000.271.00工作内容:同前。计量单位:台定 额 编 号5-4475-448项 目单位单价调音台16+4/4/216/3数量合计数量合计综 合 单 价元1616.651079.43其中人 工 费元1053.36702.24材 料 费元3.683.68机 械 费元1.331.33管 理 费元410.81273.87利 润元147.4798.31一类工工日77.0013.681053.369.12702.24材料电缆卡子个0.2614.143.6814.143.68机械数字万用表 PF-56台班3.690.361.330.361.33工作内容:同前。计量单位:台定 额 编 号5-4495-4505-451项 目单位单价调音台16+4/8/216/8/224/4/2数量合计数量合计数量合计综 合 单 价元1616.651079.431618.36其中人 工 费元1053.36702.241053.36材 料 费元3.683.684.73机 械 费元1.331.331.99管 理 费元410.81273.87410.81利 润元147.4798.31147.47一类工工日77.0013.68 1053.369.12702.2413.68 1053.36材料电缆卡子个0.2614.143.6814.143.6818.184.73机械数字万用表 PF-56台班3.690.361.330.361.330.541.99工作内容:同前。计量单位:台定 额 编 号5-4525-4535-454项 目单位单价调音台24/324+4/4/224+4/8/2数量合计数量合计数量合计综 ...

1、当您付费下载文档后,您只拥有了使用权限,并不意味着购买了版权,文档只能用于自身使用,不得用于其他商业用途(如 [转卖]进行直接盈利或[编辑后售卖]进行间接盈利)。
2、本站所有内容均由合作方或网友上传,本站不对文档的完整性、权威性及其观点立场正确性做任何保证或承诺!文档内容仅供研究参考,付费前请自行鉴别。
3、如文档内容存在违规,或者侵犯商业秘密、侵犯著作权等,请点击“违规举报”。

碎片内容

第五章-扩声、背景音乐系统设备安装工程-定额

范哲铺+ 关注
实名认证
内容提供者

想你所想,急你所急,你需要的都在店铺里可以找到。

确认删除?
VIP
微信客服
  • 扫码咨询
会员Q群
  • 会员专属群点击这里加入QQ群
客服邮箱
回到顶部