电脑桌面
添加小米粒文库到电脑桌面
安装后可以在桌面快捷访问

第十六卷“三宝、四口”防护

第十六卷“三宝、四口”防护_第1页
1/8
第十六卷“三宝、四口”防护_第2页
2/8
第十六卷“三宝、四口”防护_第3页
3/8
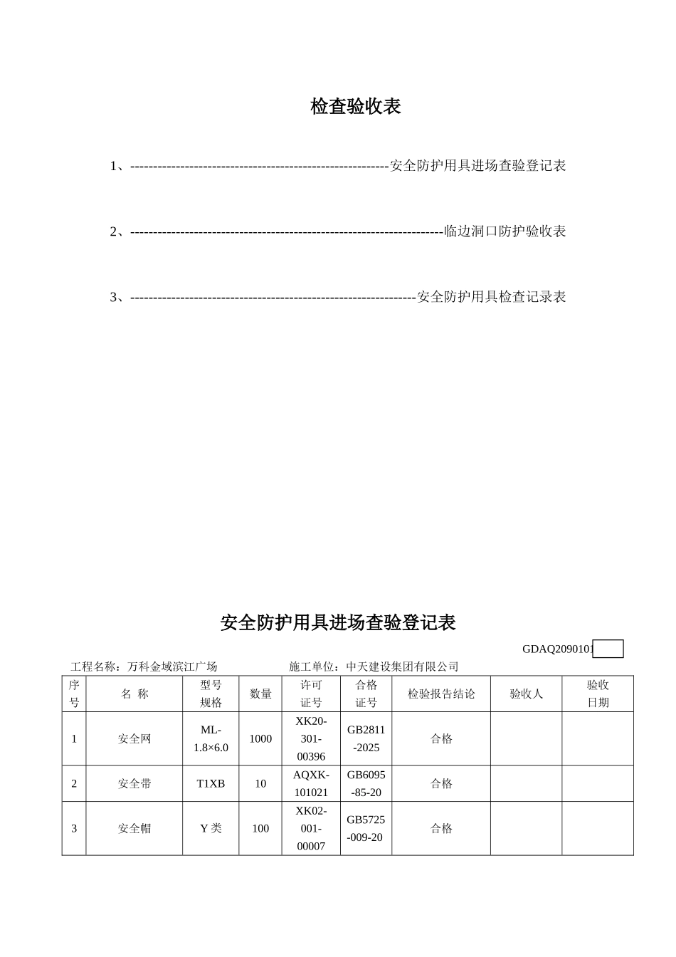
卷 内 目 录1、-----------------------------------------------------------------------------检查验收表2、--------------------------------------------------------------------------------检验报告检查验收表1、---------------------------------------------------------安全防护用具进场查验登记表2、---------------------------------------------------------------------临边洞口防护验收表3、---------------------------------------------------------------安全防护用具检查记录表安全防护用具进场查验登记表GDAQ2090101工程名称:万科金域滨江广场 施工单位:中天建设集团有限公司序号名 称型号规格数量许可证号合格证号检验报告结论验收人验收日期1安全网ML-1.8×6.01000XK20-301-00396GB2811-2025合格2安全带T1XB10AQXK-101021GB6095-85-20合格3安全帽Y 类100XK02-001-00007GB5725-009-20合格4手套100合格5电工面罩10合格材料员(签名): 专职安全员(签名):填表人(签名): 填表日期: 年 月 日填写说明:1、此表为安全防护用具进场查验登记表,安全防护用具只要指安全帽、安全带、安全网、电工面罩、绝缘手套、防尘口罩等2、此表填写的时候与仓管对接,收集好产品合格证等文件,以便填写,此表根据进场的时间适时进行更新。临边洞口防护验收表GDAQ2090203工程名称 总承包单位 项目负责人 专业承包单位 项目负责人 形象进度 防护责任人 序号检查项目检 查 内 容 与 要 求验 收 结 果一资料 有预防高处坠落事故的专项施工方案,做到防护法律规范化、标准化、工具化 二洞口防护 电梯井口必须设防护栏杆或固定栅门 电梯井内应每隔两层并最多隔 10m 设一道安全平网 边长 2.5~25cm 的洞口必须用坚实的盖板履盖,盖板不能挪动 边长 25~50cm 的洞口,用竹木等盖板,盖住洞口。盖板须能保持四周搁置均衡,并有固定其位置的措施 边长为 50~150cm 的洞口,必须设置以扣件扣接钢管而成的网格,并在其上满铺竹笆或脚手板,网格间距≤20cm 边长为 150cm 以上的洞口,四周设防护栏杆,洞口下张设安全平网 三临边防护 防护栏杆应由上下两道横杆及栏杆柱组成,上杆离地高度为 1.0~1.2m,下杆距地高度 0.5~0.6m 基坑周边固定时,钢管插入地面 50~70cm,钢管离边口距离大于 50cm 在混凝土楼面、屋面或墙面固定时,可用预埋件与钢管或钢筋焊牢 采纳木、竹拦杆时可在预埋件上...

1、当您付费下载文档后,您只拥有了使用权限,并不意味着购买了版权,文档只能用于自身使用,不得用于其他商业用途(如 [转卖]进行直接盈利或[编辑后售卖]进行间接盈利)。
2、本站所有内容均由合作方或网友上传,本站不对文档的完整性、权威性及其观点立场正确性做任何保证或承诺!文档内容仅供研究参考,付费前请自行鉴别。
3、如文档内容存在违规,或者侵犯商业秘密、侵犯著作权等,请点击“违规举报”。

碎片内容

第十六卷“三宝、四口”防护

人从众+ 关注
实名认证
内容提供者

欢迎光临小店,本店以公文和教育为主,希望符合您的需求。

确认删除?
VIP
微信客服
  • 扫码咨询
会员Q群
  • 会员专属群点击这里加入QQ群
客服邮箱
回到顶部