电脑桌面
添加小米粒文库到电脑桌面
安装后可以在桌面快捷访问

给排水设计各种计算表

给排水设计各种计算表_第1页
1/38
给排水设计各种计算表_第2页
2/38
给排水设计各种计算表_第3页
3/38
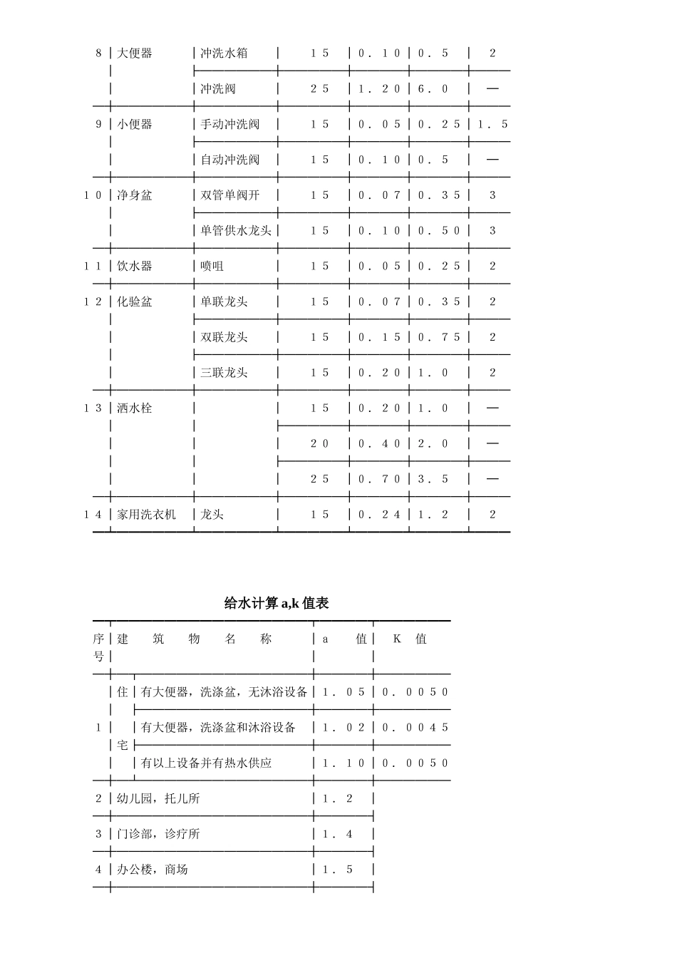
目 录1.径流系数………………………………………………………………………………...32.卫生器具给水额定流量和当量………………………………………………………...33.给水计算 a,k 值表……………………………………………………………………….44.卫生器具同时给水百分数………………………………………………………...……55.器具同时给水排水百分数………………………………………………………………66.热水小时变化系数………………………………………………………………………77.冷水计算温度……………………………………………………………………………88.饱和水蒸汽性质…………………………………………………………………………99.硫酸铝和碱式氯化铝……………………………………………………………………910. 滤料……………………………………………………………………………………..1011. 水中杂质的粒径………………………………………………………………………..1012. 排水管道坡度………………………………………………………………………..…1113. 清扫口设置…………………………………………………………………………..…1114. 排水器具当量………………………………………………………………………..…1215. 污水管的排水能力………………………………………………………………….….1216. 卫生器具排水负荷单位数……………………………………………………….…….1417. 通气管的管径及许可长度计算表……………………………………………………..1518. 卫生器具的设置………………………………………………………………………..1719. 每一个卫生器具的使用人数…………………………………………………………..1820. 多斗系统悬吊管最大允许汇水面积…………………………………………………..2121. HYS 系列中水处理成套设备主要经济技术指标………………………………….…2222. 各种硬度单位的换算………………………………………………………………..…2323. 软化水、除盐水、纯水在高层建筑中的使用…………………………………….….2424. 离子交换再生参数………………………………………………………………..……2525. 离子交换树脂主要性能………………………………………………………..………2526. 水质预处理的标准………………………………………………………………..……2627. 城市各类区域...

1、当您付费下载文档后,您只拥有了使用权限,并不意味着购买了版权,文档只能用于自身使用,不得用于其他商业用途(如 [转卖]进行直接盈利或[编辑后售卖]进行间接盈利)。
2、本站所有内容均由合作方或网友上传,本站不对文档的完整性、权威性及其观点立场正确性做任何保证或承诺!文档内容仅供研究参考,付费前请自行鉴别。
3、如文档内容存在违规,或者侵犯商业秘密、侵犯著作权等,请点击“违规举报”。

碎片内容

给排水设计各种计算表

确认删除?
VIP
微信客服
  • 扫码咨询
会员Q群
  • 会员专属群点击这里加入QQ群
客服邮箱
回到顶部