电脑桌面
添加小米粒文库到电脑桌面
安装后可以在桌面快捷访问

综合菜市场维修改造工程量清单报价表

综合菜市场维修改造工程量清单报价表_第1页
1/3
综合菜市场维修改造工程量清单报价表_第2页
2/3
综合菜市场维修改造工程量清单报价表_第3页
3/3
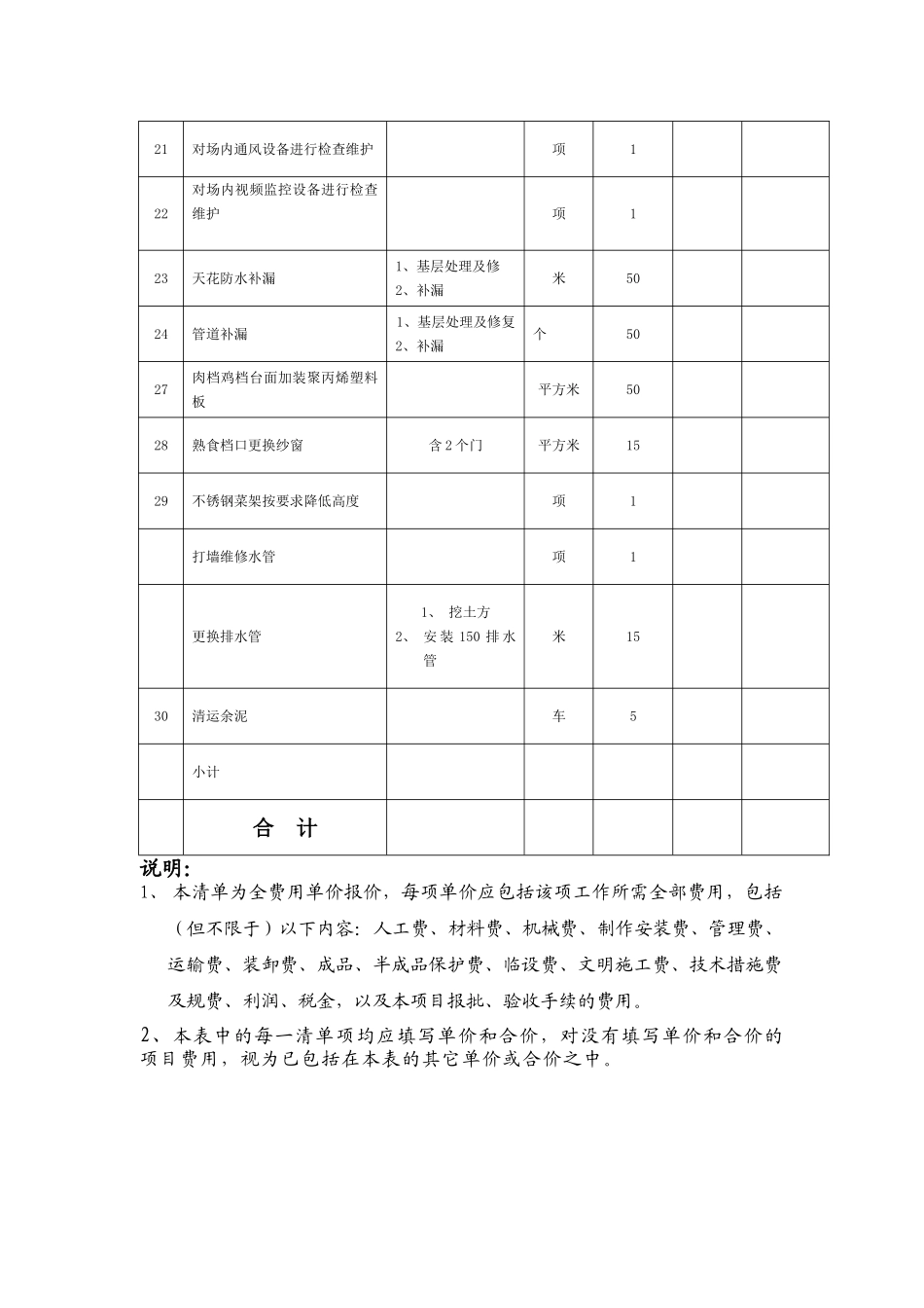
XX 菜市场维修改造工程工程量清单报价表序号项目名称项目特征描述计量单位工程数量金 额 (元)单价合价一外墙维修1外墙按原设计更换部分铝塑板1、拆除原有铝塑板2、基层处理3、铝塑板安装(铝厚 0.5 氟碳)平方米502铝板接口补防水胶1、拆除原有防水胶2、基层处理3、补防水胶米2003补通风百叶窗1、拆除原有百叶窗2、基层处理3、百叶窗安装平方米204南门(2 个)玻璃雨棚高低连接处排水处理项16检查外钢构并作防锈处理除锈、油氟碳漆 米1007防雨玻璃接口补防水胶1、拆除原有防水胶2、基层处理3、补防水胶平方米1508外走廊更换铝塑板天花(清洗后视效果再定)1、拆除原有铝塑板2、基层处理3、铝塑板安装(铝厚 0.18 聚酯)平方米35小计 二室内肉菜市场维修1天花、墙壁按原设计修补并重新粉饰(黑色)含铲灰平方米15002按原设计对消防、上下水管道作防锈、油漆处理1、 基层处理2、 除锈、油漆 米2003移位更新消防设施 拆旧换新(950×650×245)套34按设计要求电线更换(一户一闸)1、 拆除原有电线项1安装 10 平方线米300安装 6 平方线米4500安装 4 平方线米15000安装 2.5 平方线米500安装镀锌线槽1、150×2002、1.5 厚米300200安装 90 位开关箱含空气开关个15菜场楼上住宅排水管道漏水处理(现场定)1、基层处理2、防漏处理3、更换排水管处108按原配置更换风扇拆旧换新吊扇 8 台壁扇 10 台台189清理市场内的排水沟、沙井项110明渠更换部分盖板(室内)不锈钢框、304 不锈钢材面,1.5 厘米厚平方米30明渠更换部分盖板(室外)大理石平方米20 11按原配置更换部分水管项112拆除柱子原设计饰板并油漆1、 饰板拆除2、 油漆拆除部位项113按原设计对档口内的工作枱瓷片进行更换100×100 瓷片(含凿地面砖)平方米5015更换场内地面砖(停场或部分档口停场才施工)400×400 耐磨防滑砖(含凿地面砖)平方米50016拆除场内公共卫生间1、 拆除地砖2、 拆除蹲厕及台盆3、 拆除管道并封口4、 拆除塑料门项121对场内通风设备进行检查维护项122对场内视频监控设备进行检查维护项123天花防水补漏1、基层处理及修2、补漏米5024管道补漏1、基层处理及修复2、补漏个5027肉档鸡档台面加装聚丙烯塑料板平方米5028熟食档口更换纱窗含 2 个门平方米1529不锈钢菜架按要求降低高度项1打墙维修水管项1更换排水管1、 挖土方 2、 安 装 150 排 水管米1530清运余泥车5小计合 计说明:1、 本清单为全费用单价报价,每项单价应...

1、当您付费下载文档后,您只拥有了使用权限,并不意味着购买了版权,文档只能用于自身使用,不得用于其他商业用途(如 [转卖]进行直接盈利或[编辑后售卖]进行间接盈利)。
2、本站所有内容均由合作方或网友上传,本站不对文档的完整性、权威性及其观点立场正确性做任何保证或承诺!文档内容仅供研究参考,付费前请自行鉴别。
3、如文档内容存在违规,或者侵犯商业秘密、侵犯著作权等,请点击“违规举报”。

碎片内容

综合菜市场维修改造工程量清单报价表

范哲铺+ 关注
实名认证
内容提供者

想你所想,急你所急,你需要的都在店铺里可以找到。

确认删除?
VIP
微信客服
  • 扫码咨询
会员Q群
  • 会员专属群点击这里加入QQ群
客服邮箱
回到顶部