电脑桌面
添加小米粒文库到电脑桌面
安装后可以在桌面快捷访问

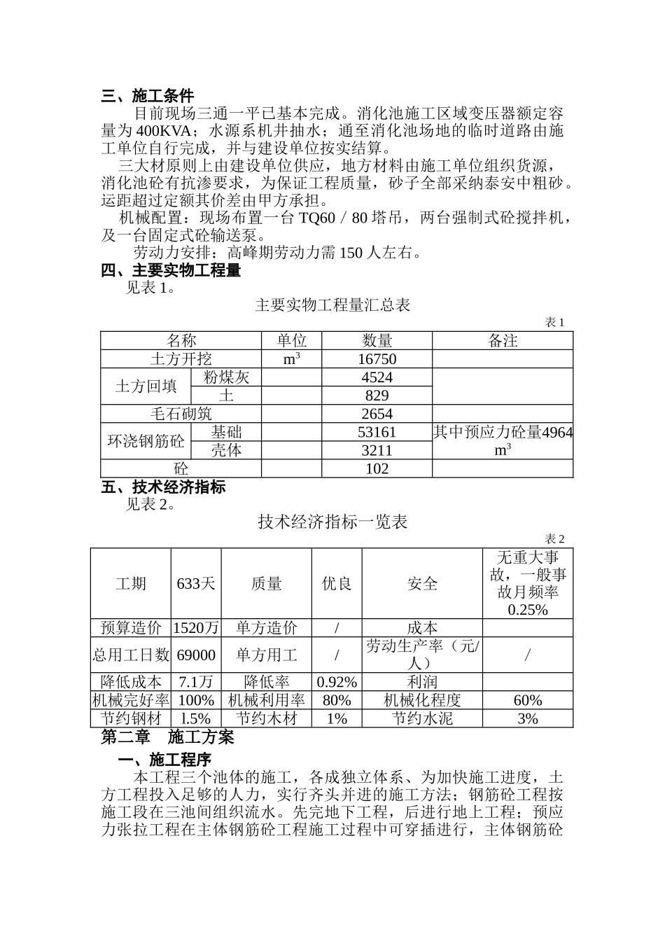
蛋型消化池施组设计

蛋型消化池施组设计_第1页
1/25
蛋型消化池施组设计_第2页
2/25
蛋型消化池施组设计_第3页
3/25
xx 污水处理厂蛋形消化池施工组织设计目 录前 言........................................................................................................2第一章 工程概况 ..................................................................................... 2 一、工程特点 .......................................................................................................................... 2 二、施工现场特征 .................................................................................................................. 2 三、施工条件 .......................................................................................................................... 3 四、主要实物工程量 .............................................................................................................. 3 五、技术经济指标 .................................................................................................................. 3 第二章 施工方案 .................................................................................... 3 一、施工程序 .......................................................................................................................... 3 二、施工段的划分,施工流向 ............................................................................................... 4 三、垂直运输和水平运输方式 ............................................................................................... 4 四、能源消耗 .......................................................................................................................... 4 五、施工组织形式、机构体制 ............................................................................................... 5 第三章 施工方法和技术措施 ................................................................ 5 一、 主要分部分项施工方法和关键部位的技术措施 .......................................................... 5 二、采纳新技术、新工艺、新材料计划 ...............................

1、当您付费下载文档后,您只拥有了使用权限,并不意味着购买了版权,文档只能用于自身使用,不得用于其他商业用途(如 [转卖]进行直接盈利或[编辑后售卖]进行间接盈利)。
2、本站所有内容均由合作方或网友上传,本站不对文档的完整性、权威性及其观点立场正确性做任何保证或承诺!文档内容仅供研究参考,付费前请自行鉴别。
3、如文档内容存在违规,或者侵犯商业秘密、侵犯著作权等,请点击“违规举报”。

碎片内容

蛋型消化池施组设计

您可能关注的文档

确认删除?
VIP
微信客服
  • 扫码咨询
会员Q群
  • 会员专属群点击这里加入QQ群
客服邮箱
回到顶部