电脑桌面
添加小米粒文库到电脑桌面
安装后可以在桌面快捷访问

西安市某高层住宅地下室防水工程监控方案

西安市某高层住宅地下室防水工程监控方案_第1页
1/9
西安市某高层住宅地下室防水工程监控方案_第2页
2/9
西安市某高层住宅地下室防水工程监控方案_第3页
3/9
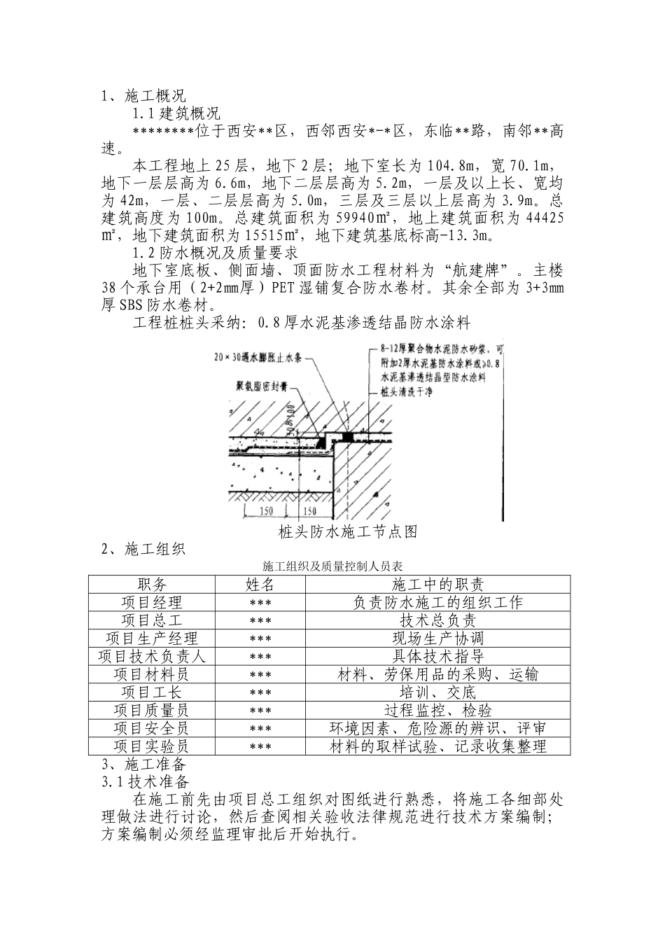
目录1、施工概况....................................................................22、施工组织....................................................................23、施工准备....................................................................34、操作工艺....................................................................45、质量控制和质量标准................................................86.成品保护....................................................................97、要注意的质量问题....................................................98、刚性防水..................................................................1010.季节性施工............................................................111、施工概况1.1 建筑概况********位于西安**区,西邻西安*-*区,东临**路,南邻**高速。本工程地上 25 层,地下 2 层;地下室长为 104.8m,宽 70.1m,地下一层层高为 6.6m,地下二层层高为 5.2m,一层及以上长、宽均为 42m,一层、二层层高为 5.0m,三层及三层以上层高为 3.9m。总建筑高度为 100m。总建筑面积为 59940㎡,地上建筑面积为 44425㎡,地下建筑面积为 15515㎡,地下建筑基底标高-13.3m。1.2 防水概况及质量要求地下室底板、侧面墙、顶面防水工程材料为“航建牌”。主楼38 个承台用(2+2㎜厚)PET 湿铺复合防水卷材。其余全部为 3+3㎜厚 SBS 防水卷材。工程桩桩头采纳:0.8 厚水泥基渗透结晶防水涂料桩头防水施工节点图2、施工组织施工组织及质量控制人员表职务姓名施工中的职责项目经理***负责防水施工的组织工作项目总工***技术总负责项目生产经理***现场生产协调项目技术负责人***具体技术指导项目材料员***材料、劳保用品的采购、运输项目工长***培训、交底项目质量员***过程监控、检验项目安全员***环境因素、危险源的辨识、评审项目实验员***材料的取样试验、记录收集整理3、施工准备3.1 技术准备在施工前先由项目总工组织对图纸进行熟悉,将施工各细部处理做法进行讨论,然后查阅相关验收法律规范进行技术方案编制;方案编制必须经监理审批后开始执行。施工前由负责现场的工长对防水施工班组进行技术质量安全交底。3.2 材料准备本工程地下部位防水面积约为:16000㎡,在施工过程中必须提前 3 天将防水材料组织进场,根据程序报验,对防水材料进行...

1、当您付费下载文档后,您只拥有了使用权限,并不意味着购买了版权,文档只能用于自身使用,不得用于其他商业用途(如 [转卖]进行直接盈利或[编辑后售卖]进行间接盈利)。
2、本站所有内容均由合作方或网友上传,本站不对文档的完整性、权威性及其观点立场正确性做任何保证或承诺!文档内容仅供研究参考,付费前请自行鉴别。
3、如文档内容存在违规,或者侵犯商业秘密、侵犯著作权等,请点击“违规举报”。

碎片内容

西安市某高层住宅地下室防水工程监控方案

您可能关注的文档

确认删除?
VIP
微信客服
  • 扫码咨询
会员Q群
  • 会员专属群点击这里加入QQ群
客服邮箱
回到顶部