电脑桌面
添加小米粒文库到电脑桌面
安装后可以在桌面快捷访问

西昌卷烟分厂维修作业规范

西昌卷烟分厂维修作业规范_第1页
1/11
西昌卷烟分厂维修作业规范_第2页
2/11
西昌卷烟分厂维修作业规范_第3页
3/11
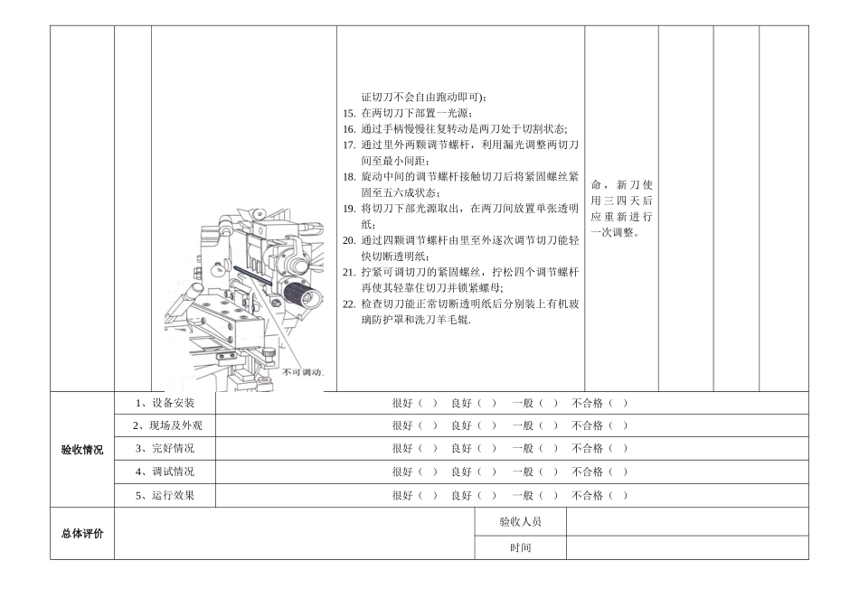
卷包车间设备维修标准及作业指导书设备名称包装设备设备型号ZB45维修项目(部位)YB55“U”形切刀的更换及调整准备工作使用工具备件材料安全防护作业时间及人员名称数量名称配件号数量时间人员13、17mm 套筒扳手1“U”形切刀11、安全防护门打开;2、须带手套,避开切刀刮破手指;狭小空间作业,注意头部撞击。10 分钟14、5mm 内六角扳手10.1、0.2mm 塞尺1标准及作业指导书序号分步图维修步骤技术标准责任人时间完成情况1拆卸步骤:1.松开“U”形切刀锁紧螺钉,取下切刀;2.清洁切刀安装部位。维修人员1 分钟2装配步骤:1.检查切刀垫辊是否完好,否则更换;2.安装“U”形切刀,并拧紧锁紧螺丝(a、安装时注意“U”形切刀的开口方向;b、“U”形切刀上定位面必须与刀轴安装面紧密接触);3.松开垫辊支架锁紧螺钉,将垫辊抬起;4.盘车使“U”形切刀位于垫辊正下方;5.将 0.1mm 的塞尺置于调节螺丝与机架之间,调整调节螺丝使“U”形切刀刚好接触垫辊;6.锁紧调节螺丝; 7.盘车使“U”形切刀离开垫辊,取出塞尺,使锁紧螺丝完全接触机架,拧紧垫辊支架锁紧螺钉;8.安装透明纸,盘车检查切刀是否正常切割,否则采纳0.2mm 的塞尺重新调整。当 “ U” 形切刀切割时(切刀与垫辊接触时),垫辊的跳动量为0.1~~0.2mm。维修人员9 分钟验收情况1、设备安装很好( ) 良好( ) 一般( ) 不合格( ) 2、现场及外观很好( ) 良好( ) 一般( ) 不合格( )3、完好情况很好( ) 良好( ) 一般( ) 不合格( )4、调试情况很好( ) 良好( ) 一般( ) 不合格( )5、运行效果很好( ) 良好( ) 一般( ) 不合格( )总体评价验收人员时间编写人员: 编写时间: 年 月 日卷包车间设备维修标准及作业指导书设备名称包装设备设备型号ZB45维修项目(部位)YB55 透明纸切刀的更换及调整准备工作使用工具备件材料安全防护作业时间及人员名称数量名称配件号数量时间人员10、13mm 两用扳手1透明纸可调切刀13、安全防护门打开;4、须带手套,避开切刀刮破手指;5、狭小空间作业,注意头部撞击。30 分钟13、4、5mm 内六角扳手1透明纸不可调切刀10.2mm 塞尺1清洁用毛巾1手电筒1标准及作业指导书序号分步图维修步骤技术标准责任人时间完成情况1拆卸及门隙调整步骤:9.松开透明纸切刀锁紧螺钉,分别取下可调切刀以及不可调切刀;10. 消除活动部分的铰链间隙(可调切刀部分刀门间隙):a、松开门隙调节螺丝...

1、当您付费下载文档后,您只拥有了使用权限,并不意味着购买了版权,文档只能用于自身使用,不得用于其他商业用途(如 [转卖]进行直接盈利或[编辑后售卖]进行间接盈利)。
2、本站所有内容均由合作方或网友上传,本站不对文档的完整性、权威性及其观点立场正确性做任何保证或承诺!文档内容仅供研究参考,付费前请自行鉴别。
3、如文档内容存在违规,或者侵犯商业秘密、侵犯著作权等,请点击“违规举报”。

碎片内容

西昌卷烟分厂维修作业规范

范哲铺+ 关注
实名认证
内容提供者

想你所想,急你所急,你需要的都在店铺里可以找到。

确认删除?
VIP
微信客服
  • 扫码咨询
会员Q群
  • 会员专属群点击这里加入QQ群
客服邮箱
回到顶部