电脑桌面
添加小米粒文库到电脑桌面
安装后可以在桌面快捷访问

轨道交通线空调施工方案

轨道交通线空调施工方案_第1页
1/42
轨道交通线空调施工方案_第2页
2/42
轨道交通线空调施工方案_第3页
3/42
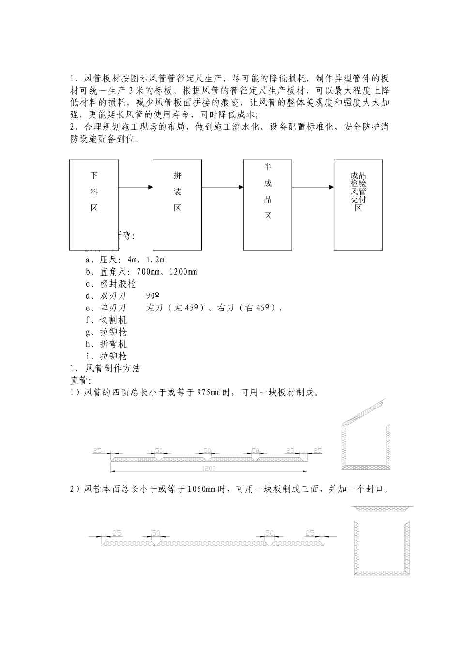
通风空调专项施工技术方案一、工程概况1.1 工程简介xx 市轨道交通 1 号线一期工起于 xx 站,终于规划的 xx 站,线路长26.200km,均为地下线;设 20 个地下车站,平均站间距 1330m。正线最大间距2353.7m,最小站间距 944.2m,线路最大纵坡 30‰。正线最小平面曲线半径300m,辅助线最小曲线半径为 200m,联络线最小曲线半径为 150m。本工程为 xx 市轨道交通 1 号线一期工程车站风水电安装工程施工 01 标,工程内容包括一个出入场线及三站三区间范围内的通风空调系统、给排水及消防系统、低压配电与动力照明系统安装施工图纸设计文件所含的全部内容。1.2 工程范围包括相应标段的通风空调系统设备(除甲供设备外)及材料的采购、安装、调试。本工程通风空调系统制式采纳屏蔽门制式通风空调系统。通风空调系统由以下四部分组成:隧道通风系统(含中间风井)、车站公共区通风空调系统(大系统)、设备管理用房空调通风系统(小系统)、空调水系统(水系统)。二、编制依据1、xx 市轨道交通 1 号线一期工程车站风水电安装工程施工招标文件。2、xx 市轨道交通 1 号线一期工程车站风水电安装工程施工 01 标投标文件。3、xx 市轨道交通 1 号线一期工程车站风水电安装工程施工图。4、xx 市轨道交通有限公司《关于印发公司 2025 年工程建设、投资计划安排的通知》【郑轨文〔2025〕20 号】。5、xx 市轨道交通 1 号线一期工程车站风水电安装工程施工合同。6、国家、行业、地方现行有效的法律、法规、法律规范、标准。7、设计技术交底、监理交底及系统商技术交底相关资料;8、现场实际调查资料及业主提供的相关信息;9、xx 轨道交通一号线工程车站主体移交、车站装修、铺轨及通信施工安排;10、企业的质量管理体系、环境管理体系和职业健康安全管理体系文件;三、施工工序通风空调系统是地铁机电设备安装工程中的较大的专业,施工接口多,施工周期长,主要阶段的施工工艺如下1)施工准备;2)风机安装和消声器安装;3)制冷管安装、空调机组安装、水电安装和试压试车;4)风管预制、清洗、塑膜封口;5)支架预制、测位安装、风管安装、检漏、保温、吊顶、安装支管、部件阀门和吹扫;6)单机调试;7)联合调试;8)竣工验收。四、施工方案1 通风空调系统施工流程施工流程如下所述:首先做好施工准备,分 4 个步骤分别进行,第一个为风机安装和消声器安装完成后进入第二步的水电安装;第二步为制冷管安装、空调机组安装...

1、当您付费下载文档后,您只拥有了使用权限,并不意味着购买了版权,文档只能用于自身使用,不得用于其他商业用途(如 [转卖]进行直接盈利或[编辑后售卖]进行间接盈利)。
2、本站所有内容均由合作方或网友上传,本站不对文档的完整性、权威性及其观点立场正确性做任何保证或承诺!文档内容仅供研究参考,付费前请自行鉴别。
3、如文档内容存在违规,或者侵犯商业秘密、侵犯著作权等,请点击“违规举报”。

碎片内容

轨道交通线空调施工方案

您可能关注的文档

确认删除?
VIP
微信客服
  • 扫码咨询
会员Q群
  • 会员专属群点击这里加入QQ群
客服邮箱
回到顶部